










邊緣(yuan)計算盒子是一種基于(yu)邊緣(yuan)計算和人(ren)工(gong)智(zhi)能技術的智(zhi)能設備,它內置了(le)靈活可配(pei)的多(duo)樣化AI算法庫,所以也被稱為AI算法(fa)盒子或智能(neng)邊緣(yuan)(yuan)分析(xi)一體機,可以(yi)將數(shu)據處理和(he)分析(xi)的能(neng)力推(tui)至離數(shu)據源最(zui)近的邊緣(yuan)(yuan)位置,提供高效(xiao)的數(shu)據處理和(he)實時響應(ying)。
下圖為一種邊緣計算盒子外形及其外部接口展(zhan)示:
 
         
1. USB接口保護(hu)
 
① USB3.0 —— 也被認為是 SuperSpeedUSB——為那(nei)些與 PC 或音頻(pin)/高頻設備(bei)相(xiang)連接的各種設備(bei)提供 了一個(ge)標準接口。新的 USB 3.0在保持與 USB 2.0的(de)兼容(rong)性的(de)同時,還提供(gong)了下面的(de)幾項增強功能:
● 極(ji)大提高了帶寬——高達5Gbps 全雙工(USB2.0則為(wei)480Mbps 半雙工)
● 實現了更好的電源管理
● 能夠(gou)使主機(ji)為器件提(ti)供更多的功率(lv),從而(er)實現 USB——充(chong)電電池(chi)、LED 照(zhao)明和(he)迷(mi)你風扇(shan)等應用。
● 能夠(gou)使(shi)主機更快地識別器件
● 新的協議使得數據處理的效率(lv)更高
推薦使用的器件:推薦ESDSR05和ESD0524P配合(he)使(shi)用
 
②USB2.0根據 USB2.0 標準,符合 USB 的(de)電源應當(dang)在 4.75V 至 5.25V 之間并提供至少為 0.5A 的連續(xu)電流
推薦使用(yong)的(de)器件:ESDSRV05-4,ESDSR05等
 
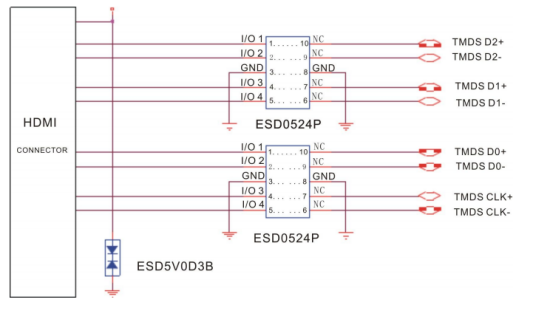
2. HDMI接口保護
 
對(dui)于(yu)流線型(xing)高速信號(hao)線設計(ji)和(he)滿(man)足信號(hao)線阻抗要求 ,ESD0524P 的(de)特殊(shu)設計(ji)提供(gong)了ESD 的4線保護要求(qiu) ,符合IEC61000-4-2 ESD標(biao)準(±8KV CONTACT ESD 和 ±15KV Air ESD) , 同時提供卓越的鉗位電(dian)壓特性 ,減(jian)少HDMI芯(xin)片的過壓應力 ,提高HDMI 整體系統的可(ke)靠性
— 非常高(gao)的二極(ji)管開關速度(納秒級)和超低線電容(<1pF)可以確保信(xin)號完整(zheng)性(xing);
— 經受若干次(ci)ESD 沖(chong)擊之后,ESD 保護性能沒有退(tui)化;
— 即使經過(guo)幾百次ESD 放電之(zhi)后,泄漏保持為低(di);
— 以(yi)小的(de)(de)占位面積(ji)實現最(zui)高的(de)(de)集成度(du);
— PCB 層(ceng)面(mian)的RF 布(bu)線優化封裝;
— 完全(quan)符合(he)HDMI 1.3 規(gui)范(fan)要求;
3. RJ45接口保(bao)護
 
器件推薦:ESD為ESDLC3V3D3B;氣放管(guan)為3R090L
 
器件推薦:ESD為ESDSLVU2.8-4;氣放(fang)管為SMD1812-091
4. 其他(ta)接口保(bao)護方案
(1) DC電源(yuan)口保護方(fang)案
 
此電路涉及到接口的浪涌防護、靜電防護(hu)、EFT 、傳導、輻(fu)射(she),可根據測試項目選(xuan)擇使用。保(bao)險絲F1,根據客(ke)戶工作(zuo)電(dian)流和需(xu)過的浪涌(yong)等(deng)級(ji)選(xuan)擇,可使(shi)用一次性保險絲或PPTC。肖特(te)基(ji)二極管(guan)做防反使用,無要求(qiu)可(ke)去掉(diao)
推薦(jian)器件:12V SMBJ15A/CA
(2) TYPE-C保護方案
 
推薦器(qi)件:NRESDLLC5V0D25B
NRESDLLC5V0D25B是音特電子設計的一種超低電容TVS陣列,設計用于(yu)保護(hu)高(gao)速數(shu)據接口(kou)。它被(bei)專門設計用于(yu)保護(hu)連(lian)接到數(shu)據傳輸線(xian)的敏感(gan)部件免受靜電放電(ESD)、電纜放電事件(CDE)和閃電引起的過(guo)電壓(ya)的影響。它能在信號不失(shi)真的條件下有效對TYPE-C接口進行(xing)靜電浪涌防(fang)護(hu)





根據 USB2.0 標準,符合 USB 的電源應當在 4.75V 至 5.25V 之間并提供至少為 0.5A 的連續電流。
但是,仍可(ke)能發生一(yi)些故障(zhang),容易損(sun)壞(huai)未(wei)采取保護措施的(de)下游電(dian)(dian)子線(xian)路。典型的(de)故障(zhang)包括(kuo):感(gan)應(ying)式尖(jian)峰電(dian)(dian)壓、連接(jie)到(dao)(dao)高電(dian)(dian)壓充電(dian)(dian)器上(shang)(用戶操(cao)作失誤)、連接(jie)到(dao)(dao)供電(dian)(dian)質量遭受污染(ran)的(de)電(dian)(dian)源(yuan)(yuan)。雖然典型的(de)計算器電(dian)(dian)源(yuan)(yuan)的(de)電(dian)(dian)壓控(kong)制在(zai)(zai) 5V +/- 5% ,但這并不(bu)意味著 USB 端口的(de)電(dian)(dian)壓不(bu)會(hui)超過(guo)(guo) 5.25V 。感(gan)應(ying)發生的(de)電(dian)(dian)壓尖(jian)峰值可(ke)以超過(guo)(guo) 8V ,并損(sun)壞(huai)未(wei)采取保護措施的(de)外設。尖(jian)峰電(dian)(dian)壓現(xian)(xian)象(xiang)發生在(zai)(zai)電(dian)(dian)源(yuan)(yuan)總線(xian)上(shang)存在(zai)(zai)一(yi)定的(de)電(dian)(dian)感(gan)且電(dian)(dian)流(liu)發生了快速(su)(su)變化的(de)情況下。電(dian)(dian)流(liu)的(de)快速(su)(su)改(gai)變可(ke)能來自于(yu)外設熱插(cha)拔、內(nei)部系統關機(ji)、或其(qi)它(ta)內(nei)部供電(dian)(dian)波動現(xian)(xian)象(xiang)。
電(dian)(dian)(dian)感(gan)可(ke)(ke)能(neng)(neng)是在設(she)(she)計上(shang)采用了磁(ci)性部件而產(chan)生,也有(you)可(ke)(ke)能(neng)(neng)是由(you)于電(dian)(dian)(dian)纜較長(chang)以及其它(ta)電(dian)(dian)(dian)源(yuan)總(zong)線(xian)組成部件所引發(fa)。電(dian)(dian)(dian)源(yuan)總(zong)線(xian)的(de)電(dian)(dian)(dian)感(gan)值越(yue)大,在外設(she)(she)內產(chan)生的(de)尖峰電(dian)(dian)(dian)壓現(xian)象(xiang)就越(yue)嚴重。簡言之,USB 設(she)(she)備(bei)可(ke)(ke)能(neng)(neng)承受超過 5V 的(de)電(dian)(dian)(dian)壓,并(bing)應當針對這種情況采取保護措施。
音特電子保護器件應用于網絡與電信方面:
1、 ADSL調制解調器
 2、時鐘管理與分配
 3、會議免提電話
 4、DSL線卡
 5、數字用戶線路接入復用器
 6、程控用戶交換機
 7、POTS線卡
 8、以太網供電(PoE)無線接入點
 9、交換機/路由器
 10、T1/E1路由器線卡
 11、VoIP電話(hua)
如下列(lie)表為音特電子保護(hu)器(qi)件應(ying)用于通信與網(wang)絡(luo)部(bu)分(fen)產品:

機(ji)(ji)頂盒(Set Top Box, 簡(jian)稱 STB),是(shi)一個連接(jie)(jie)電視機(ji)(ji)與外部信(xin)(xin)號(hao)源的(de)(de)設(she)備。它可以(yi)將壓縮的(de)(de)數(shu)(shu)字信(xin)(xin)號(hao)轉成電視內容,并在(zai)電視機(ji)(ji)上顯示(shi)出(chu)來。從(cong)最初只(zhi)是(shi)接(jie)(jie)收數(shu)(shu)字電視信(xin)(xin)號(hao)的(de)(de)簡(jian)單功能(neng)(neng)機(ji)(ji)頂盒到(dao)如今功能(neng)(neng)繁多的(de)(de)各種(zhong)機(ji)(ji)頂盒高清播放器,隨著機(ji)(ji)頂盒技術的(de)(de)發展,如今的(de)(de)機(ji)(ji)頂盒在(zai)數(shu)(shu)據支持上能(neng)(neng)完成諸(zhu)多高清,交互,多模,多格式的(de)(de)解碼。而在(zai)接(jie)(jie)口方面,為(wei)獲得更多的(de)(de)數(shu)(shu)據來源,設(she)備普遍也能(neng)(neng)夠提供(gong)許多種(zhong)類的(de)(de)選擇,一般都能(neng)(neng)夠支持 USB、HDMI、以(yi)太網接(jie)(jie)口、硬盤(pan)接(jie)(jie)口等。
不同類型接(jie)(jie)(jie)口的(de)(de)(de)(de)(de)支持,使得如(ru)今的(de)(de)(de)(de)(de)高清(qing)(qing)播(bo)放器的(de)(de)(de)(de)(de)娛樂功能(neng)日益強大,但(dan)是也帶來了諸多對不同接(jie)(jie)(jie)口保(bao)護的(de)(de)(de)(de)(de)要(yao)求。我(wo)(wo)們(men)知(zhi)道各種數據類型的(de)(de)(de)(de)(de)接(jie)(jie)(jie)口在熱插拔的(de)(de)(de)(de)(de)過(guo)程(cheng)中(zhong)都容(rong)易受到過(guo)壓過(guo)流靜電等許多故障狀態的(de)(de)(de)(de)(de)影響(xiang),機頂盒和高清(qing)(qing)播(bo)放器的(de)(de)(de)(de)(de)廠家必須在產(chan)品(pin)的(de)(de)(de)(de)(de)設計過(guo)程(cheng)中(zhong)考慮到不同的(de)(de)(de)(de)(de)意外因素,而(er)在接(jie)(jie)(jie)口的(de)(de)(de)(de)(de)輸(shu)入端增加相(xiang)對應的(de)(de)(de)(de)(de)保(bao)護,這樣才能(neng)減少產(chan)品(pin)的(de)(de)(de)(de)(de)返修率,并給客戶(hu)提供良好的(de)(de)(de)(de)(de)使用(yong)體驗。我(wo)(wo)們(men)接(jie)(jie)(jie)下來將會針對于這些在機頂盒上常見的(de)(de)(de)(de)(de)接(jie)(jie)(jie)口來看一下使用(yong)什么(me)保(bao)護器件能(neng)夠很好的(de)(de)(de)(de)(de)保(bao)護設備。
首先是 USB 的接口,無論是 USB2.0 還是目前逐漸普及的 USB3.0,USB 接口是我們最常見并且使用最廣泛的數據接口。在便捷的使用過程中,我們也會經常遇到一些故障狀態,其中比較常見的就是由于 USB 從設備短路故障而導致的 USB 主設備的損傷,使用 PPTC(自恢復保險絲)器件是一個高性價比的防護方案,在短路故障狀態下,PPTC 器件能夠快速的動作從低阻態轉為高阻態,從而限制電流保護 USB 的設備。另一種 USB 常見的故障是由靜電噪音帶來的,在熱插拔的過程中,靜電的影響非常的明顯,為減少靜電給電路帶來的影響,我們可以使用 ESD (硅基 ESD 保護器件),ESD 器件電(dian)容低(di)、鉗(qian)位電(dian)壓低(di)、ESD 抵抗能量高(gao)、封(feng)裝尺寸小,是 USB 接口靜(jing)電(dian)防(fang)護的理想選(xuan)擇。下(xia)圖 1 1.是在(zai) USB 端口上使(shi)用(yong) PPTC自恢復(fu)保(bao)(bao)險絲與 ESD靜(jing)電(dian)保(bao)(bao)護的典型應(ying)用(yong)。

HDMI 也是如今非常流行(xing)的一(yi)種多(duo)媒體信號(hao)接口,類(lei)似(si)于 USB 的接口,HDMI 接口在使(shi)用過(guo)程中(zhong)也容(rong)易(yi)受(shou)到短(duan)路過(guo)流,靜電等(deng)各種故(gu)障狀態,同(tong)樣我們可以使(shi)用 PPTC自(zi)恢(hui)復保(bao)(bao)險絲與(yu) ESD 靜電來保(bao)(bao)護(hu)(hu)接口免受(shou)故(gu)障的侵擾。如圖 2,在 HDMI 端口的電源線上使(shi)用 PPTC自(zi)恢(hui)復保(bao)(bao)險絲進行(xing)過(guo)流保(bao)(bao)護(hu)(hu),在其他的信號(hao)線上使(shi)用多(duo)通道(dao)的 ESD 防護(hu)(hu)靜電。

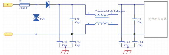
許多機頂盒設備會有直流電源輸入端口,需要使用 AC/DC 適配器供電,而我們的生活中有太多的設備需要類似的適配器供電,不同的適配器可能有不同的供電電壓,功率,甚至于電源的正負極性,適配器的錯誤使用會給設備帶來嚴重的損壞,另外在適配器插拔過程中形成的尖峰噪音也會給負載電路帶來傷害。對于類似電源口的保護,音特電路保護部的 PPTC自恢復保險絲和 TVS 瞬態抑制二極管系(xi)列器(qi)件(jian),作為(wei)一種(zhong)表面(mian)貼裝的(de)獨立器(qi)件(jian),能(neng)夠同時(shi)完(wan)成(cheng)過壓,過流, 電(dian)源誤接,電(dian)源逆接等多方位(wei)的(de)保護(hu)。小體積(ji)的(de)設計使其(qi)十(shi)分適用于空間狹(xia)小的(de)薄(bo)型緊湊(cou)型環境,在(zai)故障狀態(tai)時(shi), 瞬態(tai)抑(yi)制二(er)極管(guan)(guan)能(neng)快速(su)有效的(de)鉗位(wei)電(dian)壓并(bing)分流故障電(dian)流,而 PPTC 自恢復保險(xian)絲組件(jian)則可(ke)以繼而快速(su)的(de)關斷(duan)過大的(de)電(dian)流,從而幫助保護(hu)瞬態(tai)抑(yi)制二(er)極管(guan)(guan)和下游電(dian)子(zi)組件(jian)。下圖3描述了 直流輸入端口保護(hu)的(de)典(dian)型應(ying)用。

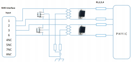
對于機頂盒設(she)備(bei)(bei)上的 RJ45 端口,同樣考慮到(dao)因為頻(pin)繁插拔時由于靜電而(er)導致的設(she)備(bei)(bei)損(sun)害,在(zai)端口也可(ke)以增加(jia)上 ESD 器件(jian)來(lai)保護靜電干(gan)擾。圖(tu)4分(fen)別展示了(le)在(zai) 10/100baseT 及 1G Ethernet 上使(shi)用 ESD 器件(jian)進行保護的應用。

對于機頂盒上的 xDSL 端口,可以考慮使用氣體放電管 (GDT) 器(qi)件(jian)(jian)與(yu) PPTC 器(qi)件(jian)(jian)組合的(de)電(dian)路來保(bao)護(hu)設備。GDT 器(qi)件(jian)(jian)可以在(zai)(zai)電(dian)路的(de)一(yi)級(ji)保(bao)護(hu)中(zhong)使用(yong)(yong),在(zai)(zai)雷擊保(bao)護(hu)中(zhong)可以起到(dao)暫態的(de)過電(dian)流(liu)和限制過電(dian)壓的(de)作(zuo)用(yong)(yong),而PPTC 器(qi)件(jian)(jian)可以在(zai)(zai)電(dian)力(li)線碰觸保(bao)護(hu)中(zhong),對(dui)過流(liu)故障起到(dao)很好(hao)的(de)保(bao)護(hu)作(zuo)用(yong)(yong)。圖5電(dian)路是(shi)使用(yong)(yong) PPTC自恢(hui)復保(bao)險絲與(yu) GDT氣體放(fang)點管器(qi)件(jian)(jian)進(jin)行(xing)雷擊及電(dian)力(li)線碰觸保(bao)護(hu)的(de)典型(xing)應(ying)用(yong)(yong)。

綜上(shang)所訴,當今的(de)機頂(ding)盒(he)已經(jing)能夠(gou)提(ti)供各種(zhong)各樣的(de)多(duo)媒體(ti)娛樂功能,而在同時我們也關注到,設備需要支持(chi)多(duo)種(zhong)數據(ju)(ju)接(jie)(jie)口來幫助獲得(de)各種(zhong)多(duo)媒體(ti)的(de)數據(ju)(ju)資(zi)源,怎樣更(geng)好的(de)提(ti)供這(zhe)些接(jie)(jie)口的(de)保護是(shi)設備是(shi)否能給客戶提(ti)供良(liang)好使用體(ti)驗(yan)的(de)關鍵。
產品關鍵詞:TVS瞬(shun)態(tai)抑制(zhi)二極管(guan)、PPTC自恢復保險(xian)絲、GDT氣體放(fang)電管(guan)、ESD靜(jing)電保護(hu)二極管(guan)。
其他解決方案:選型指南解決方案
關注公眾(zhong)號:yint音特電子(zi),輕(qing)松(song)了解。
音特電子解決方案:yxgc.net
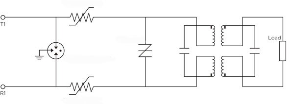
RS232 美國電(dian)子工業(ye)協會(EIA)、調(diao)制解(jie)(jie)調(diao)器廠家(jia)及計算機(ji)終端生(sheng)產廠家(jia)共同制定(ding)的(de)用(yong)(yong)于串行通(tong)訊的(de)標準。它(ta)的(de)全名是“數(shu)據(ju)(ju)終端設備(bei)(bei)(DTE)和數(shu)據(ju)(ju)通(tong)訊設備(bei)(bei)(DCE)之間串行二進制數(shu)據(ju)(ju)交換接(jie)(jie)口(kou)技術標準”。它(ta)在通(tong)信設備(bei)(bei)上作為調(diao)試口(kou),板(ban)間通(tong)信接(jie)(jie)口(kou)和監(jian)控(kong)信號接(jie)(jie)口(kou),傳(chuan)輸距(ju)離(li)比(bi)較短,調(diao)試使(shi)用(yong)(yong)比(bi)較頻繁(fan), 經常帶(dai)電(dian)插拔(ba),因此接(jie)(jie)口(kou)會收到過(guo)電(dian)壓,過(guo)電(dian)流的(de)沖擊;做短距(ju)離(li)傳(chuan)輸連(lian)接(jie)(jie)使(shi)用(yong)(yong),有(you)時(shi)會感應到雷(lei)擊強電(dian)磁電(dian)殞干擾,從(cong)而導致接(jie)(jie)口(kou)芯片損壞,上海音特(te)針對 RS232 傳(chuan)輸特(te)點制定(ding)解(jie)(jie)決(jue)方案(an):
1.在正常運行時,雷電保護器的接入應不影響信號的正常傳輸,雷電保護器的對地阻抗應非常大,串連在電路中的阻抗應非常小。
2.在雷電襲擊通信總線時,雷電保護器應發揮良好的電壓鉗位作用,其鉗位電壓應低于后端控制芯片或其它電器件的耐受電壓水平。
3.在抑制雷(lei)電襲擊(ji)過程中,雷(lei)電保護器(qi)自(zi)身應完(wan)好無損。
4.雷電保護(hu)器(qi)對(dui)雷電襲擊應具(ju)有足夠(gou)快的響應速度

TVS瞬態抑制二極管: 根據供電電源選擇,一般±12V 的選擇SMBJ12CA 或者 P6KE15CA。
注意 TVS瞬態抑制二極管的選擇,使用 TVS二極管SMBJ24CA,但是當波特率比較高時,由于 TVS 有較大的結電容, 會影響信號的發送與接收,當波特率大于 9600,不建議使用 TVS二極管,具體可見測試報告。
PPTC自恢復保險絲:60V-010 或 SMD1206-010 滿足(zu): IEC61000-4-5 10/700US 6KV /150A 1.2/50US&8/20US 6KV /3KA/IEC61000-4-2 CONTACT DISCHARGE :8KV AIR DISCHARGE:15KV。
具體數據(ju)可下載文檔觀看。
關鍵詞:RS232 保(bao)護方案、TVS瞬態抑制(zhi)二極(ji)管、PPTC自恢復(fu)保(bao)險(xian)絲。
其他解決方案:接口通用方案
音特電子研發組:yxgc.net





 


器件推薦:
| 
 R1,2,3,4  | 
||
| 
 3R090L  | 
 ESDLC3V3D3B 或ESDSLVU2.8-4  | 
 可不加,2歐姆左右  | 
器件推薦:
| 
 前端大通流器件(jian)選擇  | 
 ESD  | 
 R1,2,3,4  | 
| 
 氣放管2R090L或者SMD1812-091  | 
 
 ESDLC3V3D3B 或者ESDSLVU2.8-4  | 
 
 可不加(jia),2 歐姆左右  | 

器件推薦
| 
 氣體放電管  | 
 ESD  | 
 R1~8  | 
| 
 3R090L  | 
 ESDLC3V3D3B或者(zhe)ESDSLVU2.8-4 
  | 
 可不加,2歐姆左右  | 
關注公(gong)眾(zhong)號:音特電子,輕(qing)松了解電路方案(an)。
關鍵詞:ESD靜電保(bao)護元件、GDT氣體放電管、半導體放電管。
保護方案:

方案說明:
此方案使(shi)用在SDI信號(hao)線上,因為線路頻(pin)率很高,對寄生電容要著(zhu)重(zhong)考慮。
方案采用(yong)二級(ji)防護(hu),第一(yi)級(ji)使用(yong)氣(qi)(qi)體(ti)放(fang)電(dian)管做(zuo)粗保(bao)護(hu),氣(qi)(qi)體(ti)放(fang)電(dian)管具有(you)吸(xi)收浪(lang)涌能力強(qiang),寄生電(dian)容(rong)很低(di)(di)的特(te)點,一(yi)般1pf以下。第二級(ji)保(bao)護(hu)使用(yong)ESD器件ESDLC5V0D3B做(zuo)細保(bao)護(hu),它具有(you)箝位電(dian)壓精準,寄生電(dian)容(rong)低(di)(di)的特(te)點2pf左(zuo)右。中間耦合使用(yong)PPTC SMD1206-012,也(ye)可以起(qi)到防過流(liu)的作(zuo)用(yong)。
GDT氣體(ti)放電(dian)管:SMD1812-091或者2R090L-5.5×6
PPTC自恢復保險絲:SMD1206-012
ESD:ESDLC5V0D3B
R:限流(liu)電阻,可(ke)不選,加上保(bao)護效(xiao)果(guo)更(geng)好(hao),阻值(zhi)幾個歐姆(mu)即可(ke)。
符合標準:
IEC61000-4-5 10/700US 6KV /150A
IEC61000-4-2 CONTACT DISCHARGE :8KV AIR DISCHARGE:15KV
公眾號:yintdz,輕松了解。
關鍵詞:SDI、浪涌(yong)保(bao)護(hu)、ESD、PPTC、GDT。




①R1、R2 金屬氧化膜電阻(2W-4.3~5.1?),也可以用冷態電阻相當的正溫度系數熱敏電阻(如:自恢復保險絲:LP60-010/030,LB180(U));
②陶瓷氣體放電管、、半導體過壓保護器(只適用于電路中沒有連續直流電壓的場合) 的直流擊穿電壓根據信號電壓幅度選擇;
③本電路(lu)適用于傳(chuan)輸(shu)高頻(pin)(pin)/高速信號(最高頻(pin)(pin)率(lv)(lv)(lv)可(ke)達(da) 20MHZ)。采(cai)用低(di)電容 TVS二極(ji)管(guan)或半導體(ti)過壓保(bao)護器。傳(chuan)輸(shu)頻(pin)(pin)率(lv)(lv)(lv)/速率(lv)(lv)(lv)≥10MHz,Cj≤60pF;傳(chuan)輸(shu)頻(pin)(pin)率(lv)(lv)(lv)/速率(lv)(lv)(lv)≥100MHz,Cj≤20pF;
①保護效果很好,殘壓低,可以同時傳送電源,適用于天線帶放大器或不帶放大器的場合。
②腔體和輸入、輸出接頭是根據系統所用接頭類型、傳輸信號頻率范圍專門設計加工的。在戶外使用時,腔體、接頭和蓋板都必須設計成防水的。
③陶瓷氣體放電管一般選用通流容量20kA、直流擊穿電壓90V的,壓敏電阻一般選用20D100K型;
TVS管擊穿電壓根據傳輸直流電壓或交流電壓峰值選取(VBRmin≥1.2UDC或VBRmin≥1.2Up)。
④C是由紫銅片構成的平板電容器,平板間加聚四氟乙烯薄膜;L1、L4 是用漆包紫銅線繞成的空心電感,L2、L3可用100μH左右的鐵心電感。
⑤將元(yuan)件裝入腔體后,用微波網絡(luo)分析儀測試(shi)信號頻(pin)率范(fan)圍內的(de)駐波系數(shu)、插入損耗應滿足要(yao)求。

陶瓷氣體放電管是防雷(電涌)保護設備中應用最廣泛的一種開關器件,無論是交直流電源的防雷還是各種信號電路的防雷,都可以用它來將雷電流泄放入地。其主要特點是:放電電流大,極間電容小(≤3pF),絕緣電阻高(≥10GΩ),擊穿電壓分散性較大,反應速度稍慢。按電極數分,有二極放電管和三極放電管(相當于兩個二極放電管串聯,公共接點接地)兩種。其外形為圓柱形,有帶引線和不帶引線兩種結構形式。
①直流擊穿電壓 VSdc:在放電管上施加 100V/s 的直流電壓時的擊穿電壓值。這是放電管的標稱電壓,常用的有 75V、90V、150V、230V、350V、470V 和 600V、800V、1500、2500、3KV 等幾種。其誤差范圍:一般的為±20%
②脈沖(chong)(沖(chong)擊)擊穿(chuan)(chuan)電(dian)(dian)壓(ya) VSP:在放電(dian)(dian)管上施加 1kV/μs 的(de)脈沖(chong)電(dian)(dian)壓(ya)時的(de)擊穿(chuan)(chuan)電(dian)(dian)壓(ya)值。因反應速度較慢,脈沖(chong)擊穿(chuan)(chuan)電(dian)(dian)壓(ya)要比(bi)直(zhi)流擊穿(chuan)(chuan)電(dian)(dian)壓(ya)高(gao)得多。
如有問題,可在官網聯系技術人員(//yxgc.net)
Customer Premise Equipment
無線 CPE 就是一種接收 wifi 信號的無線終端接入設備,可取代無線網卡等無線客戶端設備。可以接收無線路由器,無線 AP,無線基站等的無線信號,是一種新型的無線終端接入設備。
同時,它也(ye)是一種將高速 4G 信號(hao)轉換成 WiFi 信號(hao)的(de)設備,不過需要外接電源,但可支持(chi)同時上網的(de)移動終端數(shu)量也(ye)較多。CPE 可大(da)量應用(yong)于(yu)農村,城鎮,醫(yi)院,單位,工廠,小區等無(wu)線網絡接入,能節省鋪設有線網絡的(de)費用(yong)。
由于(yu) CPE 通常用(yong)于(yu)室外,所(suo)以要具備防雷(lei)擊(ji)浪涌的功能。

應用器件:壓敏電(dian)阻14D561K、TVS管5.0SMDJ15CA、ESD器件(jian)、自恢復保險絲(si)SMD1812-091.
如有疑問,可聯系相關工作人員。(yxgc.net)
UWB定位標(biao)簽(qian)(卡(ka)或手(shou)環等(deng)),能夠按(an)照設定的(de)通(tong)信協議(如BLE5.0)和(he)通(tong)信頻率向定位基站發送脈沖(chong)信息,從(cong)而實(shi)現(xian)人員(yuan)或物品(pin)的(de)實(shi)時(shi)精確(que)定位(可(ke)達10cm)。這種定位標(biao)簽(qian)采用(yong)可(ke)充電鋰(li)電池供電,可(ke)以連(lian)續使用(yong)3個月以上,同時(shi)定位標(biao)簽(qian)還可(ke)以通(tong)過報(bao)警按(an)鈕實(shi)現(xian)報(bao)警求救功能。
音特電(dian)子針對UWB定位標簽電(dian)路,提出有(you)效電(dian)路保護方案(an):

電(dian)(dian)源(yuan)端:定(ding)位標(biao)簽一般會采用通(tong)過USB端口(kou)給鋰電(dian)(dian)池充電(dian)(dian)的供(gong)電(dian)(dian)方案,這樣可(ke)能產(chan)生(sheng)浪涌電(dian)(dian)流和瞬間過電(dian)(dian)壓。針對浪涌電(dian)(dian)流,推薦使用音特電(dian)(dian)子過流保(bao)(bao)護(hu)器件,SMD1206-050自(zi)恢復保(bao)(bao)險絲(si)。而瞬態(tai)電(dian)(dian)壓的抑(yi)制,采用音特電(dian)(dian)子TVS器件,ESDSR05,同時可(ke)以有效保(bao)(bao)護(hu)從數據端口(kou)竄入的ESD干擾。
同時(shi),電源打開時(shi),可能產(chan)生瞬間過電壓,對MCU和(he)傳(chuan)感器(qi)模塊造(zao)成影(ying)響。因此對MCU和(he)傳(chuan)感器(qi)模塊電源端(duan),進行瞬態電壓抑制。

| 
 Designator  | 
 型號  | 
 主要參數  | 
 功能  | 
| 
 PPTC1,PPTC2  | 
 SMD1206-050  | 
 500mA,1206  | 
 自恢復,過流保護  | 
| 
 TVS1  | 
 SMAJ5.0CA  | 
 5V,DO-214AC  | 
 瞬態電壓抑制  | 
| 
 ESD1  | 
 ESDSR05  | 
 5V,SOT-143  | 
 多路保護  | 
無線收發(fa)端(duan)/Bluetooth 5.0收發(fa)控制端(duan):推薦采(cai)用(yong)TVS進行瞬態過壓保護。

| 
 Designator  | 
 型號  | 
 主要參數  | 
 功能  | 
| 
 ESD2  | 
 ESDLC5V0D3B  | 
 5V,1pF,SOD323  | 
 低容單路保護  | 
信號輸入端:主要考慮報警(jing)按鈕(niu),推薦采用ESD器件ESD5V0D8B,抑制人體靜電帶來(lai)的干(gan)擾,引起警(jing)報誤(wu)觸發(fa)警(jing)報。

| 
 Designator  | 
 型號  | 
 主要參數  | 
 功能  | 
| 
 TVS2  | 
 ESD5V0D8B  | 
 5V,SOD882  | 
 超小封裝  | 
在UWB定位系統中,定位基站的布置(zhi)決(jue)定了UWB定位的維(wei)度(零維(wei)、一維(wei)、二(er)維(wei)、三維(wei)),定位基站可以設置(zhi)為(wei)固定和移動兩種情況。
UWB定位(wei)基(ji)站與定位(wei)標簽(qian)之間主要有兩種方式來進行通訊:ToF與TDoA。
ToF(Time of Flight)為飛行(xing)時間測(ce)距(ju)法,通過(guo)測(ce)量脈沖信(xin)號(hao)從出發到返(fan)回的(de)時間,乘(cheng)以傳播速(su)度(du)(脈沖信(xin)號(hao)在空(kong)氣中的(de)傳播速(su)度(du)為定(ding)值v=300 000km/s),得到往返(fan)一次的(de)距(ju)離(li),除以2即為UWB定(ding)位標(biao)簽到定(ding)位基(ji)站(zhan)間的(de)距(ju)離(li)。
TDoA(Time Difference of Arrival) 到(dao)達時(shi)間(jian)差(cha)法,利用時(shi)間(jian)差(cha)進行(xing)計(ji)算(suan)的方法。精準的絕對時(shi)間(jian)相對較難測(ce)(ce)量,通過比較信號到(dao)達各(ge)個(ge)UWB定位基站的時(shi)間(jian)差(cha),計(ji)算(suan)出信號到(dao)各(ge)個(ge)定位基站的距(ju)離差(cha),就能(neng)作(zuo)出以定位基站為焦點,距(ju)離差(cha)為長軸(zhou)的雙(shuang)曲線,三(san)組雙(shuang)曲線的交點就是定位標(biao)簽的位置。ToF屬于雙(shuang)向(xiang)測(ce)(ce)距(ju)技(ji)術(shu),而TDoA則(ze)是單(dan)向(xiang)測(ce)(ce)距(ju)技(ji)術(shu)。
UWB定位基站主要組(zu)成(cheng)圖:

音特單子(zi)為UWB定位基(ji)站提供有(you)效的(de)電路(lu)保護:
DC供(gong)電(dian)電(dian)源:UWB定(ding)位基站的(de)電(dian)源主要為12~48V直流供(gong)電(dian),部分備有POE供(gong)電(dian)端口。針對(dui)12V~48VDC供(gong)電(dian),音(yin)特電(dian)子推薦采用(yong)工業(ye)級(ji)(ji)兩級(ji)(ji)浪涌(yong)保(bao)護方(fang)案(an),其保(bao)護電(dian)路如下:

| 
 類型  | 
 MOV1,2,3  | 
 GDT1  | 
 TVS1  | 
| 
 12V  | 
 14D820K  | 
 2R090L-8  | 
 SMCJ15CA或1.5KE18CA  | 
| 
 24V  | 
 14D820K  | 
 2R090L-8  | 
 SMCJ30CA或1.5KE36CA  | 
| 
 48V  | 
 14D101K  | 
 2R150L  | 
 SMDJ58CA  | 
以太網接口:音特電子保護方案主要保護以太網通訊模塊不受瞬態過電壓損壞,并為POE取電提供浪涌保護。推薦采用的電路保護方案如下:

| 
 Designator  | 
 型號  | 
 主要參數  | 
 功能  | 
| 
 ESD1、2、3、4  | 
 ESDLC5V0D3B  | 
 5V,1pF,SOD323  | 
 低容單路保護  | 
| 
 MOV4、5  | 
 10D820K  | 
 10mm,82V  | 
 大通流電壓鉗制  | 
| 
 TVS2  | 
 SMDJ58CA  | 
 58V,3000W,DO-214AB  | 
 瞬態電壓抑制  | 
無線(xian)通訊(xun)端:采用(yong)超低容1pF的(de)TVS器件進行靜電過壓(ya)保護,避免損(sun)壞無線(xian)模塊。

| 
 Designator  | 
 型號  | 
 主要參數  | 
 功能  | 
| 
 ESD5  | 
 ESDLC5V0D3B  | 
 5V,1pF,SOD323  | 
 低容單路保護  |