









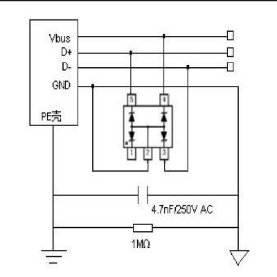
USB2.0 端口常用于提供(gong)電(dian)源,并經常為(wei)外設以及便(bian)攜電(dian)子產品充電(dian)。
根據 USB2.0 標準(zhun),USB 的(de)電源應(ying)當在 4.75V 至(zhi) 5.25V 之間(jian),提供至(zhi)少為(wei) 0.5A 的(de)連(lian)續電流。
USB2.0典型的故障包:感應式尖峰(feng)電(dian)(dian)壓、連(lian)接到(dao)高(gao)電(dian)(dian)壓充電(dian)(dian)器上(用戶操作失(shi)誤)、連(lian)接到(dao)供電(dian)(dian)質量(liang)遭受污(wu)染(ran)的電(dian)(dian)源。
感應(ying)發生的(de)電(dian)壓尖峰值可以超(chao)過 8V ,并損壞未采取保護(hu)措施的(de)外設。尖峰電(dian)壓現象發生在電(dian)源總線(xian)上存(cun)在一定的(de)電(dian)感且電(dian)流(liu)發生了快速變化的(de)情況(kuang)下。
電流的快(kuai)速改變可(ke)能(neng)來自于外設熱插拔、內部(bu)系統關機、或其它(ta)內部(bu)供電波(bo)動現象。
簡而(er)言之,USB 設(she)備可能(neng)承受超過 5V 的電(dian)壓(ya),應(ying)當針對這種情況采(cai)取保護措施。


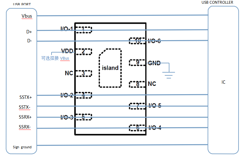
附件:音特電子USB2.0接口電路保(bao)護方案(an)
關注公眾號(hao):音特電子,輕松了解。
關(guan)鍵詞:USB2.0保護方案、ESDSRV05-4、ESDSR05。
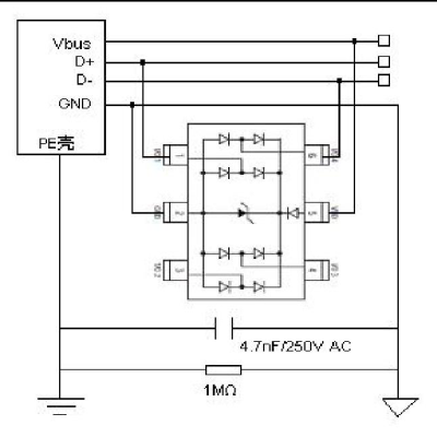
USB3.0
—— 也被認為是(shi) Super Speed USB;
——為那些與 PC 或音(yin)頻/高頻設備相連接的各種設備提(ti)供(gong)了(le)一個標準接口。
新的(de) USB 3.0在保持(chi)與 USB 2.0的(de)兼容性的(de)同時(shi),還提(ti)供了下面的(de)幾項(xiang)增強(qiang)功(gong)能:
● 極大提高了帶寬——高達5Gbps 全雙工(USB2.0則為480Mbps 半雙工);
● 實現了更好的電源管理;
● 能夠使主機為器件提供更多的功率,從而實現 USB——充電電池、LED 照明和迷你風扇等應用;
● 能夠使主機更快地(di)識(shi)別器件;
● 新的協議使得數據處理的效率更高。
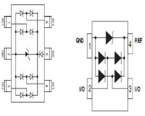
針對USB3.0 /5G速率的要求,音特電子YINT設計并生產的ESD0524P, DFN-10-2.5x1.0x0.6-0.5 封裝,電容量在0.6PF,超小空間特性,可以滿足4路線保護。
音特ESD0524P符合下述標準(zhun):   
| 標準 | 值 | 
| IEC 61000-4-2 (ESD) | ±15kV (air),±12kV (contact) | 
| IEC 61000-4-5 (Lightning) | 5A (8/20μs) | 
| IEC 61000-4-4 (EFT) | 40A (5/50ns) | 
| Operating Temperature | - 55 to +125 °C | 
| Storage Temperature | - 55 to +150 °C | 

附件:音特電子USB3.0接(jie)口(kou)電路保護方案
關注公眾號:音特電子,輕松了解。
關鍵詞:USB3.0接口(kou)保護、ESD0524P。
高(gao)分辨(bian)率(lv)多媒(mei)體接口(HDMI)是一種無壓縮(suo)的(de)(de)全數字音頻/視(shi)頻接口。它為視(shi)頻/音頻源設備(bei)與(yu)接收設備(bei)間(jian)提供(gong)了高(gao)速接口,如連接DVD機和(he)數字顯示器。現(xian)在(zai)的(de)(de)HDMI硅片的(de)(de)數字信號(hao)傳輸速度可達到10.2Gbps。電路(lu)制(zhi)造商持續不斷地縮(suo)小它們的(de)(de)器件(jian)中的(de)(de)晶體管、互連和(he)絕緣層的(de)(de)最(zui)(zui)小尺寸,從而(er)使高(gao)速器件(jian)的(de)(de)結構更(geng)小,最(zui)(zui)終導致(zhi)器件(jian)在(zai)較(jiao)低(di)的(de)(de)能級也更(geng)易于(yu)因擊(ji)穿效應而(er)損壞(huai)。
HDMI接口即是一種易受(shou)瞬間(jian)破壞的(de)外接端口,用(yong)于連接用(yong)戶端或帶電電纜。HDMI接口的(de)內部ESD保(bao)(bao)護(hu)不足以使(shi)圖像芯片(pian)免受(shou)破壞。為了確保(bao)(bao)該端口的(de)性(xing)能,消費(fei)電子制造商們(men)需要(yao)加強HDMI端口的(de)ESD性(xing)能,即如何在滿足 HDMI兼容性(xing)測試(shi)規范(CTS)的(de)信號完整性(xing)和(he)阻抗要(yao)求的(de)同時,根(gen)據(ju)全球認同的(de)ESD標準IEC61000-4-2硬化(hua)HDMI端口。

ESD 是代表英文ElectroStatic Discharge 即"靜電放電"的意思。ESD 是本世紀中期以來形成的以研究靜電的產生與衰減、靜電放電模型、靜電放電效應如電流熱(火花)效應(如靜電引起的著火與爆炸)及和電磁效應(如電磁干擾)等的學科。在高速接口電路設計中,對靜電放電的電磁場效應如電磁干擾(EMI)及電磁兼容性(EMC)問(wen)題越(yue)來越(yue)重視。這種(zhong)突然放電可能是(shi)(shi)由于(yu)直(zhi)接(jie)(jie)接(jie)(jie)觸或靜電場(chang)的(de)產(chan)生而引起的(de)。盡管ESD 對(dui)人體的(de)傷害并不多(duo)見,但對(dui)敏感(gan)電子器件卻(que)是(shi)(shi)致命的(de)。HDMI 圖像(xiang)芯片采用(yong)幾何(he)尺寸非常小(xiao)的(de)硅片制(zhi)造,對(dui)ESD非常敏感(gan)。大多(duo)數這類(lei)圖像(xiang)芯片內(nei)部均集成了ESD 保護;但是(shi)(shi),這種(zhong)措(cuo)施僅能提供(gong)受控制(zhi)造環境中的(de)保護[1]。在現實世(shi)界中,用(yong)戶經常接(jie)(jie)觸像(xiang)HDMI 這類(lei)接(jie)(jie)口,因此會(hui)引起ESD。
IEC61000-4-2 標準中(zhong)定義了(le)各種破壞程度。當人在(zai)地(di)毯上行走時(shi),累(lei)積電壓15KV 是很常見的。ESD 容易損壞甚(shen)至摧(cui)毀內部集成(cheng)電路。

IEC61000-4-2 標準參考(kao)人(ren)體模型(xing)(HBM),效(xiao)仿(fang)人(ren)體的(de)(de)各(ge)種ESD現象。IEC61000-4-2 分為四種測試程度(du),消費電子一般根據IEC61000-4-2 規范的(de)(de)第四級(ji)測試:8KV 接觸和(he)15KV空氣。盡管ESD 脈(mo)沖持續時間短(duan),其電壓和(he)電流幅度(du)足以破(po)壞敏感的(de)(de)IC。該(gai)標準相關的(de)(de)波形(xing)如下圖:

Figure 1 ESD pulse waveform according to IEC 61000-4-2
     — 非常高的二極管開關速度(納秒級)和超低線電容(<1pF)可以確保信號完整性;
     — 經受若干次ESD靜電沖擊之后,ESD靜電保護性能沒有退化;
     — 即使經過幾百次ESD靜電放電之后,泄漏保持為低;
     — 以小的占位面積實現最高的集成度;
     — PCB 層面的RF 布線優化封裝;
     — 完全(quan)符合HDMI 1.3 規范要(yao)求;
可以直接使用于2對100歐的差分阻抗信號線 ,無論它的板式 ,層數,厚度以及電路板的材質 ,對于促進高速快效電路設計,ESD0524P 這種小型無鉛且只有0.5mm間矩封裝 非常適合于流線布局 ,這種緊密間矩的封裝設計 可以幫助減小布線的不連續性及增加共模噪聲抑制 。
對于流線型高速信號線設計 和滿足信號線阻抗要求 ,ESD0524P的特殊設計 提供了ESD 的4線保護要求 ,符合IEC61000-4-2 ESD標準(±8KV CONTACT ESD 和 ±15KV Air ESD) , 同時提供卓越的嵌位電壓特性 ,減少HDMI芯片的過壓應力 ,提高HDMI 整體系統的可靠性 !
Figure 2 Flow-through layout of YINT‘S ESD0524P for HDMI Applications
這種低電容 ,低嵌位電壓 ,和低操作電壓 ,再加上它的獨特封裝設計 ,使它成為一個卓越的HDMI應用保護裝置 ,ESD0524P’S TDR and eye pattern performance Figure 3 、Figure 4
respectively, show the TDR results on 4-layer and 2-layer HDMI evaluation boards. Both results show that the TDR has met, and is well within, the HDMI CTS requirement (100 Ohm ± 15% for differential impedance).

Figure 3: ESD0524P 4-Layer HDMI TDR Result          Figure 5: ESD0524P HDMI Eye Pattern Result
                                                                            (1.48Gbps)

Figure 4: ESD0524P 2-Layer HDMI TDR Result          Figure 6: ESD0524P HDMI Eye Pattern Result
                                                                            (2.25Gbps)
關注微信(xin)公眾(zhong)號:音特電子(zi) 了解更多電路保護元(yuan)器件信(xin)息(xi)
音特研(yan)發組:yxgc.net
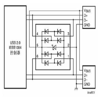
IEEE1394接口是蘋果公司開發(fa)的串行標準,俗(su)稱火線接口(firewire)。
同(tong)USB一樣,IEEE1394也(ye)支(zhi)持外設(she)熱(re)插(cha)拔,可為外設(she)提供電源(yuan),省去了外設(she)自帶的電源(yuan),能連接多(duo)個不同(tong)設(she)備,支(zhi)持同(tong)步數(shu)據(ju)傳(chuan)輸(shu)。
廣(guang)泛應用于局域多媒體互連,如PC,攝像機(ji)(ji),錄像機(ji)(ji),打印機(ji)(ji),掃描儀等的(de)互連。
IEEE1394規定的電纜是(shi)6芯(xin)線(xian),電纜外(wai)層有(you)一層總屏蔽(bi),其中(zhong)有(you)兩(liang)對屏蔽(bi)雙(shuang)絞線(xian),一對用(yong)(yong)于傳送數據,另一對用(yong)(yong)于傳送時(shi)鐘信號。一對電源(yuan)線(xian),為總線(xian)上處(chu)于等(deng)待方式的設(she)備供電,或(huo)者直接給低功耗外(wai)圍設(she)備供電。
掌(zhang)上(shang)設(she)備(bei)使(shi)用的更軟的線,去掉(diao)了電源線,使(shi)用4芯(xin)接口。
IEEE 1394使用低電(dian)壓(ya)差分信號系(xi)統(工作電(dian)壓(ya)介于1.20V至2.00V之間),最大(da)數據傳輸(shu)率為(wei)400 Mbps(1394a)至1,600 Mbps(1394b)。 到達該數據傳輸(shu)率范圍(wei)時,應最小化抑制器的電(dian)容量。
需避免受到 ESD 影響的信號線路包括:TPA+、TPA-、TPB+和(he)TPB-。
同時也需要防(fang)止30VDC電源總線受到ESD和(he)過電流的危害。
實際使用中 Ethernet 接口是一(yi)個125 MHz 的時(shi)鐘頻(pin)率,工作為2 V 數字電(dian)平信(xin)號。
產品在(zai)室內、短通訊(xun)數據線應用,因(yin)此(ci)從以(yi)太網接口輸入需(xu)要防護的通常是(shi) ESD 的威脅。
一.千兆網絡靜電(dian)保護
使用音特(te)電(dian)子ESD0524P/ESDVLC05-4等ESD器件(jian),電(dian)容低至0.35pF,進(jin)行(xing)4線保護。
符合標(biao)準(zhun):IEC 61000-4-2 Level 4 (Contact: 12 kV Air: 17 kV)
優(you)點:提(ti)供(gong)高速(su)數(shu)據傳輸(shu)需要,無信號(hao)損(sun)失(shi)、不影響(xiang)速(su)率
附件:音特電子(zi)以太網接口電路保護(hu)方(fang)案
引言:
音特電子 提供(gong)一(yi)系(xi)列接口保(bao)護器件,主要有HDMI、SD卡、SDI、USB、音視頻、底部(bu)連(lian)接器、鍵盤、CANbus等(deng)等(deng)......



ESD靜電保護元器件:ESDSRVLC05-4 封裝:SOT23-6L

ESD靜電保護元器件:ESD5V0K5 封裝:SOT-363

ESD靜電保(bao)護元(yuan)器件:ESD5V0J4 封裝:SOT-353 (保(bao)護地與信號地間距(ju)大于0.0254mm)
ESD靜電保護元(yuan)器件:ESDSRVLC05-4 封裝(zhuang):SOT-23-6


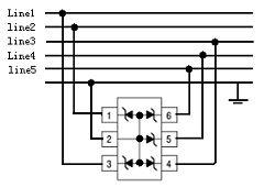
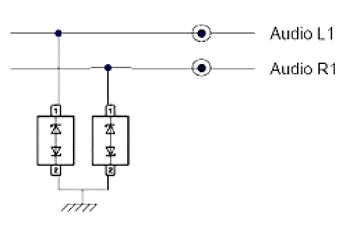
2.Audio線路的保護
ESD靜(jing)電保(bao)護元器件:ESD5V0M5 封裝:SOT-563
ESD靜電保(bao)護元器件:ESD5V0AP 封裝(zhuang):SOT-23 或 ESD5V0D3 SOD-323



3.CAN總線(xian)路的保護
車載24V ESD24VAP / SOT-23

I/O線接法:

4. MIC麥克風/話筒(tong)的保護
ESD靜電二極管器件:ESD5V0D3封裝:SOD-323或ESDBLC5V0AP 封裝:SOT-23

5. SD卡的(de)保護
ESD靜(jing)電二極管(guan)器件:ESD5.0VL07封裝(zhuang):SOIC-08
ESD靜電二極(ji)管器件: ESD5V0L4封裝:SOT-553 或ESDLC5V0D3B封裝:SOD-323

6. SDI卡的保護(hu)
ESD靜電(dian)二極(ji)管器件:ESDLC5V0D3B封裝:SOD-323

7. SIM卡的保護
ESD防靜電二(er)極管(guan):ESDSRVLC05-

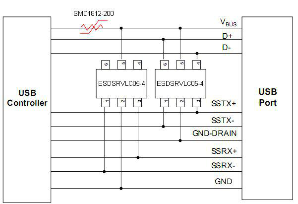
8. USB3.0接口(kou)保(bao)護
ESD防(fang)靜電二極管:ESDSRVLC05-4 2PCS



關注(zhu)公(gong)眾號:音特電子(zi),輕(qing)松了解。
關鍵(jian)詞:接口(kou)保護、ESD防靜電(dian)二極管。