






機頂盒保護方案
機頂(ding)(ding)盒(he)(Set Top Box, 簡稱 STB),是一個連接電視(shi)機與外部信號源(yuan)的(de)(de)(de)設備(bei)。它(ta)可以(yi)將(jiang)壓縮的(de)(de)(de)數(shu)(shu)字信號轉成(cheng)電視(shi)內容,并(bing)在電視(shi)機上顯(xian)示出(chu)來。從最初只是接收數(shu)(shu)字電視(shi)信號的(de)(de)(de)簡單功能機頂(ding)(ding)盒(he)到(dao)如今(jin)功能繁多(duo)的(de)(de)(de)各種(zhong)機頂(ding)(ding)盒(he)高(gao)清播(bo)放器,隨著機頂(ding)(ding)盒(he)技術的(de)(de)(de)發展(zhan),如今(jin)的(de)(de)(de)機頂(ding)(ding)盒(he)在數(shu)(shu)據支(zhi)持(chi)上能完成(cheng)諸多(duo)高(gao)清,交互,多(duo)模,多(duo)格式的(de)(de)(de)解(jie)碼。而在接口方(fang)面,為(wei)獲得更多(duo)的(de)(de)(de)數(shu)(shu)據來源(yuan),設備(bei)普遍(bian)也能夠提供許多(duo)種(zhong)類(lei)的(de)(de)(de)選擇,一般都(dou)能夠支(zhi)持(chi) USB、HDMI、以(yi)太網接口、硬盤(pan)接口等。
不(bu)同(tong)類型(xing)接(jie)(jie)口的(de)(de)(de)(de)(de)(de)支持,使(shi)得如(ru)今的(de)(de)(de)(de)(de)(de)高清播放器(qi)的(de)(de)(de)(de)(de)(de)娛(yu)樂功能(neng)日益(yi)強大,但是(shi)也(ye)帶來(lai)了諸多對不(bu)同(tong)接(jie)(jie)口保(bao)(bao)護的(de)(de)(de)(de)(de)(de)要(yao)求。我們知道各種數據類型(xing)的(de)(de)(de)(de)(de)(de)接(jie)(jie)口在熱插(cha)拔的(de)(de)(de)(de)(de)(de)過(guo)程中都容易受到過(guo)壓過(guo)流(liu)靜電(dian)等許多故(gu)障狀態的(de)(de)(de)(de)(de)(de)影響,機(ji)頂盒和高清播放器(qi)的(de)(de)(de)(de)(de)(de)廠家(jia)必須在產(chan)品(pin)的(de)(de)(de)(de)(de)(de)設計過(guo)程中考慮到不(bu)同(tong)的(de)(de)(de)(de)(de)(de)意外(wai)因(yin)素,而在接(jie)(jie)口的(de)(de)(de)(de)(de)(de)輸入端(duan)增(zeng)加相對應的(de)(de)(de)(de)(de)(de)保(bao)(bao)護,這(zhe)樣才能(neng)減(jian)少(shao)產(chan)品(pin)的(de)(de)(de)(de)(de)(de)返修(xiu)率(lv),并給客戶(hu)提供(gong)良好(hao)的(de)(de)(de)(de)(de)(de)使(shi)用(yong)體驗。我們接(jie)(jie)下來(lai)將會針對于這(zhe)些在機(ji)頂盒上常見的(de)(de)(de)(de)(de)(de)接(jie)(jie)口來(lai)看一(yi)下使(shi)用(yong)什么保(bao)(bao)護器(qi)件能(neng)夠很好(hao)的(de)(de)(de)(de)(de)(de)保(bao)(bao)護設備。
首先是(shi)(shi) USB 的(de)(de)(de)接(jie)(jie)口,無論是(shi)(shi) USB2.0 還是(shi)(shi)目前(qian)逐漸普及(ji)的(de)(de)(de) USB3.0,USB 接(jie)(jie)口是(shi)(shi)我們最常見并且使(shi)用(yong)最廣泛(fan)的(de)(de)(de)數(shu)據接(jie)(jie)口。在(zai)便捷的(de)(de)(de)使(shi)用(yong)過(guo)程中(zhong),我們也會經常遇到一(yi)些(xie)故(gu)障(zhang)狀態(tai),其(qi)中(zhong)比較常見的(de)(de)(de)就是(shi)(shi)由于 USB 從(cong)(cong)設(she)備短(duan)路(lu)故(gu)障(zhang)而(er)導致的(de)(de)(de) USB 主設(she)備的(de)(de)(de)損傷,使(shi)用(yong) PolySwitch PPTC(正溫(wen)度系數(shu)熱(re)敏電(dian)阻)器件(jian)(jian)是(shi)(shi)一(yi)個(ge)高性價(jia)比的(de)(de)(de)防護(hu)(hu)方案,在(zai)短(duan)路(lu)故(gu)障(zhang)狀態(tai)下,PPTC 器件(jian)(jian)能夠快速的(de)(de)(de)動作從(cong)(cong)低阻態(tai)轉為高阻態(tai),從(cong)(cong)而(er)限(xian)制電(dian)流保護(hu)(hu) USB 的(de)(de)(de)設(she)備。另一(yi)種 USB 常見的(de)(de)(de)故(gu)障(zhang)是(shi)(shi)由靜(jing)電(dian)噪音帶(dai)來的(de)(de)(de),在(zai)熱(re)插拔的(de)(de)(de)過(guo)程中(zhong),靜(jing)電(dian)的(de)(de)(de)影響非常的(de)(de)(de)明顯,為減(jian)少(shao)靜(jing)電(dian)給電(dian)路(lu)帶(dai)來的(de)(de)(de)影響,我們可以使(shi)用(yong) SESD (硅(gui)基 ESD 保護(hu)(hu)器件(jian)(jian)),SESD 器件(jian)(jian)電(dian)容(rong)低、鉗位(wei)電(dian)壓低、ESD 抵抗能量高、封裝尺寸(cun)小,是(shi)(shi) USB 接(jie)(jie)口靜(jing)電(dian)防護(hu)(hu)的(de)(de)(de)理(li)想(xiang)選(xuan)擇。下圖 1 是(shi)(shi)在(zai) USB 端口上(shang)使(shi)用(yong) PPTC器件(jian)(jian)與(yu) SESD 器件(jian)(jian)保護(hu)(hu)的(de)(de)(de)典型應(ying)用(yong)。
HDMI 也(ye)是如今非常流(liu)行的(de)(de)一種(zhong)多媒體信(xin)號接(jie)(jie)口(kou),類似(si)于 USB 的(de)(de)接(jie)(jie)口(kou),HDMI 接(jie)(jie)口(kou)在(zai)(zai)使用過(guo)程(cheng)中也(ye)容易受(shou)到(dao)短路過(guo)流(liu),靜(jing)電等各(ge)種(zhong)故障狀態,同(tong)樣我們可以使用 PPTC 器(qi)(qi)件與 SESD 器(qi)(qi)件來保護接(jie)(jie)口(kou)免(mian)受(shou)故障的(de)(de)侵擾。如圖 2,在(zai)(zai) HDMI 端口(kou)的(de)(de)電源線(xian)上(shang)使用 PPTC 進行過(guo)流(liu)保護,在(zai)(zai)其他的(de)(de)信(xin)號線(xian)上(shang)使用多通(tong)道(dao)的(de)(de) SESD 防護靜(jing)電。
1
許多(duo)機頂盒(he)設備(bei)會有直(zhi)(zhi)流(liu)電(dian)(dian)(dian)源(yuan)輸入端口(kou),需(xu)要使用 AC/DC 適(shi)(shi)配(pei)器供(gong)電(dian)(dian)(dian),而我們(men)的(de)(de)(de)生活(huo)中(zhong)有太多(duo)的(de)(de)(de)設備(bei)需(xu)要類似(si)的(de)(de)(de)適(shi)(shi)配(pei)器供(gong)電(dian)(dian)(dian),不(bu)(bu)同(tong)的(de)(de)(de)適(shi)(shi)配(pei)器可能有不(bu)(bu)同(tong)的(de)(de)(de)供(gong)電(dian)(dian)(dian)電(dian)(dian)(dian)壓,功率,甚至于(yu)(yu)電(dian)(dian)(dian)源(yuan)的(de)(de)(de)正負(fu)極(ji)(ji)性,適(shi)(shi)配(pei)器的(de)(de)(de)錯誤使用會給(gei)設備(bei)帶來(lai)嚴重的(de)(de)(de)損壞(huai),另外在適(shi)(shi)配(pei)器插拔過(guo)程中(zhong)形成(cheng)的(de)(de)(de)尖峰噪音(yin)也會給(gei)負(fu)載電(dian)(dian)(dian)路帶來(lai)傷害(hai)。對于(yu)(yu)類似(si)電(dian)(dian)(dian)源(yuan)口(kou)的(de)(de)(de)保護(hu),音(yin)特電(dian)(dian)(dian)路保護(hu)部的(de)(de)(de) PPTC 和 TVS 系列(lie)器件(jian),作為(wei)一種表面貼(tie)裝的(de)(de)(de)獨立(li)器件(jian),能夠(gou)同(tong)時完成(cheng)過(guo)壓,過(guo)流(liu),電(dian)(dian)(dian)源(yuan)誤接,電(dian)(dian)(dian)源(yuan)逆接等多(duo)方位的(de)(de)(de)保護(hu)。小體(ti)積(ji)的(de)(de)(de)設計使其(qi)十(shi)分適(shi)(shi)用于(yu)(yu)空間(jian)狹小的(de)(de)(de)薄型緊(jin)湊型環境(jing),在故(gu)障(zhang)狀(zhuang)態(tai)(tai)時,瞬態(tai)(tai)抑(yi)制(zhi)(zhi)二極(ji)(ji)管能快(kuai)速(su)有效的(de)(de)(de)鉗位電(dian)(dian)(dian)壓并(bing)分流(liu)故(gu)障(zhang)電(dian)(dian)(dian)流(liu),而 PPTC 組件(jian)則可以(yi)繼而快(kuai)速(su)的(de)(de)(de)關斷過(guo)大(da)的(de)(de)(de)電(dian)(dian)(dian)流(liu),從而幫助(zhu)保護(hu)瞬態(tai)(tai)抑(yi)制(zhi)(zhi)二極(ji)(ji)管和下(xia)游電(dian)(dian)(dian)子組件(jian)。下(xia)圖3描述了 直(zhi)(zhi)流(liu)輸入端口(kou)保護(hu)的(de)(de)(de)典型應用。
對于(yu)機頂盒設備(bei)上的(de) RJ45 端口,同(tong)樣考慮到因為(wei)頻(pin)繁(fan)插拔時由(you)于(yu)靜電而導(dao)致的(de)設備(bei)損害,在(zai)端口也可以增加上 SESD 器(qi)件來保護靜電干擾(rao)。圖4分別展示了在(zai) 10/100baseT 及 1G Ethernet 上使用 SESD 器(qi)件進行(xing)保護的(de)應用。
對于(yu)機頂盒上的(de) xDSL 端口(kou),可(ke)(ke)以考慮使(shi)用(yong)(yong)氣體放電(dian)管 (GDT) 器(qi)(qi)件(jian)(jian)(jian)與 PPTC 器(qi)(qi)件(jian)(jian)(jian)組合的(de)電(dian)路(lu)來保(bao)(bao)護(hu)設備。GDT 器(qi)(qi)件(jian)(jian)(jian)可(ke)(ke)以在電(dian)路(lu)的(de)一級保(bao)(bao)護(hu)中使(shi)用(yong)(yong),在雷擊保(bao)(bao)護(hu)中可(ke)(ke)以起到暫(zan)態的(de)過(guo)(guo)電(dian)流和限制(zhi)過(guo)(guo)電(dian)壓的(de)作用(yong)(yong),而PPTC 器(qi)(qi)件(jian)(jian)(jian)可(ke)(ke)以在電(dian)力線碰觸(chu)(chu)保(bao)(bao)護(hu)中,對過(guo)(guo)流故障起到很好的(de)保(bao)(bao)護(hu)作用(yong)(yong)。圖5電(dian)路(lu)是使(shi)用(yong)(yong) PPTC 與 GDT 器(qi)(qi)件(jian)(jian)(jian)進行雷擊及電(dian)力線碰觸(chu)(chu)保(bao)(bao)護(hu)的(de)典型應用(yong)(yong)。
2
綜上所訴,當今的(de)(de)機頂盒已經能(neng)(neng)夠提(ti)供(gong)各(ge)種各(ge)樣的(de)(de)多(duo)媒(mei)體娛樂功能(neng)(neng),而在同(tong)時(shi)我(wo)們也(ye)關(guan)注到,設備需要支持(chi)多(duo)種數(shu)據接(jie)口(kou)來(lai)幫(bang)助(zhu)獲得(de)各(ge)種多(duo)媒(mei)體的(de)(de)數(shu)據資源,怎樣更好的(de)(de)提(ti)供(gong)這(zhe)些接(jie)口(kou)的(de)(de)保(bao)(bao)護(hu)是(shi)設備是(shi)否能(neng)(neng)給客戶提(ti)供(gong)良好使用體驗的(de)(de)關(guan)鍵。TE 公司的(de)(de)電(dian)路保(bao)(bao)護(hu)部門能(neng)(neng)夠提(ti)供(gong) , , , 等多(duo)種電(dian)路保(bao)(bao)護(hu)器件,給不同(tong)的(de)(de)電(dian)源與數(shu)據接(jie)口(kou)帶來(lai)完善的(de)(de)綜合(he)保(bao)(bao)護(hu)。
3
半導體封裝形式介紹
摘 要:半導體(ti)器件(jian)有(you)(you)許多(duo)封(feng)(feng)(feng)裝(zhuang)(zhuang)(zhuang)型式,從 DIP 、SOP 、QFP 、PGA 、BGA 到 CSP 再到 SIP,技(ji)術指標(biao)一(yi)(yi)代(dai)(dai)比一(yi)(yi)代(dai)(dai)先(xian)進,這(zhe)些都是(shi)前人根據(ju)當(dang)時的(de)(de)(de)組(zu)裝(zhuang)(zhuang)(zhuang)技(ji)術和市場需求而(er)研(yan)制的(de)(de)(de)。總體(ti)說(shuo)來,它(ta)大(da)概(gai)有(you)(you)三(san)次(ci)重大(da)的(de)(de)(de)革新(xin)(xin):第一(yi)(yi)次(ci)是(shi)在上世紀 80 年代(dai)(dai)從引(yin)腳插入式封(feng)(feng)(feng)裝(zhuang)(zhuang)(zhuang)到表面貼片封(feng)(feng)(feng)裝(zhuang)(zhuang)(zhuang),極大(da)地提高了印(yin)刷電路板上的(de)(de)(de)組(zu)裝(zhuang)(zhuang)(zhuang)密度;第二次(ci)是(shi)在上世紀 90 年代(dai)(dai)球型矩正封(feng)(feng)(feng)裝(zhuang)(zhuang)(zhuang)的(de)(de)(de)出現,它(ta)不(bu)但滿足了市場高引(yin)腳的(de)(de)(de)需求,而(er)且大(da)大(da)地改善了半導體(ti)器件(jian)的(de)(de)(de)性能;晶片級封(feng)(feng)(feng)裝(zhuang)(zhuang)(zhuang)、系統封(feng)(feng)(feng)裝(zhuang)(zhuang)(zhuang)、芯片級封(feng)(feng)(feng)裝(zhuang)(zhuang)(zhuang)是(shi)現在第三(san)次(ci)革新(xin)(xin)的(de)(de)(de)產物(wu),其目的(de)(de)(de)就是(shi)將(jiang)封(feng)(feng)(feng)裝(zhuang)(zhuang)(zhuang)減(jian)到最(zui)小。每一(yi)(yi)種(zhong)封(feng)(feng)(feng)裝(zhuang)(zhuang)(zhuang)都有(you)(you)其獨(du)特的(de)(de)(de)地方,即其優(you)點和不(bu)足之處,而(er)所(suo)用的(de)(de)(de)封(feng)(feng)(feng)裝(zhuang)(zhuang)(zhuang)材(cai)料(liao),封(feng)(feng)(feng)裝(zhuang)(zhuang)(zhuang)設(she)備,封(feng)(feng)(feng)裝(zhuang)(zhuang)(zhuang)技(ji)術根據(ju)其需要而(er)有(you)(you)所(suo)不(bu)同。驅動半導體(ti)封(feng)(feng)(feng)裝(zhuang)(zhuang)(zhuang)形式不(bu)斷發展的(de)(de)(de)動力是(shi)其價格和性能。
關鍵詞:半導(dao)體; 芯片級封裝(zhuang); 系統封裝(zhuang); 晶片級
1 半導體器件封裝概述
電子(zi)產品(pin)是由半導體(ti)器(qi)件(jian)(集(ji)成電路(lu)和(he)分(fen)(fen)(fen)立器(qi)件(jian))、印刷(shua)線(xian)(xian)路(lu)板、導線(xian)(xian)、整機框架(jia)、外(wai)殼(ke)及顯(xian)示等部(bu)分(fen)(fen)(fen)組(zu)成,其(qi)中集(ji)成電路(lu)是用來(lai)處理和(he)控制信號(hao),分(fen)(fen)(fen)立器(qi)件(jian)通常是信號(hao)放(fang)大,印刷(shua)線(xian)(xian)路(lu)板和(he)導線(xian)(xian)是用來(lai)連接(jie)信號(hao),整機框架(jia)外(wai)殼(ke)是起支撐(cheng)和(he)保護作(zuo)用,顯(xian)示部(bu)分(fen)(fen)(fen)是作(zuo)為與(yu)人(ren)溝通的接(jie)口。所(suo)以說半導體(ti)器(qi)件(jian)是電子(zi)產品(pin)的主要和(he)重要組(zu)成部(bu)分(fen)(fen)(fen),在(zai)電子(zi)工(gong)業(ye)有“工(gong)業(ye)之米" 的美稱。
我國在(zai)上世(shi)紀(ji) 60 年(nian)代自行研制和(he)生產(chan)了(le)第一(yi)臺(tai)計(ji)算(suan)機(ji),其(qi)占用面(mian)積大(da)(da)約(yue)為 100 m2 以上,現在(zai)的便攜式(shi)計(ji)算(suan)機(ji)只有書包(bao)大(da)(da)小(xiao),而(er)(er)將來(lai)的計(ji)算(suan)機(ji)可能(neng)只與鋼筆一(yi)樣大(da)(da)小(xiao)或更(geng)小(xiao)。計(ji)算(suan)機(ji)體積的這種迅(xun)速縮小(xiao)而(er)(er)其(qi)功能(neng)越(yue)來(lai)越(yue)強大(da)(da)就是(shi)半(ban)導體科(ke)技發展的一(yi)個很好的佐證,其(qi)功勞主(zhu)要(yao)歸結(jie)于(yu): (1)半(ban)導體芯片集(ji)成度(du)的大(da)(da)幅(fu)度(du)提(ti)(ti)高(gao)和(he)晶圓制造(Wafer fabrication)中光(guang)刻精度(du)的提(ti)(ti)高(gao),使得芯片的功能(neng)日益(yi)強大(da)(da)而(er)(er)尺寸(cun)反而(er)(er)更(geng)小(xiao); (2)半(ban)導體封裝(zhuang)技術的提(ti)(ti)高(gao)從而(er)(er)大(da)(da)大(da)(da)地(di)提(ti)(ti)高(gao)了(le)印刷線路板(ban)上集(ji)成電路的密集(ji)度(du),使得電子(zi)產(chan)品的體積大(da)(da)幅(fu)度(du)地(di)降低。
半導(dao)體(ti)組(zu)裝(zhuang)(zhuang)(zhuang)技(ji)術(Assembly)的(de)提高主(zhu)要(yao)體(ti)現在它的(de)封(feng)(feng)(feng)裝(zhuang)(zhuang)(zhuang)型式(shi)(shi)()不斷(duan)發展(zhan)。通常所指(zhi)的(de)組(zu)裝(zhuang)(zhuang)(zhuang)(Assembly)可定(ding)義為:利用(yong)膜技(ji)術及微細連接(jie)技(ji)術將半導(dao)體(ti)芯(xin)片(Chip)和框架(Leadframe)或基(ji)板(Sulbstrate)或塑(su)料薄(bo)片(Film)或印刷線路板中的(de)導(dao)體(ti)部(bu)分連接(jie)以便引出接(jie)線引腳,并通過(guo)可塑(su)性絕(jue)緣介質灌封(feng)(feng)(feng)固定(ding),構(gou)成整體(ti)立體(ti)結構(gou)的(de)工藝技(ji)術。它具(ju)有電(dian)路連接(jie),物理支撐(cheng)和保護,外場屏蔽,應力(li)緩沖,散熱,尺(chi)寸過(guo)度和標準化的(de)作用(yong)。從三極管時代的(de)插入式(shi)(shi)封(feng)(feng)(feng)裝(zhuang)(zhuang)(zhuang)以及 20世紀 80 年代的(de)表面貼裝(zhuang)(zhuang)(zhuang)式(shi)(shi)封(feng)(feng)(feng)裝(zhuang)(zhuang)(zhuang),發展(zhan)到現在的(de)模塊(kuai)封(feng)(feng)(feng)裝(zhuang)(zhuang)(zhuang),系統封(feng)(feng)(feng)裝(zhuang)(zhuang)(zhuang)等等,前人已經研究出很多封(feng)(feng)(feng)裝(zhuang)(zhuang)(zhuang)形(xing)式(shi)(shi),每一種新(xin)封(feng)(feng)(feng)裝(zhuang)(zhuang)(zhuang)形(xing)式(shi)(shi)都(dou)有可能(neng)要(yao)用(yong)到新(xin)材料,新(xin)工藝或新(xin)設備。
驅(qu)動半導(dao)(dao)體封(feng)(feng)裝形式不(bu)斷發展的動力是(shi)(shi)其價格(ge)和(he)(he)性(xing)(xing)(xing)能(neng)(neng)。電子市場(chang)的最終(zhong)客戶(hu)(hu)可分為(wei) 3 類:家庭用(yong)(yong)(yong)(yong)戶(hu)(hu)、工(gong)業用(yong)(yong)(yong)(yong)戶(hu)(hu)和(he)(he)國家用(yong)(yong)(yong)(yong)戶(hu)(hu)。家庭用(yong)(yong)(yong)(yong)戶(hu)(hu)最大的特點是(shi)(shi)價格(ge)便宜而性(xing)(xing)(xing)能(neng)(neng)要(yao)求(qiu)不(bu)高;國家用(yong)(yong)(yong)(yong)戶(hu)(hu)要(yao)求(qiu)高性(xing)(xing)(xing)能(neng)(neng)而價格(ge)通(tong)常(chang)是(shi)(shi)普通(tong)用(yong)(yong)(yong)(yong)戶(hu)(hu)的幾(ji)十(shi)倍甚至幾(ji)千倍,主要(yao)用(yong)(yong)(yong)(yong)在軍事和(he)(he)航天等方面;工(gong)業用(yong)(yong)(yong)(yong)戶(hu)(hu)通(tong)常(chang)是(shi)(shi)價格(ge)和(he)(he)性(xing)(xing)(xing)能(neng)(neng)都(dou)介于以上(shang)兩者(zhe)之間。低價格(ge)要(yao)求(qiu)在原有的基礎上(shang)降低成本(ben),這樣(yang)材料用(yong)(yong)(yong)(yong)得越少越好,一次性(xing)(xing)(xing)產(chan)出(chu)越大越好。高性(xing)(xing)(xing)能(neng)(neng)要(yao)求(qiu)產(chan)品壽命長,能(neng)(neng)耐(nai)高低溫(wen)及高濕度等惡劣環(huan)境。半導(dao)(dao)體生(sheng)產(chan)廠家時時刻刻都(dou)想方設法降低成本(ben)和(he)(he)提高性(xing)(xing)(xing)能(neng)(neng),當然也有其它的因素如環(huan)保要(yao)求(qiu)和(he)(he)專利問題迫(po)使他們改變封(feng)(feng)裝型式。
2 封裝的作用
封裝(Package)對于芯(xin)片(pian)來(lai)說是必須的,也是至關(guan)重要的。封裝也可以說是指安裝半(ban)導(dao)(dao)體集(ji)成電(dian)路(lu)芯(xin)片(pian)用(yong)(yong)(yong)的外殼(ke),它不(bu)僅起(qi)著保護芯(xin)片(pian)和增強導(dao)(dao)熱性能的作(zuo)用(yong)(yong)(yong),而且還是溝通(tong)(tong)芯(xin)片(pian)內部世界(jie)與外部電(dian)路(lu)的橋梁和規(gui)格通(tong)(tong)用(yong)(yong)(yong)功(gong)能的作(zuo)用(yong)(yong)(yong)。封裝的主要作(zuo)用(yong)(yong)(yong)有:
(1)物理保護。因為(wei)芯(xin)片(pian)(pian)必須與外界隔離,以防(fang)止空氣(qi)中(zhong)的(de)(de)雜(za)質對芯(xin)片(pian)(pian)電路的(de)(de)腐蝕(shi)而(er)造成電氣(qi)性能(neng)(neng)下降,保護芯(xin)片(pian)(pian)表面以及(ji)(ji)連接引線等(deng),使(shi)相當(dang)柔嫩的(de)(de)芯(xin)片(pian)(pian)在電氣(qi)或(huo)熱物理(li)等(deng)方面免(mian)受外力損害(hai)及(ji)(ji)外部環(huan)境(jing)的(de)(de)影響;同時(shi)通過封裝(zhuang)使(shi)芯(xin)片(pian)(pian)的(de)(de)熱膨(peng)(peng)脹系(xi)數(shu)與框架(jia)或(huo)基板的(de)(de)熱膨(peng)(peng)脹系(xi)數(shu)相匹配(pei),這樣就能(neng)(neng)緩解(jie)由(you)于(yu)(yu)熱等(deng)外部環(huan)境(jing)的(de)(de)變化而(er)產(chan)生的(de)(de)應力以及(ji)(ji)由(you)于(yu)(yu)芯(xin)片(pian)(pian)發熱而(er)產(chan)生的(de)(de)應力,從而(er)可防(fang)止芯(xin)片(pian)(pian)損壞(huai)失效。基于(yu)(yu)散(san)熱的(de)(de)要(yao)求,封裝(zhuang)越薄越好(hao),當(dang)芯(xin)片(pian)(pian)功耗大于(yu)(yu) 2W 時(shi),在封裝(zhuang)上需要(yao)增加散(san)熱片(pian)(pian)或(huo)熱沉(chen)片(pian)(pian),以增強(qiang)其散(san)熱冷卻功能(neng)(neng);5~1OW 時(shi)必須采取強(qiang)制(zhi)冷卻手(shou)段(duan)。另(ling)一方面,封裝(zhuang)后的(de)(de)芯(xin)片(pian)(pian)也更(geng)便于(yu)(yu)安(an)裝(zhuang)和運輸(shu)。
(2)電氣連接。封裝(zhuang)的(de)(de)(de)尺寸調(diao)整(間(jian)距(ju)變(bian)換(huan))功能可(ke)由(you)芯片(pian)(pian)的(de)(de)(de)極(ji)細(xi)引(yin)線間(jian)距(ju),調(diao)整到(dao)(dao)實裝(zhuang)基板的(de)(de)(de)尺寸間(jian)距(ju),從(cong)而便于實裝(zhuang)操作(zuo)。例如從(cong)以(yi)亞微(wei)米(mi)(目(mu)前已(yi)達到(dao)(dao)0.1 3μm 以(yi)下)為特(te)(te)征尺寸的(de)(de)(de)芯片(pian)(pian),到(dao)(dao)以(yi) 10μm 為單(dan)(dan)(dan)位的(de)(de)(de)芯片(pian)(pian)焊點,再到(dao)(dao)以(yi) 100μm 為單(dan)(dan)(dan)位的(de)(de)(de)外部引(yin)腳,最后劍以(yi)毫米(mi)為單(dan)(dan)(dan)位的(de)(de)(de)印刷電路板,都是通過封裝(zhuang)米(mi)實現(xian)(xian)的(de)(de)(de)。封裝(zhuang)在這里起(qi)著由(you)小到(dao)(dao)大、由(you)難到(dao)(dao)易(yi)、由(you)復雜到(dao)(dao)簡(jian)單(dan)(dan)(dan)的(de)(de)(de)變(bian)換(huan)作(zuo)用(yong),從(cong)而可(ke)使操作(zuo)費(fei)用(yong)及材料費(fei)用(yong)降低,而且能提高工作(zuo)效率和(he)可(ke)靠性,特(te)(te)別是通過實現(xian)(xian)布(bu)線長度(du)和(he)阻抗配比盡可(ke)能地降低連(lian)接(jie)電阻,寄生電容和(he)電感來保證正確的(de)(de)(de)信號波形(xing)和(he)傳輸速(su)度(du)。
(3)標準規格化。規格通(tong)用(yong)功能(neng)是指封裝(zhuang)的尺寸、形狀、引腳數量(liang)、間距、長度(du)等有(you)標(biao)準(zhun)規格,既便于(yu)(yu)(yu)加工,又便于(yu)(yu)(yu)與印刷(shua)電路(lu)板(ban)相(xiang)(xiang)配合(he),相(xiang)(xiang)關的生(sheng)(sheng)產(chan)線及生(sheng)(sheng)產(chan)設備都(dou)(dou)具有(you)通(tong)用(yong)性。這對(dui)于(yu)(yu)(yu)封裝(zhuang)用(yong)戶、電路(lu)板(ban)廠家、半導體廠家都(dou)(dou)很(hen)方便,而且便于(yu)(yu)(yu)標(biao)準(zhun)化。相(xiang)(xiang)比之下,裸芯(xin)片實裝(zhuang)及倒裝(zhuang)目前尚不(bu)具備這方面的優勢。由于(yu)(yu)(yu)組裝(zhuang)技術(shu)的好壞還直(zhi)接影響到芯(xin)片自身性能(neng)的發揮和與之連接的印刷(shua)電路(lu)板(ban)(PCB)的設計和制造,對(dui)于(yu)(yu)(yu)很(hen)多集(ji)成(cheng)電路(lu)產(chan)品而言,組裝(zhuang)技術(shu)都(dou)(dou)是非常關鍵的一環。
3 封裝的分類
半導(dao)體(包(bao)括(kuo)集成電(dian)路(lu)和分立器件)其芯片的(de)(de)(de)封(feng)裝(zhuang)已經歷了好幾代(dai)的(de)(de)(de)變遷,從 DIP 、SOP 、QFP 、PGA 、BGA 到(dao) MCP 再到(dao)SIP ,技術(shu)指標一代(dai)比一代(dai)先進,包(bao)括(kuo)芯片面(mian)積與封(feng)裝(zhuang)面(mian)積之比越(yue)(yue)(yue)來(lai)越(yue)(yue)(yue)接近(jin)于(yu) 1 ,適用(yong)頻率越(yue)(yue)(yue)來(lai)越(yue)(yue)(yue)高,耐溫(wen)性(xing)能越(yue)(yue)(yue)來(lai)越(yue)(yue)(yue)好,引腳數增多(duo),引腳間距(ju)減(jian)小,重量減(jian)小,可靠性(xing)提高,使(shi)用(yong)更加(jia)方(fang)便等等。封(feng)裝(zhuang)(Package)可謂(wei)種類繁多(duo),而(er)且每(mei)一種封(feng)裝(zhuang)都有(you)其獨特(te)的(de)(de)(de)地方(fang),即它的(de)(de)(de)優點和不足之處,當然其所用(yong)的(de)(de)(de)封(feng)裝(zhuang)材料、封(feng)裝(zhuang)設備、封(feng)裝(zhuang)技術(shu)根據其需要而(er)有(you)所不同(tong)。
3.1 根據材料分類
根據所用(yong)的材料來(lai)劃(hua)分半導體器(qi)件封(feng)裝形式有金(jin)屬封(feng)裝、陶瓷封(feng)裝、金(jin)屬一陶瓷封(feng)裝和塑料封(feng)裝。
3.1.1 金屬封裝
金屬(shu)封(feng)(feng)裝(zhuang)(zhuang)(zhuang)始于(yu)(yu)三極管(guan)封(feng)(feng)裝(zhuang)(zhuang)(zhuang),后(hou)慢慢地應用于(yu)(yu)直(zhi)插(cha)式扁(bian)平式封(feng)(feng)裝(zhuang)(zhuang)(zhuang),基本上乃是金屬(shu)-玻璃組裝(zhuang)(zhuang)(zhuang)工藝。由于(yu)(yu)該種封(feng)(feng)裝(zhuang)(zhuang)(zhuang)尺寸嚴格、精(jing)度高、金屬(shu)零(ling)件(jian)便于(yu)(yu)大量(liang)生產,故其價格低、性(xing)能優良、封(feng)(feng)裝(zhuang)(zhuang)(zhuang)工藝容易(yi)靈活(huo),被廣(guang)泛應用于(yu)(yu)晶體管(guan)和(he)混合集成(cheng)電路如振(zhen)蕩器、放(fang)大器、鑒頻器、交直(zhi)流轉換器、濾頗器、繼(ji)電器等等產品上,現在及將來許多(duo)微型(xing)(xing)封(feng)(feng)裝(zhuang)(zhuang)(zhuang)及多(duo)芯片模塊(kuai)(MCM)也采用此金屬(shu)封(feng)(feng)裝(zhuang)(zhuang)(zhuang)。 金屬(shu)封(feng)(feng)裝(zhuang)(zhuang)(zhuang)的種類有光(guang)電器件(jian)封(feng)(feng)裝(zhuang)(zhuang)(zhuang)包(bao)括帶光(guang)窗(chuang)型(xing)(xing)、帶透鏡型(xing)(xing)和(he)帶光(guang)纖型(xing)(xing);分(fen)妒(du)器件(jian)封(feng)(feng)裝(zhuang)(zhuang)(zhuang)包(bao)括 A 型(xing)(xing)、B 型(xing)(xing)和(he) C 型(xing)(xing);混合電路封(feng)(feng)裝(zhuang)(zhuang)(zhuang)包(bao)括雙列直(zhi)插(cha)型(xing)(xing)和(he)扁(bian)平型(xing)(xing);特殊(shu)器件(jian)封(feng)(feng)裝(zhuang)(zhuang)(zhuang)包(bao)括矩正型(xing)(xing)、多(duo)層(ceng)多(duo)窗(chuang)型(xing)(xing)和(he)無磁材料型(xing)(xing)。
3.1.2 陶瓷封裝
早期(qi)的(de)(de)半導體(ti)封(feng)裝(zhuang)多(duo)(duo)以陶(tao)瓷(ci)封(feng)裝(zhuang)為主,伴(ban)隨(sui)著半導體(ti)器件的(de)(de)高(gao)(gao)度集(ji)成化和(he)(he)高(gao)(gao)速化的(de)(de)發展,電(dian)子設(she)備(bei)的(de)(de)小型化和(he)(he)價格的(de)(de)降低,陶(tao)瓷(ci)封(feng)裝(zhuang)部(bu)分地(di)被塑(su)料封(feng)裝(zhuang)代替,但陶(tao)瓷(ci)封(feng)裝(zhuang)的(de)(de)許多(duo)(duo)用途仍具(ju)有(you)不可替代的(de)(de)功能,特別是(shi)集(ji)成電(dian)路組件工(gong)作頻(pin)率的(de)(de)提高(gao)(gao),信號傳送(song)速度的(de)(de)加快(kuai)和(he)(he)芯片(pian)功耗(hao)的(de)(de)增加,需要選(xuan)擇低電(dian)阻率的(de)(de)布(bu)線(xian)導體(ti)材料,低介電(dian)常數,高(gao)(gao)導電(dian)率的(de)(de)絕緣(yuan)材料等。陶(tao)瓷(ci)封(feng)裝(zhuang)的(de)(de)種類有(you) DIP 和(he)(he)SIP;對大規模集(ji)成電(dian)路封(feng)裝(zhuang)包括 PGA , ,QFP 和(he)(he) BGA。
3.1.3 金屬一陶瓷封裝
它(ta)是(shi)以(yi)傳統多層陶(tao)(tao)瓷(ci)(ci)工藝為(wei)基礎,以(yi)金(jin)(jin)屬(shu)和陶(tao)(tao)瓷(ci)(ci)材料為(wei)框架而發(fa)展(zhan)起來的。最(zui)大特(te)征是(shi)高頻特(te)性(xing)(xing)(xing)好(hao)而噪音低(di)而被用于微(wei)波(bo)功(gong)(gong)率器件(jian),如(ru)微(wei)波(bo)毫(hao)米波(bo)二極(ji)管、微(wei)波(bo)低(di)噪聲三極(ji)管、微(wei)波(bo)毫(hao)米波(bo)功(gong)(gong)率三極(ji)管。正(zheng)因如(ru)此,它(ta)對封(feng)裝(zhuang)體(ti)(ti)積大的電參數如(ru)有線(xian)電感、引線(xian)電阻、輸(shu)出電容、特(te)性(xing)(xing)(xing)阻抗等要(yao)求苛刻,故其成品率比較低(di);同時(shi)它(ta)必須很好(hao)地(di)解決(jue)多層陶(tao)(tao)瓷(ci)(ci)和金(jin)(jin)屬(shu)材料的不同膨脹系數問題,這(zhe)樣才能保證(zheng)其可靠性(xing)(xing)(xing)。金(jin)(jin)屬(shu)一陶(tao)(tao)瓷(ci)(ci)封(feng)裝(zhuang)的種類有分立器件(jian)封(feng)裝(zhuang)包括同軸(zhou)型(xing)和帶線(xian)型(xing);單片微(wei)波(bo)集(ji)成電路(MMIC)封(feng)裝(zhuang)包括載體(ti)(ti)型(xing)、多層陶(tao)(tao)瓷(ci)(ci)型(xing)和金(jin)(jin)屬(shu)框架一陶(tao)(tao)瓷(ci)(ci)絕緣型(xing)。
3.1.4 塑料封裝
塑料封(feng)(feng)(feng)裝(zhuang)由(you)于其(qi)成(cheng)本低廉、工(gong)藝簡(jian)單,并(bing)適(shi)于大批量生(sheng)產,因(yin)而具有極(ji)強的(de)(de)生(sheng)命力,自誕生(sheng)起(qi)發展得越(yue)(yue)來(lai)越(yue)(yue)快,在封(feng)(feng)(feng)裝(zhuang)中所(suo)占(zhan)的(de)(de)份額越(yue)(yue)來(lai)越(yue)(yue)大。目前塑料封(feng)(feng)(feng)裝(zhuang)在全世界范(fan)圍(wei)內占(zhan)集成(cheng)電路(lu)市場的(de)(de) 95%以上(shang)。在消費(fei)類電路(lu)和器(qi)件基本上(shang)是(shi)塑料封(feng)(feng)(feng)裝(zhuang)的(de)(de)天下(xia);在工(gong)業類電路(lu)中所(suo)占(zhan)的(de)(de)比例也很大,其(qi)封(feng)(feng)(feng)裝(zhuang)形式種(zhong)類也是(shi)最多(duo)。塑料封(feng)(feng)(feng)裝(zhuang)的(de)(de)種(zhong)類有分立器(qi)件封(feng)(feng)(feng)裝(zhuang),包括 A 型(xing)(xing)和 F 型(xing)(xing);集成(cheng)電路(lu)封(feng)(feng)(feng)裝(zhuang)包括 SOP 、DIP 、QFP 和 BGA 等。
3.2 根據密封性分類
按封(feng)(feng)裝(zhuang)(zhuang)密(mi)(mi)封(feng)(feng)性(xing)(xing)(xing)方(fang)式可(ke)分為氣密(mi)(mi)性(xing)(xing)(xing)封(feng)(feng)裝(zhuang)(zhuang)和(he)樹脂封(feng)(feng)裝(zhuang)(zhuang)兩(liang)類(lei)。他們的目的都是將晶(jing)體與外(wai)部溫度、濕度、空氣等(deng)環境(jing)隔絕,起保護和(he)電氣絕緣(yuan)作用;同時還可(ke)實現向外(wai)散熱及(ji)緩和(he)應力。其中氣密(mi)(mi)性(xing)(xing)(xing)封(feng)(feng)裝(zhuang)(zhuang)可(ke)靠(kao)性(xing)(xing)(xing)較高(gao),但價(jia)格也高(gao),目前由于封(feng)(feng)裝(zhuang)(zhuang)技術及(ji)
材(cai)料的改(gai)進,樹脂封占絕對(dui)優勢,只是在有些特殊領域,尤(you)其是國家級用戶(hu)中(zhong)(zhong),氣(qi)(qi)密性封裝是必不可(ke)少的。氣(qi)(qi)密性封裝所(suo)用到的外殼可(ke)以是金(jin)屬、陶瓷玻璃(li),而其中(zhong)(zhong)氣(qi)(qi)體可(ke)以是真空、氮氣(qi)(qi)及惰性氣(qi)(qi)體。
3.3 根據外形、尺寸、結構分類
按封(feng)裝(zhuang)的外形、尺寸、結構分(fen)(fen)類可分(fen)(fen)為引(yin)腳插(cha)入型(xing)、表面(mian)貼裝(zhuang)型(xing)和高級封(feng)裝(zhuang)。
3.3.1 插入式封裝
引(yin)腳(jiao)(jiao)插(cha)入式封裝(Through-Hole Mount) 。此封裝形(xing)式有引(yin)腳(jiao)(jiao)出來,并(bing)將引(yin)腳(jiao)(jiao)直接(jie)(jie)插(cha)入印(yin)(yin)刷(shua)電(dian)路板(ban)(PWB)中,再由浸(jin)錫法(fa)進(jin)行波(bo)峰焊接(jie)(jie),以(yi)實(shi)現電(dian)路連接(jie)(jie)和機(ji)械(xie)固定。由于引(yin)腳(jiao)(jiao)直徑和間距(ju)都不能(neng)太細,故印(yin)(yin)刷(shua)電(dian)路板(ban)上的(de)通孔直徑,間距(ju)乃(nai)至布(bu)線都不能(neng)太細,而(er)且它只(zhi)用到印(yin)(yin)刷(shua)電(dian)路板(ban)的(de)一面,從而(er)難以(yi)實(shi)現高密度封裝。它又可分為引(yin)腳(jiao)(jiao)在一端(duan)的(de)封裝(ended),引(yin)腳(jiao)(jiao)在兩端(duan)的(de)封裝(Double ended)禾口弓 I 勝 9 矩(ju)正封裝(Pin Grid )。
引(yin)腳(jiao)在一端的封(feng)裝(zhuang)(Single ended)又可分為三(san)極管封(feng)裝(zhuang)和單列直插式封(feng)裝(zhuang)(Single In-line Package)。
引腳在兩端的封(feng)(feng)裝(zhuang)(zhuang)(Double ended)又可(ke)分為雙(shuang)列直(zhi)(zhi)插(cha)式(shi)封(feng)(feng)裝(zhuang)(zhuang), Z 形雙(shuang)列直(zhi)(zhi)插(cha)式(shi)封(feng)(feng)裝(zhuang)(zhuang)和收(shou)縮(suo)型雙(shuang)列直(zhi)(zhi)插(cha)式(shi)封(feng)(feng)裝(zhuang)(zhuang)等(deng)。
雙列(lie)直插(cha)式封(feng)裝(zhuang)(zhuang)(zhuang)(zhuang)(DIP: In-line Package)。它是(shi) 20 世紀 70 年代的封(feng)裝(zhuang)(zhuang)(zhuang)(zhuang)形(xing)式,首先是(shi)陶(tao)瓷多(duo)層板(ban)作載體(ti)(ti)的封(feng)裝(zhuang)(zhuang)(zhuang)(zhuang)問世,后來和(he)(he) 開發出塑料(liao)封(feng)裝(zhuang)(zhuang)(zhuang)(zhuang)。絕大多(duo)數(shu)中(zhong)小(xiao)規模集成(cheng)電(dian)路均采用這種(zhong)封(feng)裝(zhuang)(zhuang)(zhuang)(zhuang)形(xing)式,其引(yin)(yin)(yin)腳(jiao)(jiao)數(shu)一(yi)般(ban)不超(chao)過(guo) 100。 DIP 封(feng)裝(zhuang)(zhuang)(zhuang)(zhuang)的芯(xin)片(pian)(pian)有兩排引(yin)(yin)(yin)腳(jiao)(jiao),分布于(yu)(yu)兩側,且(qie)成(cheng)直線平行布置,引(yin)(yin)(yin)腳(jiao)(jiao)直徑(jing)(jing)和(he)(he)間(jian)(jian)距為 2 .54 mm(100 mil) ,需要插(cha)入到具有DIP 結構的芯(xin)片(pian)(pian)插(cha)座上。當然,也可以(yi)(yi)直接(jie)插(cha)在有相同焊孔數(shu)和(he)(he)幾何排列(lie)的電(dian)路板(ban)上進行焊接(jie)。此(ci)封(feng)裝(zhuang)(zhuang)(zhuang)(zhuang)的芯(xin)片(pian)(pian)在從(cong)芯(xin)片(pian)(pian)插(cha)座上插(cha)拔(ba)時應特(te)別小(xiao)心,以(yi)(yi)免損(sun)壞管腳(jiao)(jiao)。此(ci)封(feng)裝(zhuang)(zhuang)(zhuang)(zhuang)具有以(yi)(yi)下特(te)點: (1)適合在印刷電(dian)路板(ban)(PCB)上穿(chuan)孔焊接(jie),操(cao)作方(fang)便; (2)芯(xin)片(pian)(pian)面積與封(feng)裝(zhuang)(zhuang)(zhuang)(zhuang)面積之間(jian)(jian)的比值較大,故(gu)體(ti)(ti)積也較大; (3)除其外形(xing)尺寸及引(yin)(yin)(yin)腳(jiao)(jiao)數(shu)之外,并(bing)無其它特(te)殊要求,但由(you)于(yu)(yu)引(yin)(yin)(yin)腳(jiao)(jiao)直徑(jing)(jing)和(he)(he)間(jian)(jian)距都不能(neng)(neng)太(tai)細,故(gu): PWB 上通孔直徑(jing)(jing)、間(jian)(jian)距以(yi)(yi)及布線間(jian)(jian)距都不能(neng)(neng)太(tai)細,故(gu)此(ci)種(zhong) PKG 難以(yi)(yi)實現高密度封(feng)裝(zhuang)(zhuang)(zhuang)(zhuang),且(qie)每年都在衰退。
Z 形(xing)雙列(lie)直插式(shi)封(feng)裝(ZIP:Zigzag In-line Package)與(yu) DIP 并無(wu)實質上(shang)的區(qu)別,只是引(yin)腳(jiao)呈 Z 狀排(pai)列(lie),其目的是為了增加引(yin)腳(jiao)的數(shu)量,而(er)引(yin)腳(jiao)的間距仍為 2 .54 mm。陶(tao)瓷 Z 形(xing)雙列(lie)直插式(shi)封(feng)裝 CZIP(Ceramic Zag-Zag Package)它與(yu) ZIP 外形(xing)一樣,只是用(yong)陶(tao)瓷材料(liao)封(feng)裝。
收縮型雙列直(zhi)插式封裝(SKDIP:Shrink Dual In-line Package)形狀與 DIP 相同(tong),但引腳中心距(ju)為 1 .778 mm(70 mil)小(xiao)于DIP(2 .54mm),引腳數一般不(bu)超過 100 ,材(cai)料有陶瓷和塑(su)料兩種。
引(yin)腳(jiao)(jiao)(jiao)矩正封(feng)裝(zhuang)( PGA Pin Grid Array)。它(ta)是在(zai) DIP 的(de)(de)(de)(de)基礎(chu)上,為適應高(gao)(gao)速(su)度,多引(yin)腳(jiao)(jiao)(jiao)化(hua)(提(ti)高(gao)(gao)組裝(zhuang)密度)而出現(xian)的(de)(de)(de)(de)。此封(feng)裝(zhuang)的(de)(de)(de)(de)引(yin)腳(jiao)(jiao)(jiao)不(bu)是單排(pai)或(huo)雙排(pai),而是在(zai)整個平面呈矩正排(pai)布,如圖 1 所示(shi)。在(zai)芯片的(de)(de)(de)(de)內外有多個方(fang)陣形(xing)的(de)(de)(de)(de)插(cha)(cha)針(zhen)(zhen),每個方(fang)陣形(xing)插(cha)(cha)針(zhen)(zhen)沿芯片的(de)(de)(de)(de)四周間隔一定(ding)距離排(pai)列,與 DIP 相比(bi),在(zai)不(bu)增加引(yin)腳(jiao)(jiao)(jiao)間距的(de)(de)(de)(de)情況下(xia),可以按近似平方(fang)的(de)(de)(de)(de)關(guan)系(xi)提(ti)高(gao)(gao)引(yin)腳(jiao)(jiao)(jiao)數(shu)。根據引(yin)腳(jiao)(jiao)(jiao)數(shu)目的(de)(de)(de)(de)多少,可以圍成 2~5 圈,其(qi)引(yin)腳(jiao)(jiao)(jiao)的(de)(de)(de)(de)間距為 2.54 mm ,引(yin)腳(jiao)(jiao)(jiao)數(shu)量從幾(ji)十(shi)到幾(ji)百(bai)個。PGA 封(feng)裝(zhuang)具有以下(xia)特點:
(1)插拔(ba)操作更(geng)方便,可靠性高(gao);(2)可適應更(geng)高(gao)的(de)頻率(lv);(3)如(ru)采(cai)(cai)用(yong)(yong)導熱(re)性良(liang)好的(de)陶(tao)瓷基(ji)板(ban)(ban),還可適應高(gao)速(su)度(du).大功率(lv)器件要求;(4)由于此(ci)封裝(zhuang)(zhuang)具有向外伸出(chu)的(de)引腳(jiao), 一般采(cai)(cai)用(yong)(yong)插入式(shi)安裝(zhuang)(zhuang)而不(bu)宜采(cai)(cai)用(yong)(yong)表(biao)(biao)面安裝(zhuang)(zhuang); (5)如(ru)用(yong)(yong)陶(tao)瓷基(ji)板(ban)(ban),價(jia)格又相(xiang)對較高(gao),因此(ci)多(duo)用(yong)(yong)于較為特殊(shu)的(de)用(yong)(yong)途。它又分為陳列(lie)引腳(jiao)型和表(biao)(biao)面貼裝(zhuang)(zhuang)型兩種。
有機管引腳矩正式封裝(zhuang)(zhuang) OPGA(Organic pin grid Array)這(zhe)種封裝(zhuang)(zhuang)的基(ji)底使用的是(shi)玻璃纖維,類似印刷(shua)電(dian)(dian)路板(ban)上的材料。此種封裝(zhuang)(zhuang)方(fang)式可以降低阻抗和封裝(zhuang)(zhuang)成本。 OPGA 封裝(zhuang)(zhuang)拉近了外部(bu)電(dian)(dian)容和處理器內核的距離,可以更好地改善內核供(gong)電(dian)(dian)和過濾電(dian)(dian)流雜波。
3.3.2 尺寸貼片封裝(SOP)
表(biao)面(mian)(mian)(mian)(mian)貼片封(feng)(feng)裝(zhuang)(zhuang)(Surface Mount) 。它是(shi)從(cong)(cong)引(yin)(yin)(yin)腳直插式(shi)封(feng)(feng)裝(zhuang)(zhuang)發展而(er)(er)來的(de)(de)(de)(de),主要(yao)(yao)優(you)點是(shi)降低(di)了(le) PCB 電(dian)(dian)路(lu)板(ban)設(she)計(ji)的(de)(de)(de)(de)難度,同時(shi)它也大大降低(di)了(le)其(qi)本(ben)身的(de)(de)(de)(de)尺(chi)寸。我們需(xu)要(yao)(yao)將引(yin)(yin)(yin)腳插片封(feng)(feng)裝(zhuang)(zhuang)的(de)(de)(de)(de)集(ji)成(cheng)電(dian)(dian)路(lu)插入 PCB 中(zhong),故(gu)需(xu)要(yao)(yao)在 PCB 中(zhong)根據集(ji)成(cheng)電(dian)(dian)路(lu)的(de)(de)(de)(de)引(yin)(yin)(yin)腳尺(chi)寸(FootPrint)做出專(zhuan)(zhuan)對應的(de)(de)(de)(de)小孔(kong)(kong),這樣就可將集(ji)成(cheng)電(dian)(dian)路(lu)主體部(bu)分放(fang)置在.PCB 板(ban)的(de)(de)(de)(de)一(yi)(yi)面(mian)(mian)(mian)(mian),同時(shi)在 PCB 的(de)(de)(de)(de)另一(yi)(yi)面(mian)(mian)(mian)(mian)將集(ji)成(cheng)電(dian)(dian)路(lu)的(de)(de)(de)(de)引(yin)(yin)(yin)腳焊接到 PCB 上(shang)以形成(cheng)電(dian)(dian)路(lu)的(de)(de)(de)(de)連接,所以這就消(xiao)耗了(le) PCB 板(ban)兩(liang)面(mian)(mian)(mian)(mian)的(de)(de)(de)(de)空間(jian),而(er)(er)對多層(ceng)的(de)(de)(de)(de) PCB 板(ban)而(er)(er)言,需(xu)要(yao)(yao)在設(she)計(ji)時(shi)在每一(yi)(yi)層(ceng)將需(xu)要(yao)(yao)專(zhuan)(zhuan)孔(kong)(kong)的(de)(de)(de)(de)地(di)方(fang)(fang)騰出。而(er)(er)表(biao)面(mian)(mian)(mian)(mian)貼片封(feng)(feng)裝(zhuang)(zhuang)的(de)(de)(de)(de)集(ji)成(cheng)電(dian)(dian)路(lu)只須(xu)將它放(fang)置在 PCB 板(ban)的(de)(de)(de)(de)一(yi)(yi)面(mian)(mian)(mian)(mian),并在它的(de)(de)(de)(de)同一(yi)(yi)面(mian)(mian)(mian)(mian)進行焊接,不(bu)需(xu)要(yao)(yao)專(zhuan)(zhuan)孔(kong)(kong),這樣就降低(di)了(le) PCB 電(dian)(dian)路(lu)板(ban)設(she)計(ji)的(de)(de)(de)(de)難度。表(biao)面(mian)(mian)(mian)(mian)貼片封(feng)(feng)裝(zhuang)(zhuang)的(de)(de)(de)(de)主要(yao)(yao)優(you)點是(shi)降低(di)其(qi)本(ben)身的(de)(de)(de)(de)尺(chi)寸,從(cong)(cong)而(er)(er)加大了(le): PCB 上(shang) IC 的(de)(de)(de)(de)密集(ji)度。用(yong)(yong)這種方(fang)(fang)法焊上(shang)去(qu)的(de)(de)(de)(de)芯(xin)片,如果不(bu)用(yong)(yong)專(zhuan)(zhuan)用(yong)(yong)工具是(shi)很(hen)難拆(chai)卸下來的(de)(de)(de)(de)。表(biao)面(mian)(mian)(mian)(mian)貼片封(feng)(feng)裝(zhuang)(zhuang)根據引(yin)(yin)(yin)腳所處(chu)的(de)(de)(de)(de)位置可分為:Single-ended(引(yin)(yin)(yin)腳在一(yi)(yi)面(mian)(mian)(mian)(mian))、Dual(引(yin)(yin)(yin)腳在兩(liang)邊) 、Quad(引(yin)(yin)(yin)腳在四邊)、Bottom(引(yin)(yin)(yin)腳在下面(mian)(mian)(mian)(mian)) 、BGA(引(yin)(yin)(yin)腳排(pai)成(cheng)矩(ju)正(zheng)結構)及(ji)其(qi)它。
Single-ended(引腳(jiao)(jiao)在(zai)(zai)一面(mian)(mian)):此(ci)封(feng)裝型式的(de)(de)特點是(shi)引腳(jiao)(jiao)全(quan)部在(zai)(zai)一邊,而(er)(er)且(qie)引腳(jiao)(jiao)的(de)(de)數量通常比較(jiao)少,如圖 2 所(suo)示。它又(you)可分為(wei):導熱(re)型(Therinal-enhanced),象常用的(de)(de)功(gong)率(lv)三(san)極管,只(zhi)有(you)三(san)個引腳(jiao)(jiao)排(pai)成一排(pai),其(qi)上(shang)面(mian)(mian)有(you)一個大的(de)(de)散熱(re)片;COF(Chip on Film)是(shi)將芯片直接聯貼在(zai)(zai)柔性線路(lu)板上(shang)(現有(you)的(de)(de)用 Flip—chip 技術),再經過顰料包封(feng)而(er)(er)成,它的(de)(de)特點是(shi)輕(qing)而(er)(er)且(qie)很薄,所(suo)以當前被(bei)廣泛用在(zai)(zai)液(ye)晶(jing)顯(xian)示器(qi)(LCD)上(shang)以滿足 LCD 分辨率(lv)增加的(de)(de)需要。其(qi)缺點是(shi) Film 的(de)(de)價(jia)(jia)格很貴(gui),其(qi)二是(shi)貼片機的(de)(de)價(jia)(jia)格也(ye)很貴(gui)。
Dual(引腳在兩邊(bian)),如圖 3 所示。此封(feng)裝型式的(de)(de)特點是(shi)引腳全部在兩邊(bian),而且引腳的(de)(de)數量(liang)不算(suan)多。它的(de)(de)封(feng)裝型式比(bi)較多,義可細分為:SOT(Small outline) 、 SOP(Small Outline Package)、SOJ(Small 0utline Package J-bent lea(1)、 SS()P(Shrink Small 0utline Package) 、(Heat-sink Small Outline Package)及其它。
SOT 系列主要(yao)有(you) 、 、SOT-25 、SOT-26 、SOt323 、等(deng)。當電子產品(pin)尺(chi)寸(cun)不斷縮(suo)小(xiao)時,其(qi)內部使(shi)用(yong)的(de)(de)(de)半(ban)導(dao)體(ti)器件也必須變(bian)小(xiao)。所以更(geng)小(xiao)的(de)(de)(de)半(ban)導(dao)體(ti)器件使(shi)得電子產品(pin)能(neng)夠(gou)更(geng)小(xiao)、更(geng)輕、更(geng)便攜(xie),相同尺(chi)寸(cun)包含的(de)(de)(de)功能(neng)更(geng)多。對于半(ban)導(dao)體(ti)器件,其(qi)價值最好(hao)的(de)(de)(de)體(ti)現(xian)在:PCB 占用(yong)空間(jian)和封裝(zhuang)總(zong)高(gao)度(du)上(shang),優化了這些參數才能(neng)在更(geng)小(xiao)的(de)(de)(de):PCB 上(shang)更(geng)緊湊(cou)地布局。 SOT 封裝(zhuang)既大(da)大(da)降低了高(gao)度(du),又顯著減小(xiao)了 PCB 占用(yong)空間(jian)。如 SOT883 被廣泛應用(yong)在比較(jiao)小(xiao)型(xing)的(de)(de)(de)日(ri)常消費電器中(zhong)如手機、照相機和 MP3 等(deng)等(deng)。
小(xiao)尺寸貼片(pian)封(feng)裝(SOP:Small 0utline Package)。荷蘭皇家飛利浦(pu)公司在上(shang)世紀(ji) 70 年(nian)代就開發(fa)出(chu)小(xiao)尺寸貼片(pian)封(feng)裝 SOP,以后逐漸派(pai)生(sheng)出(chu) SOJ(J 型引腳小(xiao)外(wai)形(xing)封(feng)裝)、TSOP(薄(bo)(bo)小(xiao)外(wai)形(xing)封(feng)裝)、VSOP(甚小(xiao)外(wai)形(xing)封(feng)裝)、SS()P(縮小(xiao)型 SOP)、(薄(bo)(bo)的縮小(xiao)型 SOP)及 SOT(小(xiao)外(wai)形(xing)晶(jing)體管)、(小(xiao)外(wai)形(xing)集(ji)成電(dian)路(lu))等。SOP 典(dian)型引線(xian)間距(ju)是 1.27 mm,引腳數在幾十(shi)之內。
薄(bo)型小(xiao)尺寸封(feng)(feng)(feng)裝(zhuang)(zhuang)(TSOP:Thin Small Out-Line Package)是在(zai) 20 世紀 80 年代出現的(de)(de) TSOP 封(feng)(feng)(feng)裝(zhuang)(zhuang),它與 SOP 的(de)(de)最(zui)大區別(bie)在(zai)于其厚度很薄(bo)只有(you)(you) 1 mm,是 SOJ 的(de)(de) 1 /3;由(you)于外觀上輕薄(bo)且小(xiao)的(de)(de)封(feng)(feng)(feng)裝(zhuang)(zhuang),適合高(gao)(gao)頻(pin)使(shi)用,以較強的(de)(de)可操作性和(he)較高(gao)(gao)的(de)(de)可靠(kao)性征服(fu)了業界。大部分(fen)的(de)(de) 內(nei)(nei)存(cun)(cun)芯(xin)(xin)片都是采用此封(feng)(feng)(feng)裝(zhuang)(zhuang)方式(shi)。 TSOP 內(nei)(nei)存(cun)(cun)封(feng)(feng)(feng)裝(zhuang)(zhuang)的(de)(de)外形呈長方形,且封(feng)(feng)(feng)裝(zhuang)(zhuang)芯(xin)(xin)片的(de)(de)周圍(wei)都有(you)(you) I /O 引腳。在(zai) TSOP 封(feng)(feng)(feng)裝(zhuang)(zhuang)方式(shi)中,內(nei)(nei)存(cun)(cun)顆粒是通(tong)過芯(xin)(xin)片引腳焊(han)在(zai) PCB 板上的(de)(de),焊(han)點和(he) PCB 板的(de)(de)接觸面積較小(xiao),使(shi)得芯(xin)(xin)片向(xiang) PCB 板傳熱相(xiang)對困難(nan)。而且 TSOP 封(feng)(feng)(feng)裝(zhuang)(zhuang)方式(shi)的(de)(de)內(nei)(nei)存(cun)(cun)在(zai)超過 150MHz 后,會有(you)(you)很大的(de)(de)信號干擾(rao)和(he)電磁(ci)干擾(rao)。
J 形(xing)引腳小(xiao)尺寸封(feng)裝 SOJ(Small Out-Line J-Leaded Package) 。引腳從封(feng)裝主體(ti)兩側引出(chu)向下(xia)呈 J 字形(xing),直接(jie)粘貼在印刷電(dian)路板的表面,通常為塑料制品,多數用(yong)(yong)于: DRAM 和等內存(cun) LSI 電(dian)路,但絕大部分是 DRAM。用(yong)(yong) SOJ 封(feng)裝的DRAM 器件很多都裝配在 SIMM 上。引腳中心距 1 .27 mm,引肚 4 數為20-40。
3.3.3 表面貼片 QFP 封裝
四邊(bian)引腳(jiao)扁平封裝(zhuang) (QFP:Plastic Quad Flat Pockage) 。QFP 是(shi)由(you) SOP 發展而(er)來,其外(wai)形(xing)呈扁平狀,引腳(jiao)從四個側面引出呈海鷗(ou)翼(yi)(L)型,如(ru)圖4 所示。鳥翼(yi)形(xing)引腳(jiao)端(duan)子的(de)(de)(de)(de)(de)一(yi)(yi)端(duan)由(you)封裝(zhuang)本體引出,而(er)另一(yi)(yi)端(duan)沿四邊(bian)布置在同(tong)一(yi)(yi)平面上(shang)。它在印(yin)刷電路板(ban)(PWB)上(shang)不是(shi)靠引腳(jiao)插(cha)入 PWB 的(de)(de)(de)(de)(de)通(tong)孔(kong)中,所以不必(bi)在主(zhu)板(ban)上(shang)打孔(kong),而(er)是(shi)采(cai)用(yong)(yong) SMT 方(fang)式即(ji)通(tong)過焊(han)料等貼附在 PWB上(shang),一(yi)(yi)般在主(zhu)板(ban)表面上(shang)有設計好(hao)的(de)(de)(de)(de)(de)相(xiang)應管腳(jiao)的(de)(de)(de)(de)(de)焊(han)點,將封裝(zhuang)各腳(jiao)對準相(xiang)應的(de)(de)(de)(de)(de)焊(han)點,即(ji)可實現(xian)與(yu)主(zhu)板(ban)的(de)(de)(de)(de)(de)焊(han)接。因此, PWB兩面可以形(xing)成不同(tong)的(de)(de)(de)(de)(de)電路,采(cai)用(yong)(yong)整體回流焊(han)等方(fang)式可使兩面上(shang)搭載(zai)的(de)(de)(de)(de)(de)全部元(yuan)器件(jian)一(yi)(yi)次鍵合完成,便(bian)于自動(dong)化(hua)操(cao)作,實裝(zhuang)的(de)(de)(de)(de)(de)可靠性也有保證。這是(shi)目(mu)前最普遍采(cai)用(yong)(yong)的(de)(de)(de)(de)(de)封裝(zhuang)形(xing)成。用(yong)(yong)這種(zhong)方(fang)法焊(han)上(shang)去的(de)(de)(de)(de)(de)芯(xin)片,如(ru)果不用(yong)(yong)專用(yong)(yong)工具(ju)是(shi)很(hen)難拆卸下來的(de)(de)(de)(de)(de)。
此(ci)種封裝引腳(jiao)之間距離很(hen)小(xiao)、管腳(jiao)很(hen)細(xi),一般大規(gui)模或超大規(gui)模集成電路采用(yong)這種封裝型式(shi)。其(qi)引腳(jiao)數一般從幾十到幾百,而且其(qi)封裝外形尺寸較小(xiao)、寄生參數減小(xiao)、適合高頻應(ying)用(yong);該封裝主要適合用(yong) SMT 表面安裝技術(shu)在(zai) PCB 上安裝布線。
但是由于(yu) QFP 的引(yin)(yin)線端(duan)子(zi)(zi)四周邊布置,且伸(shen)出 PKG 之外,若(ruo)引(yin)(yin)線間距過窄,引(yin)(yin)線過細,則端(duan)子(zi)(zi)更(geng)為柔嫩,難免制造及(ji)實(shi)裝(zhuang)過程中發(fa)生(sheng)變形等。當(dang)端(duan)子(zi)(zi)數超過幾百個, 端(duan)了間距等于(yu)或(huo)小(xiao)于(yu) O .3mm 時(shi),要精確地搭載(zai)在電路(lu)圖形上并與其占電路(lu)組件一起(qi)采用(yong)(yong)再(zai)流焊一次完(wan)成(cheng)實(shi)裝(zhuang),難度極大(da),需要采用(yong)(yong)專用(yong)(yong)自動搭載(zai)以(yi)及(ji)高超的技(ji)能,致使(shi)價格劇增,而且還(huan)存(cun)在可(ke)靠性(xing)及(ji)成(cheng)品率方(fang)面的問題(ti)。采用(yong)(yong) J 字型(xing)(xing)引(yin)(yin)線端(duan)子(zi)(zi)的 PLCC 等可(ke)以(yi)緩(huan)解一些矛(mao)盾,但不(bu)能從根本上解決(jue) QFP 的上述問題(ti)。由 QFP 衍生(sheng)出來的封裝(zhuang)型(xing)(xing)式還(huan)有 LCCC ,PLCC 以(yi)及(ji) TAB 等。
此封裝(zhuang)的(de)基材有(you)陶(tao)(tao)瓷、金屬和塑(su)料(liao) 3 種(zhong)(zhong)。從數(shu)量上看,塑(su)料(liao)封裝(zhuang)占(zhan)絕大部分。當沒有(you)特別表(biao)示出材料(liao)時(shi)(shi),多(duo)數(shu)情(qing)況為(wei)塑(su)料(liao) QFP。塑(su)料(liao) QFP 是最普(pu)及的(de)多(duo)引(yin)(yin)(yin)(yin)腳(jiao) LSI 封裝(zhuang)。不僅用于微處理(li)器,門(men)陳列等數(shu)字邏(luo)輯(ji) LSI 電(dian)路,而(er)且(qie)也用于 VTR 信號(hao)處理(li)、音響信號(hao)處理(li)等模擬 LSI 電(dian)路。引(yin)(yin)(yin)(yin)腳(jiao)中(zhong)心(xin)(xin)距(ju)(ju)有(you) 1.0 mm、0.8 mm 、O.65 mm、0.5 mm、0.4 mm、0.3 mm等多(duo)種(zhong)(zhong)規格(ge)。 0.65 mm 中(zhong)心(xin)(xin)距(ju)(ju)規格(ge)中(zhong)最多(duo)引(yin)(yin)(yin)(yin)腳(jiao)數(shu)為(wei) 304。通常不根據(ju)(ju)引(yin)(yin)(yin)(yin)腳(jiao)中(zhong)心(xin)(xin)距(ju)(ju)來劃(hua)分,而(er)是根據(ju)(ju)封裝(zhuang)本體厚(hou)度分為(wei) QFP(2 .0~3 .6mm 厚(hou))、小(xiao)型(xing)四邊引(yin)(yin)(yin)(yin)腳(jiao)扁(bian)平(ping)封裝(zhuang)(Low Profile Quad Flat Package ,1 .4mm 厚(hou))和薄型(xing)四邊引(yin)(yin)(yin)(yin)腳(jiao)扁(bian)平(ping)封裝(zhuang) TQmin Quad Flat .Package ,1 .0 mm 厚(hou))3 種(zhong)(zhong)。另外,有(you)的(de) LSI 廠(chang)家(jia)把(ba)引(yin)(yin)(yin)(yin)腳(jiao)中(zhong)心(xin)(xin)距(ju)(ju)為(wei) 0.5 mm 的(de) QFP 專門(men)稱為(wei)收(shou)縮型(xing) QFP 或 SQFP 、VQFP。但有(you)的(de)廠(chang)家(jia)把(ba)引(yin)(yin)(yin)(yin)腳(jiao)中(zhong)心(xin)(xin)距(ju)(ju)為(wei) 0.65mm 及 0.4 mm 的(de) QFP 也稱為(wei) SQFP。在邏(luo)輯(ji)LSI 方面,不少開(kai)發品(pin)和高可靠品(pin)都(dou)封裝(zhuang)在多(duo)層陶(tao)(tao)瓷 QFP 里。引(yin)(yin)(yin)(yin)腳(jiao)中(zhong)心(xin)(xin)距(ju)(ju)最小(xiao)為(wei) 0.4mm、引(yin)(yin)(yin)(yin)腳(jiao)數(shu)最多(duo)為(wei) 348 腳(jiao)的(de)產品(pin)也已問世。此外,也有(you)用玻璃密(mi)封的(de)陶(tao)(tao)瓷 QFP 。QFP 封裝(zhuang)的(de)缺點是,當引(yin)(yin)(yin)(yin)腳(jiao)中(zhong)心(xin)(xin)距(ju)(ju)小(xiao)于 0.65 mm 時(shi)(shi),引(yin)(yin)(yin)(yin)腳(jiao)容易(yi)彎曲。為(wei)了防止引(yin)(yin)(yin)(yin)腳(jiao)變形,現已出現了幾種(zhong)(zhong)改進的(de) QFP 品(pin)種(zhong)(zhong)。
塑(su)料(liao)四邊(bian)引(yin)腳(jiao)(jiao)(jiao)扁平(ping)封(feng)(feng)(feng)(feng)裝(zhuang)(zhuang)(PQFP:Plastic QUad Flat Package) 。芯片(pian)的(de)四周均有引(yin)腳(jiao)(jiao)(jiao),其引(yin)腳(jiao)(jiao)(jiao)數一般都在 100 以上(shang),而(er)且引(yin)腳(jiao)(jiao)(jiao)之(zhi)間距離(li)很小,管腳(jiao)(jiao)(jiao)也很細,一般大規模或超大規模集成電路采(cai)(cai)用(yong)這種封(feng)(feng)(feng)(feng)裝(zhuang)(zhuang)型(xing)式(shi)。用(yong)這種型(xing)式(shi)封(feng)(feng)(feng)(feng)裝(zhuang)(zhuang)的(de)芯片(pian)必須采(cai)(cai)用(yong)表(biao)面(mian)安(an)裝(zhuang)(zhuang)設(she)備技術(SMT)將芯片(pian)邊(bian)上(shang)的(de)引(yin)腳(jiao)(jiao)(jiao)與主板焊接(jie)起來。 PQFP 封(feng)(feng)(feng)(feng)裝(zhuang)(zhuang)適用(yong)于(yu) SMT 表(biao)面(mian)安(an)裝(zhuang)(zhuang)技術在: PCB 上(shang)安(an)裝(zhuang)(zhuang)布(bu)線,適合高(gao)頻使用(yong),它(ta)具(ju)有操作(zuo)方便(bian)、可靠性高(gao)、芯片(pian)面(mian)積與封(feng)(feng)(feng)(feng)裝(zhuang)(zhuang)面(mian)積比值較(jiao)小等優點。QFP 封(feng)(feng)(feng)(feng)裝(zhuang)(zhuang)具(ju)有的(de)特(te)點:適用(yong)于(yu) SMT
表(biao)面(mian)安裝技術在 PCB 電路板上安裝布線;適合高頻(pin)使(shi)用;操作(zuo)方便,可(ke)靠性高;芯(xin)片(pian)面(mian)積(ji)與封裝面(mian)積(ji)之間的比(bi)值(zhi)較小。帶(dai)引(yin)腳(jiao)的塑(su)料(liao)芯(xin)片(pian)載體(ti)(PLCC:Plastic Leaded Chip Carrier)。它(ta)與 LCC 相似,只是引(yin)腳(jiao)從(cong)封裝的四(si)個側面(mian)引(yin)出,呈丁字形,是塑(su)料(liao)制(zhi)品。美國得克(ke)薩斯(si)儀器公司首先在 64 k 位 DRAM 和 256kDRAM 中采用,現(xian)(xian)(xian)在已經普及用于(yu)邏輯 LSI、 DLD(或程邏輯器件)等電路。引(yin)腳(jiao)中心距(ju) 1.27 mm,引(yin)腳(jiao)數從(cong) 18 到(dao) 84 腳(jiao)。J 形引(yin)腳(jiao)不易(yi)變形,比(bi) QFP 容易(yi)操作(zuo),但(dan)焊接后的外觀(guan)檢查(cha)較為困難。它(ta)與 LCC 封裝的區(qu)別(bie)僅在于(yu)前(qian)者用塑(su)料(liao),后者用陶瓷,但(dan)現(xian)(xian)(xian)在已經出現(xian)(xian)(xian)用陶瓷制(zhi)作(zuo)的 J 形引(yin)腳(jiao)封裝和用塑(su)料(liao)制(zhi)作(zuo)的無引(yin)腳(jiao)封裝。
無(wu)引(yin)腳芯片載體(ti)(LCC:Leadless Chip Carrier)或四側(ce)無(wu)引(yin)腳扁(bian)平(ping)封(feng)(feng)裝(QFN:Quad Flat NonLeaded Package) 。指陶瓷(ci)基(ji)板(ban)的 4 個側(ce)面只有電(dian)(dian)極接(jie)觸(chu)而無(wu)引(yin)腳的表面貼裝型封(feng)(feng)裝。由(you)于(yu)無(wu)引(yin)腳,貼裝占有面積比 QFP 小,高(gao)度比 QFP 低,它是高(gao)速和(he)(he)(he)(he)高(gao)頻(pin) IC 用(yong)封(feng)(feng)裝。但(dan)是,當(dang)(dang)印刷基(ji)板(ban)與封(feng)(feng)裝之間(jian)產(chan)生應(ying)力時,在電(dian)(dian)極接(jie)觸(chu)處就不能得到緩解(jie)。因此電(dian)(dian)極觸(chu)點難于(yu)作(zuo)到 QFP 的引(yin)腳那樣(yang)多(duo),一般(ban)從 14 到 1OO 左右:封(feng)(feng)裝本(ben)體(ti)厚度為(wei) 1 .O 、0.9 、0.85 和(he)(he)(he)(he) 0.8 mm ,電(dian)(dian)極觸(chu)點中(zhong)心距1 .27 mm ;材料有陶瓷(ci)和(he)(he)(he)(he)塑(su)料兩(liang)種(zhong),當(dang)(dang)有 LCC 標(biao)記時基(ji)本(ben)上都是陶瓷(ci) QFN,塑(su)料 QFN 是以玻璃環氧樹脂印刷基(ji)板(ban)基(ji)材的一種(zhong)低成本(ben)封(feng)(feng)裝,電(dian)(dian)極觸(chu)點中(zhong)心距除 1 .27 mm 外,還(huan)有 0.65mm 和(he)(he)(he)(he) 0.5.mm 兩(liang)種(zhong)。
3.3.4 表面貼片 BGA 封裝
球(qiu)型矩(ju)正(zheng)(zheng)封(feng)裝(zhuang)(BGA:Ball Grid Array),見圖(tu) 5。日(ri)本西(xi)鐵城(CitiZell)公司于年著手(shou)研(yan)制塑料(liao)球(qiu)型矩(ju)正(zheng)(zheng)封(feng)裝(zhuang),而(er)后摩托(tuo)羅(luo)拉、康(kang)柏(bo)等公司也隨即加(jia)入到開發(fa) BGA 的(de)(de)行(xing)列。其后摩托(tuo)羅(luo)拉率先(xian)(xian)將球(qiu)型矩(ju)正(zheng)(zheng)封(feng)裝(zhuang)應用(yong)(yong)于移動(dong)電話,同年康(kang)柏(bo)公司也在工作(zuo)站(zhan)、個人計算(suan)機上(shang)加(jia)以應用(yong)(yong),接著 Intel 公司在計算(suan)機 CPU 中開始使用(yong)(yong) BGA。雖然(ran)日(ri)本公司首(shou)先(xian)(xian)研(yan)發(fa)球(qiu)型矩(ju)正(zheng)(zheng)封(feng)裝(zhuang),但(dan)當時日(ri)本的(de)(de)一些(xie)半(ban)導體公司想依(yi)靠其高超的(de)(de)操作(zuo)技能固守 QFP 不放而(er)對 BGA 的(de)(de)興(xing)趣(qu)不大,而(er)美國(guo)公司對:BGA應用(yong)(yong)領域的(de)(de)擴展(zhan),對 BGA 的(de)(de)發(fa)展(zhan)起到了推波(bo)助瀾的(de)(de)作(zuo)用(yong)(yong)。 BGA 封(feng)裝(zhuang)經過(guo)十幾年的(de)(de)發(fa)展(zhan)已(yi)經進入實用(yong)(yong)化階段(duan),目前 BGA已(yi)成為最(zui)熱門封(feng)裝(zhuang)。
隨(sui)著集成(cheng)電路(lu)技術的(de)(de)發展,對(dui)其封裝(zhuang)要求越(yue)來(lai)越(yue)嚴格。這(zhe)是因(yin)為(wei)封裝(zhuang)關系到產品的(de)(de)性能,當 IC 的(de)(de)頻率超過 100 MHz 時(shi),傳(chuan)統(tong)封裝(zhuang)方(fang)(fang)式可能會產生所(suo)謂的(de)(de)交調噪聲“Cross-Talk Noise”現象(xiang),而且當 IC 的(de)(de)管腳數(shu)大(da)于 208 腳時(shi),傳(chuan)統(tong)的(de)(de)封裝(zhuang)方(fang)(fang)式有其困難。因(yin)此,除(chu)使(shi)用 QFP 封裝(zhuang)方(fang)(fang)式外,現今大(da)多數(shu)的(de)(de)高腳數(shu)芯片皆轉而使(shi)用 BGA 封裝(zhuang)。 BGA 一出現便(bian)成(cheng)為(wei) CPU,高引腳數(shu)封裝(zhuang)的(de)(de)最佳選擇。 BGA 封裝(zhuang)的(de)(de)器(qi)件絕大(da)多數(shu)用于手機(ji)、網(wang)絡及通訊設(she)備(bei)、數(shu)碼相機(ji)、微(wei)機(ji)、筆記(ji)本(ben)計算機(ji)、 PAD和(he)各類平(ping)板顯示器(qi)等高檔(dang)消費(fei)市場。
BGA 封(feng)(feng)裝的(de)(de)優點有(you)(you): (1)輸(shu)入(ru)輸(shu)出(chu)引腳數大大增加,而且引腳間距遠大于 QFP ,加上(shang)(shang)它有(you)(you)與電(dian)路(lu)圖形的(de)(de)自動(dong)對(dui)準功(gong)能(neng),從而提高(gao)了(le)(le)組裝成(cheng)品率; (2)雖然(ran)它的(de)(de)功(gong)耗增加,但能(neng)用可控塌(ta)陷芯(xin)片法(fa)焊接(jie),它的(de)(de)電(dian)熱性能(neng)從而得到了(le)(le)改善;對(dui)集(ji)成(cheng)度(du)很高(gao)和功(gong)耗很大的(de)(de)芯(xin)片,采用陶瓷基板,并在(zai)外殼上(shang)(shang)安(an)裝微型排風扇(shan)散熱,從而達到電(dian)路(lu)的(de)(de)穩定可靠工作; (3)封(feng)(feng)裝本體厚(hou)度(du)比普通 QFP 減(jian)少 1/2 以(yi)上(shang)(shang),重量減(jian)輕 3/4 以(yi)上(shang)(shang);(4)寄(ji)生(sheng)參數減(jian)小,信號(hao)傳輸(shu)延遲小,使用頻率大大提高(gao); (5)組裝可用共面焊接(jie),可靠性高(gao)。
BGA 封裝的不足之處: BGA 封裝仍(reng)與 QFP 、PGA 一樣,占(zhan)用基板面積過大;塑料(liao)(liao) BGA 封裝的(de)翹曲(qu)問(wen)題是(shi)其主要(yao)缺陷(xian),即錫球的(de)共面性問(wen)題。共面性的(de)標(biao)準是(shi)為了減小翹曲(qu),提高(gao) BGA 封裝的(de)特性,應(ying)研究塑料(liao)(liao)、粘片(pian)膠和基板材(cai)料(liao)(liao),并使這些材(cai)料(liao)(liao)最佳化(hua)。 同時由(you)于基板的(de)成本(ben)高(gao),致使其價格很高(gao)。
BGA 封(feng)裝(zhuang)(zhuang)按(an)基(ji)(ji)(ji)板(ban)(ban)所用材料可分有(you)機材料基(ji)(ji)(ji)板(ban)(ban) PBGA(Plastic BGA)、陶瓷基(ji)(ji)(ji)板(ban)(ban) CBGA(CeramicB-GA)和基(ji)(ji)(ji)板(ban)(ban)為帶狀(zhuang)軟質的(de)TBGA(TapeBGA),另(ling)外還有(you)倒裝(zhuang)(zhuang)芯(xin)片的(de) FCBGA(FilpChipBGA)和中(zhong)央(yang)有(you)方型低陷的(de)芯(xin)片區的(de) CDPBGA(Cavity Down
PBGA) 。PBGA 基板(ban)(ban):一般為(wei) 2~4 層(ceng)有機材料構成(cheng)的(de)多層(ceng)板(ban)(ban),Intel 系列 CPU 中,Pentium II 、III 、IV 處理器均采(cai)用這(zhe)(zhe)種(zhong)封(feng)(feng)裝形式。CBGA 基板(ban)(ban)是(shi)陶瓷基板(ban)(ban),芯(xin)片(pian)與基板(ban)(ban)問(wen)的(de)電氣連接通常采(cai)用倒裝芯(xin)片(pian)(Flip Chip)的(de)安裝方式,又可稱為(wei) FCBGA; Intel 系列 CPU 中,Pentium I 、II 、Pentium Pro 處理器均采(cai)用過(guo)這(zhe)(zhe)種(zhong)封(feng)(feng)裝形式。 TBGA 基板(ban)(ban)為(wei)帶狀軟質的(de) 1~2 層(ceng) PCB電路板(ban)(ban)。
小(xiao)型(xing)球型(xing)矩正封裝(zhuang)(zhuang) Tinv-BGA(Tinv Ball Grid Array) 。它(ta)與(yu) BGA 封裝(zhuang)(zhuang)的(de)(de)(de)區別在于它(ta)減(jian)(jian)少(shao)了芯片的(de)(de)(de)面積,可(ke)以看(kan)成是超小(xiao)型(xing)的(de)(de)(de) BGA 封裝(zhuang)(zhuang),但它(ta)與(yu) BGA 封裝(zhuang)(zhuang)比卻有三大進步:(1)由于封裝(zhuang)(zhuang)本體減(jian)(jian)小(xiao),可(ke)以提高印刷電路板的(de)(de)(de)組裝(zhuang)(zhuang)密集度;(2)囚(qiu)為芯片與(yu)基板連接的(de)(de)(de)路徑更短,減(jian)(jian)小(xiao)了電磁(ci)干擾的(de)(de)(de)噪音(yin),能適合(he)更高的(de)(de)(de)工作頻率; (3)更好(hao)的(de)(de)(de)散熱性能。
微型(xing)球型(xing)矩正封(feng)裝(zhuang) mBGA(micro Ball Grid Array)。它(ta)是。 BGA 的改進版,封(feng)裝(zhuang)本(ben)體呈正方(fang)形(xing),占用面積更小、連接(jie)短、電氣性能(neng)好、也(ye)不易受干擾,所以這種封(feng)裝(zhuang)會帶(dai)來更好的散熱及超(chao)頻性能(neng),尤其適合工作于高頻狀(zhuang)態下的 Direct RDRAM,但制造成本(ben)極高。
3.3.5 高級封裝
晶片(pian)級(ji)封裝(zhuang)(zhuang)(zhuang)(zhuang)(zhuang) CSP(Chip Scale Package) 。幾年(nian)之前以(yi)(yi)上所有的(de)(de)封裝(zhuang)(zhuang)(zhuang)(zhuang)(zhuang)其封裝(zhuang)(zhuang)(zhuang)(zhuang)(zhuang)本體(ti)面積(ji)(ji)與芯片(pian)面積(ji)(ji)之比通常都是幾倍到幾十倍,但近(jin)幾年(nian)來有些(xie)公司在 BGA 、TSOP 的(de)(de)基礎(chu)上加以(yi)(yi)改進而(er)(er)使得封裝(zhuang)(zhuang)(zhuang)(zhuang)(zhuang)本體(ti)面積(ji)(ji)與芯片(pian)面積(ji)(ji)之比減小到接近(jin) 1 的(de)(de)水平,所以(yi)(yi)就在原來的(de)(de)封裝(zhuang)(zhuang)(zhuang)(zhuang)(zhuang)名稱(cheng)下冠以(yi)(yi)芯片(pian)級(ji)封裝(zhuang)(zhuang)(zhuang)(zhuang)(zhuang)以(yi)(yi)用(yong)來和以(yi)(yi)前封裝(zhuang)(zhuang)(zhuang)(zhuang)(zhuang)的(de)(de)區別。就目(mu)前來看,人(ren)們對(dui)芯片(pian)級(ji)封裝(zhuang)(zhuang)(zhuang)(zhuang)(zhuang)還(huan)沒(mei)有一(yi)個統一(yi)的(de)(de)定義,有些(xie)公司將封裝(zhuang)(zhuang)(zhuang)(zhuang)(zhuang)本體(ti)面積(ji)(ji)與芯片(pian)面積(ji)(ji)之比小于(yu) 2 的(de)(de)定為 CSP ,而(er)(er)有些(xie)公司將封裝(zhuang)(zhuang)(zhuang)(zhuang)(zhuang)本體(ti)面積(ji)(ji)與芯片(pian)面積(ji)(ji)之比小于(yu) 1.
4 或 1 .2 的(de)(de)(de)定為 CSP。目(mu)前(qian)開發應用(yong)最為廣泛的(de)(de)(de)是 FBGA 和 QFN 等(deng)(deng),主要(yao)用(yong)于內存件和邏輯器件。就目(mu)前(qian)來(lai)看 CSP的(de)(de)(de)引腳數還(huan)不(bu)可能(neng)太多,從幾十到一百以上(shang)(shang)。這種高密度、小巧、扁(bian)薄的(de)(de)(de)封(feng)裝(zhuang)(zhuang)非常適用(yong)于設計小巧的(de)(de)(de)掌(zhang)上(shang)(shang)型消費類電子裝(zhuang)(zhuang)置(zhi),如(ru)個人信息(xi)工具(ju)、手機、攝錄一體機、以及數碼相機等(deng)(deng)。
CSP 封(feng)(feng)裝(zhuang)(zhuang)(zhuang)具(ju)有(you)以下特點(dian):解(jie)決了 IC 裸(luo)芯片不能進行交流參數(shu)測試和(he)老化篩選(xuan)的(de)問題;封(feng)(feng)裝(zhuang)(zhuang)(zhuang)面(mian)積縮小(xiao)到 BGA 的(de) 1/4~1 / 1 0,延遲時(shi)間(jian)縮小(xiao)到極短; CSP 封(feng)(feng)裝(zhuang)(zhuang)(zhuang)的(de)內存顆粒不僅可(ke)(ke)以通過 PCB 板(ban)散(san)熱還(huan)可(ke)(ke)以從背(bei)面(mian)散(san)熱,且散(san)熱效(xiao)率良好。 就封(feng)(feng)裝(zhuang)(zhuang)(zhuang)型式(shi)(shi)而言,它屬于已有(you)封(feng)(feng)裝(zhuang)(zhuang)(zhuang)型式(shi)(shi)的(de)派(pai)生品,因此可(ke)(ke)直接(jie)按照現有(you)封(feng)(feng)裝(zhuang)(zhuang)(zhuang)型式(shi)(shi)來分為 4 類:框架封(feng)(feng)裝(zhuang)(zhuang)(zhuang)型式(shi)(shi)(Lead Frame Type)、硬質基(ji)板(ban)封(feng)(feng)裝(zhuang)(zhuang)(zhuang)型式(shi)(shi)(Rigid Substrate Type)、軟質基(ji)板(ban)封(feng)(feng)裝(zhuang)(zhuang)(zhuang)型式(shi)(shi)(Flexible Substrate Type)和(he)芯片級(ji)封(feng)(feng)裝(zhuang)(zhuang)(zhuang)(Wafer Level Package)。
多(duo)(duo)(duo)晶(jing)(jing)(jing)片模(mo)塊(kuai)(kuai) MCM(Multi Chip M0dule) 。20 世紀 80 年代初(chu)發源于(yu)美國,為解決單一(yi)(yi)晶(jing)(jing)(jing)片封(feng)(feng)(feng)裝(zhuang)(zhuang)集(ji)(ji)成(cheng)度低和(he)功能不夠(gou)完善的(de)(de)(de)(de)(de)問題,把多(duo)(duo)(duo)個(ge)高(gao)集(ji)(ji)成(cheng)度、高(gao)性(xing)能、高(gao)可靠性(xing)的(de)(de)(de)(de)(de)晶(jing)(jing)(jing)片,在(zai)(zai)(zai)高(gao)密(mi)(mi)度多(duo)(duo)(duo)層互(hu)聯(lian)基板上(shang)組成(cheng)多(duo)(duo)(duo)種多(duo)(duo)(duo)樣(yang)的(de)(de)(de)(de)(de)電子模(mo)塊(kuai)(kuai)系(xi)統(tong),從而(er)出現多(duo)(duo)(duo)晶(jing)(jing)(jing)片模(mo)塊(kuai)(kuai)系(xi)統(tong)。它(ta)是(shi)把多(duo)(duo)(duo)塊(kuai)(kuai)裸(luo)露的(de)(de)(de)(de)(de) IC 晶(jing)(jing)(jing)片安裝(zhuang)(zhuang)在(zai)(zai)(zai)一(yi)(yi)塊(kuai)(kuai)多(duo)(duo)(duo)層高(gao)密(mi)(mi)度互(hu)連襯底上(shang),并(bing)組裝(zhuang)(zhuang)在(zai)(zai)(zai)同(tong)一(yi)(yi)個(ge)封(feng)(feng)(feng)裝(zhuang)(zhuang)中(zhong)(zhong)。它(ta)和(he) CSP 封(feng)(feng)(feng)裝(zhuang)(zhuang)一(yi)(yi)樣(yang)屬(shu)于(yu)已有(you)封(feng)(feng)(feng)裝(zhuang)(zhuang)形式的(de)(de)(de)(de)(de)派生(sheng)品,是(shi)一(yi)(yi)種先進(jin)(jin)的(de)(de)(de)(de)(de)封(feng)(feng)(feng)裝(zhuang)(zhuang)技術。多(duo)(duo)(duo)芯(xin)片模(mo)塊(kuai)(kuai)具有(you)以(yi)(yi)下特點:封(feng)(feng)(feng)裝(zhuang)(zhuang)密(mi)(mi)度更(geng)高(gao),電性(xing)能更(geng)好(hao),與(yu)等效的(de)(de)(de)(de)(de)單芯(xin)片封(feng)(feng)(feng)裝(zhuang)(zhuang)相比體積更(geng)小,是(shi)促(cu)使(shi)電路系(xi)統(tong)向小型化過渡的(de)(de)(de)(de)(de)最(zui)好(hao)形式。如(ru)果采用(yong)傳(chuan)統(tong)的(de)(de)(de)(de)(de)單個(ge)芯(xin)片封(feng)(feng)(feng)裝(zhuang)(zhuang)的(de)(de)(de)(de)(de)形式分別焊接(jie)在(zai)(zai)(zai)印刷(shua)電路板上(shang),則芯(xin)片之間(jian)布線(xian)引起的(de)(de)(de)(de)(de)信號傳(chuan)輸延(yan)遲(chi)就顯得非常嚴重,尤其是(shi)在(zai)(zai)(zai)高(gao)頻電路中(zhong)(zhong),而(er)此(ci)封(feng)(feng)(feng)裝(zhuang)(zhuang)最(zui)大(da)(da)的(de)(de)(de)(de)(de)優點就是(shi)縮(suo)短芯(xin)片之間(jian)布線(xian)長度,而(er)達到(dao)縮(suo)短延(yan)遲(chi)時(shi)間(jian),易(yi)于(yu)實現模(mo)塊(kuai)(kuai)高(gao)速(su)化;縮(suo)小整機(ji)/模(mo)塊(kuai)(kuai)的(de)(de)(de)(de)(de)封(feng)(feng)(feng)裝(zhuang)(zhuang)尺(chi)寸和(he)重量;系(xi)統(tong)可靠性(xing)大(da)(da)大(da)(da)提(ti)高(gao)。 WLCSP(Wafer Level Chip Scale Package)。此(ci)封(feng)(feng)(feng)裝(zhuang)(zhuang)不同(tong)于(yu)傳(chuan)統(tong)的(de)(de)(de)(de)(de)先切割晶(jing)(jing)(jing)圓(yuan)(yuan)(yuan),再組裝(zhuang)(zhuang)測(ce)(ce)試(shi)的(de)(de)(de)(de)(de)做法,而(er)是(shi)先在(zai)(zai)(zai)整片晶(jing)(jing)(jing)圓(yuan)(yuan)(yuan)上(shang)進(jin)(jin)行封(feng)(feng)(feng)裝(zhuang)(zhuang)和(he)測(ce)(ce)試(shi),然后再切割,如(ru)圖 6 所(suo)示。它(ta)有(you)著更(geng)明顯的(de)(de)(de)(de)(de)優勢(shi):首先是(shi)工(gong)藝(yi)工(gong)序大(da)(da)大(da)(da)優化,晶(jing)(jing)(jing)圓(yuan)(yuan)(yuan)直(zhi)接(jie)進(jin)(jin)入封(feng)(feng)(feng)裝(zhuang)(zhuang)工(gong)序,而(er)傳(chuan)統(tong)工(gong)藝(yi)在(zai)(zai)(zai)封(feng)(feng)(feng)裝(zhuang)(zhuang)之前還要對晶(jing)(jing)(jing)圓(yuan)(yuan)(yuan)進(jin)(jin)行切割、分類;所(suo)有(you)集(ji)(ji)成(cheng)電路一(yi)(yi)次封(feng)(feng)(feng)裝(zhuang)(zhuang),刻印工(gong)作直(zhi)接(jie)在(zai)(zai)(zai)晶(jing)(jing)(jing)圓(yuan)(yuan)(yuan)上(shang)進(jin)(jin)行,設備測(ce)(ce)試(shi)一(yi)(yi)次完成(cheng),有(you)別于(yu)傳(chuan)統(tong)組裝(zhuang)(zhuang)工(gong)藝(yi);生(sheng)產(chan)周期和(he)成(cheng)本(ben)大(da)(da)幅下降(jiang),它(ta)的(de)(de)(de)(de)(de)生(sheng)產(chan)周期已經縮(suo)短到(dao) 1 天半(ban);使(shi)芯(xin)片所(suo)需引腳數(shu)減少,提(ti)高(gao)了(le)集(ji)(ji)成(cheng)度;引腳產(chan)生(sheng)的(de)(de)(de)(de)(de)電磁干擾幾乎被消除,采用(yong)此(ci)封(feng)(feng)(feng)裝(zhuang)(zhuang)的(de)(de)(de)(de)(de)內(nei)存可以(yi)(yi)支持到(dao) 800 MHz 的(de)(de)(de)(de)(de)頻率,最(zui)大(da)(da)容(rong)量可達 1GB,所(suo)以(yi)(yi)它(ta)號稱是(shi)封(feng)(feng)(feng)裝(zhuang)(zhuang)的(de)(de)(de)(de)(de)未來主(zhu)流(liu);它(ta)的(de)(de)(de)(de)(de)不足(zu)之處是(shi):簽片得不到(dao)足(zu)夠(gou)的(de)(de)(de)(de)(de)保護。
防(fang)雷 / 過(guo)電壓(ya) / 電流 / ESD
電子(zi)電路保護(hu)器件專業提供商
針(zhen)對POE取電(dian), 國際IEEE 802.3標準說明 及(ji)兩種(zhong)取電(dian)方式
yxgc.net 本文為音特公(gong)司技術人員經驗(yan)總結,如有更(geng)合理方案,敬(jing)請聯(lian)系探討!
使用音特電子INT.P0640SCL+PPTC 保護POE取電裝置.注:PPTC 選擇要根據 IEEE 802.3標準 功率!
對TVS二極(ji)管(guan)(guan)效果與(yu)半導(dao)體放電管(guan)(guan)(俗稱:晶(jing)閘管(guan)(guan)或Thyristor)

防(fang)雷 / 過電壓 / 電流(liu) / ESD
電(dian)子電(dian)路(lu)保護(hu)器件專業提供商

LED工程燈的電源防雷保護簡述
引言:
隨著全球化的(de)(de)節能減(jian)排趨(qu)勢,LED技術的(de)(de)不(bu)(bu)斷(duan)革新(xin);從傳統的(de)(de)白熾燈(deng)到燈(deng)絲上涂(tu)了一些電子(zi)粉的(de)(de)節能燈(deng),到現(xian)在(zai)的(de)(de)LED節能燈(deng);世界(jie)各大(da)半導體廠(chang)商均在(zai)不(bu)(bu)斷(duan)改進LED器(qi)件的(de)(de)能耗、使用壽命、散熱(re)問題(ti)等(deng)等(deng)技術;實質上,整個LED照明系(xi)統的(de)(de)損壞主要為驅動器(qi)的(de)(de)損壞,而(er)現(xian)實中眾多廠(chang)家(jia)對驅動電源的(de)(de)穩定性似乎考(kao)慮的(de)(de)不(bu)(bu)夠充分(fen)!
LED節能產品已經(jing)廣泛用于(yu)工業廠房照(zhao)明,城(cheng)市(shi)(shi)景觀、城(cheng)市(shi)(shi)照(zhao)明、窗外廣告照(zhao)明、隧道(dao)照(zhao)明等等!我司結合眾多的項目經(jing)驗,對于(yu)目前LED驅(qu)動電源的保(bao)護做一些簡要的介紹:




主(zhu)要涉及標(biao)準(zhun): IEC61000-4-5 / GB/T17626.5
綜合波 8/20US 1.25/50US 低電電網源(yuan)阻(zu)抗,使用等效輸入2Ω試驗等級:
| 
 等級  | 
 開路(lu)試(shi)驗(yan)電壓+ 10%  | 
| 
 1  | 
 0.5KV  | 
| 
 2  | 
 1KV  | 
| 
 3  | 
 2KV  | 
| 
 4  | 
 4KV  | 
| 
 5  | 
 10KV或(huo)100KV(山區地帶或(huo)多(duo)雷森林區)  | 
第一部分:室外照明(不分恒流或恒壓介紹)
特(te)點:室(shi)外照明系統(tong)的(de)工(gong)作環(huan)境非常惡(e)劣(lie),容易受到(dao)雷電(dian)浪涌干(gan)擾;驅動電(dian)源的(de)損壞,維(wei)護成本(ben)較(jiao)高昂(ang)。
電(dian)氣特性:要求(qiu)寬輸入電(dian)壓范圍(wei)、恒流精度要求(qiu)高、電(dian)流波動(dong)小(xiao)
| 
 驅動電源(yuan)功率(包(bao)括恒流或恒壓)  | 
 建議方案  | 
| 
 100W < P < 300W  | 
 方案1  | 
| 
 50W < P < 100W  | 
 方案1、方案2  | 
| 
 15W < P < 50W  | 
 方案2、方案3  | 
| 
 5W < P < 15W  | 
 方(fang)案2 、方(fang)案3、方(fang)案4  | 

方案1
優點:它使用(yong)了(le)共、差模(mo)全方位保護(hu),并且在共差模(mo)線(xian)上(shang)均和(he)放電(dian)管串(chuan)接;正(zheng)常情況沒有漏(lou)電(dian)流(liu),同時(shi)也會(hui)(hui)延(yan)長壓(ya)敏電(dian)阻(zu)的使用(yong)壽命;一(yi)般(ban)情況,當壓(ya)敏電(dian)阻(zu)發現(xian)失效(xiao)時(shi)為(wei)開路(lu)或爆(bao)裂,也不免(mian)有特殊情況,壓(ya)敏電(dian)阻(zu)短(duan)路(lu)失效(xiao)時(shi),放電(dian)管將會(hui)(hui)開路(lu)保護(hu)電(dian)路(lu),否(fou)則會(hui)(hui)引起(qi)電(dian)路(lu)總線(xian)跳(tiao)閘(zha)。
它(ta)在線上串(chuan)接(jie)了抑制浪涌電(dian)流(liu)的(de)熱敏電(dian)阻,這種有利于當電(dian)源開(kai)關(ON/OFF)切換(huan)時,吸收浪涌電(dian)流(liu),減(jian)少(shao)因開(kai)關過(guo)程的(de)電(dian)火花產生,使得恒流(liu)精度(du)更高(gao)、更穩(wen)定(ding)。也有利于后級整流(liu)穩(wen)壓電(dian)路的(de)器件壽命延長。
缺(que)點:成本相(xiang)對較高(gao),占(zhan)一定(ding)的空間

方案3
優點:性價比一般(ban)、它(ta)使用了差(cha)模保護,在差(cha)模線(xian)上和(he)放電管串接;正常(chang)情況LN線(xian)之(zhi)間(jian)沒有漏電流(liu),同時也會延長壓敏電阻的使用壽命(ming),它(ta)適合很多沒有接PE保護地線(xian)的項目實施。
它在(zai)線上串接了(le)抑制浪涌電(dian)流(liu)(liu)的(de)熱敏電(dian)阻(zu),這種有(you)(you)利于當(dang)電(dian)源開(kai)(kai)關(ON/OFF)切換時(shi),吸收浪涌電(dian)流(liu)(liu),減少(shao)因開(kai)(kai)關過程(cheng)的(de)電(dian)火花產生,使得恒流(liu)(liu)精度(du)更(geng)高、更(geng)穩定。也(ye)有(you)(you)利于后(hou)級整流(liu)(liu)穩壓電(dian)路的(de)器件(jian)壽命延(yan)長(chang)。缺點:浪涌電(dian)壓僅靠器件(jian)吸收,沒(mei)有(you)(you)合適泄放能量的(de)地。

方案2
優點:它使(shi)用(yong)了共、差模全(quan)方位(wei)保(bao)護,在共模線上(shang)和(he)放電管串接入PE保(bao)護地;正常(chang)情(qing)況線與PE線之間沒有漏(lou)電流,同時也會延長壓敏電阻的使(shi)用(yong)壽命。
它在線上串接(jie)了抑制浪(lang)涌電(dian)流的熱敏電(dian)阻,這種(zhong)有利于(yu)當電(dian)源開關(ON/OFF)切換時(shi),吸收浪(lang)涌電(dian)流,減(jian)少(shao)因開關過程(cheng)的電(dian)火花產生,使得恒流精度更(geng)高、更(geng)穩(wen)定。也(ye)有利于(yu)后級整流穩(wen)壓電(dian)路的器(qi)件(jian)壽命(ming)延(yan)長。
缺點:差模線上壓(ya)敏電阻發生短路失效,增加跳閘的(de)機(ji)率

方案4
優點:性價(jia)比(bi)高、它使用了差(cha)模保護,在差(cha)模線上(shang)僅用壓(ya)敏電(dian)阻;PCBLayout 不占空間,適合(he)小功率緊湊(cou)型電(dian)路。
它在線(xian)上串接了抑制(zhi)浪(lang)(lang)涌電流(liu)的(de)(de)熱敏電阻(zu),這種有利于當電源開關(guan)(ON/OFF)切換(huan)時,吸收浪(lang)(lang)涌電流(liu),減少因開關(guan)過程的(de)(de)電火花產生(sheng),使得恒流(liu)精度更(geng)(geng)高、更(geng)(geng)穩定(ding)。也有利于后級整流(liu)穩壓電路的(de)(de)器件(jian)壽命延長(chang)。
缺點:對于壓敏電阻(zu)要求(qiu)比較高(gao),對機殼的阻(zu)燃性要求(qiu)相對較高(gao)。
器件選擇(ze)(110V電源 電壓波動20%):
| 
 驅動電源功(gong)率(lv)(包括恒流或恒壓)  | 
 試驗等(deng)級IEC61000-4-5 / GB/T17626.5  | 
|||||||
| 
 器件名稱  | 
 等級1 0.5KV  | 
 等級2 1.0KV  | 
 等級3 2KV  | 
 等級4 4KV  | 
||||
| 
 100W <  | 
 P  | 
 <  | 
 300W  | 
 壓敏電阻  | 
 14D241K  | 
 14D241K  | 
 20D241K  | 
 25D241K  | 
| 
 熱敏電阻  | 
 2.5D20或D25  | 
 2.5D20或(huo)D25  | 
 2.5D20或D25  | 
 2.5D20或D25  | 
||||
| 
 氣體放電管  | 
 2R230L-5.5  | 
 2R230L-6  | 
 2R230L-8  | 
 2R230L-10  | 
||||
| 
 50W <  | 
 P  | 
 <  | 
 100W  | 
 壓敏電阻  | 
 10D241K  | 
 14D241K  | 
 20D241K  | 
 20D241K  | 
| 
 熱敏電阻  | 
 5D15或D20  | 
 5D15或D20  | 
 5D15或D20  | 
 5D15或D20  | 
||||
| 
 氣體放電管  | 
 2R230L-5.5  | 
 2R230L-6  | 
 2R230L-8  | 
 2R230L-10  | 
||||
| 
 15W <  | 
 P  | 
 <  | 
 50W  | 
 壓敏電阻  | 
 10D241K  | 
 10D241K  | 
 20D241K  | 
 20D241K  | 
| 
 熱敏電阻  | 
 5D9或D11  | 
 5D9或D11  | 
 5D9或D11  | 
 5D9或D11  | 
||||
| 
 氣體放電管  | 
 2R230L-5.5  | 
 2R230L-6  | 
 2R230L-8  | 
 2R230L-10  | 
||||
| 
 5W <  | 
 P  | 
 <  | 
 15W  | 
 壓敏電阻  | 
 07D241K  | 
 10D241K  | 
 NC  | 
 NC  | 
| 
 熱敏電阻  | 
 5D7或D9  | 
 5D7或D9  | 
 NC  | 
 NC  | 
||||
| 
 氣體放電管  | 
 2R230L-5.5  | 
 2R230L-6  | 
 NC  | 
 NC  | 
||||
器件選擇(220V電源 電壓波動20%)
| 
 驅(qu)動電源功率(lv)(包(bao)括恒流或恒壓)  | 
 試驗(yan)等級IEC61000-4-5 / GB/T17626.5  | 
|||||||
| 
 器件名稱  | 
 等級1 0.5KV  | 
 等級2 1.0KV  | 
 等級3 2KV  | 
 等級4 4KV  | 
||||
| 
 100W <  | 
 P  | 
 <  | 
 300W  | 
 壓敏電阻  | 
 14D511K  | 
 20D511K  | 
 20D511K  | 
 25D511K  | 
| 
 熱敏電阻  | 
 2.5D15或D20  | 
 2.5D15或D20  | 
 2.5D15或D20  | 
 2.5D15或D20  | 
||||
| 
 氣體放電管  | 
 2R600L-6  | 
 2R600L-6  | 
 2R600L-8  | 
 2R600L-10  | 
||||
| 
 50W <  | 
 P  | 
 <  | 
 100W  | 
 壓敏電阻  | 
 14D511K  | 
 14D511K  | 
 20D511K  | 
 25D511K  | 
| 
 熱敏電阻  | 
 5D15或D20  | 
 5D15或D20  | 
 5D15或D20  | 
 5D15或D20  | 
||||
| 
 氣體放電管  | 
 2R600L-6  | 
 2R600L-6  | 
 2R600L-8  | 
 2R600L-10  | 
||||
| 
 15W <  | 
 P  | 
 <  | 
 50W  | 
 壓敏電阻  | 
 10D511K  | 
 10D511K  | 
 20D511K  | 
 25D511K  | 
| 
 熱敏電阻  | 
 10D9或D11  | 
 10D9或D11  | 
 10D9或D11  | 
 10D9或D11  | 
||||
| 
 氣體放電管  | 
 2R600L-6  | 
 2R600L-6  | 
 2R600L-8  | 
 2R600L-10  | 
||||
| 
 5W <  | 
 P  | 
 <  | 
 15W  | 
 壓敏電阻  | 
 7D511K  | 
 7D511K  | 
 NC  | 
 NC  | 
| 
 熱敏電阻  | 
 22D7或D9  | 
 22D7或D9  | 
 NC  | 
 NC  | 
||||
| 
 氣體放電管  | 
 2R600L-6  | 
 2R600L-6  | 
 NC  | 
 NC  | 
||||
第二部分:室內照明(不分恒流或恒壓介紹)
特點:室內(nei)照明系統的(de)(de)工作環境相對(dui)較發,不容(rong)(rong)易受(shou)到(dao)雷電浪涌干擾(rao);但容(rong)(rong)易受(shou)室內(nei)的(de)(de)電氣(qi)設(she)備的(de)(de)影響,需要充份考慮成(cheng)本。
電氣特性(xing):要(yao)求輸入電壓范(fan)圍適(shi)用、恒流精度(du)要(yao)求一般(ban)
| 
 驅動電源功率(包括恒流或恒壓)  | 
 建議方案  | 
| 
 100W < P < 300W  | 
 方案2、方案3  | 
| 
 50W < P < 100W  | 
 方案2、方案3、方案4  | 
| 
 15W < P < 50W  | 
 方案3、方案4  | 
| 
 5W < P < 15W  | 
 方案4  | 
器件選(xuan)擇(110V電源 電壓波動20%):
| 
 驅動電源功率(lv)(包括恒(heng)流或恒(heng)壓)  | 
 試(shi)驗等級IEC61000-4-5 / GB/T17626.5  | 
|||||||
| 
 器件名稱  | 
 等級1  | 
 等級2  | 
 等級3  | 
 等級4  | 
||||
| 
 100W <  | 
 P  | 
 <  | 
 300W  | 
 壓敏電阻  | 
 20D241K  | 
 25D241K  | 
 NC  | 
 NC  | 
| 
 熱敏電阻  | 
 5D20或D25  | 
 5D20或D25  | 
 NC  | 
 NC  | 
||||
| 
 氣體放電管  | 
 2R230L-6  | 
 2R230L-6  | 
 NC  | 
 NC  | 
||||
| 
 50W <  | 
 P  | 
 <  | 
 100W  | 
 壓敏電阻  | 
 14D241K  | 
 14D241K  | 
 NC  | 
 NC  | 
| 
 熱敏電阻  | 
 5D15或D20  | 
 5D15或D20  | 
 NC  | 
 NC  | 
||||
| 
 氣體放電管  | 
 2R230L-6  | 
 2R230L-6  | 
 NC  | 
 NC  | 
||||
| 
 15W <  | 
 P  | 
 <  | 
 50W  | 
 壓敏電阻  | 
 10D241K  | 
 14D241K  | 
 NC  | 
 NC  | 
| 
 熱敏電阻  | 
 5D9或D11  | 
 5D9或D11  | 
 NC  | 
 NC  | 
||||
| 
 氣體放電管  | 
 2R230L-6  | 
 2R230L-6  | 
 NC  | 
 NC  | 
||||
| 
 5W <  | 
 P  | 
 <  | 
 15W  | 
 壓敏電阻  | 
 07D241K  | 
 10D241K  | 
 NC  | 
 NC  | 
| 
 熱敏電阻  | 
 5D7或D9  | 
 5D7或D9  | 
 NC  | 
 NC  | 
||||
| 
 氣體放電管  | 
 NC  | 
 NC  | 
 NC  | 
 NC  | 
||||
器(qi)件(jian)選擇(220V電源 電壓波動(dong)20%)
| 
 驅動(dong)電(dian)源功率(包(bao)括恒流或恒壓)  | 
 試(shi)驗等級IEC61000-4-5 / GB/T17626.5  | 
|||||||
| 
 器件名稱  | 
 等級1  | 
 等級2  | 
 等級3  | 
 等級4  | 
||||
| 
 100W <  | 
 P  | 
 <  | 
 300W  | 
 壓敏電阻  | 
 20D511K  | 
 20D511K  | 
 NC  | 
 NC  | 
| 
 熱敏電阻  | 
 2.5D20或D25  | 
 2.5D20或D25  | 
 NC  | 
 NC  | 
||||
| 
 氣體放電管  | 
 2R600L-6  | 
 2R600L-6  | 
 NC  | 
 NC  | 
||||
| 
 50W <  | 
 P  | 
 <  | 
 100W  | 
 壓敏電阻  | 
 14D511K  | 
 14D511K  | 
 NC  | 
 NC  | 
| 
 熱敏電阻  | 
 5D15或D20  | 
 5D15或D20  | 
 NC  | 
 NC  | 
||||
| 
 氣體放電管  | 
 2R600L-6  | 
 2R600L-6  | 
 NC  | 
 NC  | 
||||
| 
 15W <  | 
 P  | 
 <  | 
 50W  | 
 壓敏電阻  | 
 10D511K  | 
 14D511K  | 
 NC  | 
 NC  | 
| 
 熱敏電阻  | 
 10D9或D11  | 
 10D9或D11  | 
 NC  | 
 NC  | 
||||
| 
 氣體放電管  | 
 2R600L-6  | 
 2R600L-6  | 
 NC  | 
 NC  | 
|
| 
 5W < P < 15W  | 
 壓敏電阻  | 
 07D511K  | 
 10D511K  | 
 NC  | 
 NC  | 
| 
 熱敏電阻  | 
 5D7或D9  | 
 5D7或D9  | 
 NC  | 
 NC  | 
|
| 
 氣體放電管  | 
 NC  | 
 NC  | 
 NC  | 
 NC  | 
方案說明:
1.以(yi)上(shang)器件選(xuan)型,針對(dui)一般(ban)的(de)電路設計,針對(dui)特定條件下(xia)的(de)產品,做相(xiang)應(ying)調整(zheng).
2.電流抑制熱敏電阻的選擇,還需要根(gen)據電源輸入端(duan)的電容(rong)量選擇,效果才能達到(dao)最佳,可參考我司《功率熱敏電阻選型說明》。
第三部份: 國際部份安全及電磁兼容標準
| 
 Safety Category  | 
 Country  | 
 Standard  | 
| 
 UL  | 
 USA & Canada  | 
 UL8750, UL935, UL1012, UL1310 Class 2, CSA-C22.2 No. 107.1, CSA C22.2 NO.  | 
| 
 CE  | 
 Europe  | 
 EN 61347-1, EN61347-2-13  | 
| 
 EMI Standards  | 
 Country  | 
 Notes  | 
| 
 EN 55015  | 
 Europe  | 
 Conducted emission Test & Radiated emission Test with 6 dB margin  | 
| 
 FCC  | 
 USA  | 
 FCC Part 15 Class B, ANSI C63.4: 2009.  | 
| 
 EMS Standards  | 
 Notes  | 
|
| 
 EN 61000-3-2  | 
 Harmonic current emissions  | 
|
| 
 EN 61000-3-3  | 
 Voltage fluctuations & flicker  | 
|
| 
 EN 61000-4-2  | 
 Electrostatic Discharge (ESD): 8 kV air discharge, 4 kV contact discharge  | 
|
| 
 EN 61000-4-3  | 
 Radio-Frequency Electromagnetic Field Susceptibility Test-RS  | 
|
| 
 EN 61000-4-4  | 
 Electrical Fast Transient / Burst-EFT  | 
|
| 
 EN 61000-4-5  | 
 Surge Immunity Test: AC Power Line: line to line 2 kV, line to earth 4 kV  | 
|
| 
 EN 61000-4-6  | 
 Conducted Radio Frequency Disturbances  | 
|
| 
 EN 61000-4-8  | 
 Test-CS Power Frequency Magnetic Field Test  | 
|
| 
 EN 61000-4-11  | 
 Voltage Dips  | 
|
| 
 EN 61547  | 
 Electromagnetic Immunity Requirements Applies To Lighting Equipment 
  | 
|
電(dian)(dian)(dian)涌(yong)顧名思義就是(shi)超出正常工作電(dian)(dian)(dian)壓(ya)的(de)(de)瞬(shun)間過電(dian)(dian)(dian)壓(ya),其來(lai)源(yuan)分為(wei)外部來(lai)源(yuan)(雷(lei)電(dian)(dian)(dian)和電(dian)(dian)(dian)網中(zhong)開關操作等在(zai)電(dian)(dian)(dian)力線路(lu)上產生(sheng)(sheng)的(de)(de)過電(dian)(dian)(dian)壓(ya))和內部來(lai)源(yuan)(空(kong)調、電(dian)(dian)(dian)梯、電(dian)(dian)(dian)焊機(ji)、空(kong)氣壓(ya)縮機(ji)和其它感應(ying)性負荷),根據(ju)統計,在(zai)美(mei)國:由于電(dian)(dian)(dian)涌(yong)給(gei)各行業造成的(de)(de)停產、時(shi)間的(de)(de)損(sun)(sun)失(shi)、設備維修(xiu)、過早地(di)更換設備等直(zhi)接損(sun)(sun)失(shi)每年高達 260 億美(mei)金,在(zai)中(zhong)國,據(ju)有關統計,在(zai)保修(xiu)期(qi)內出現問題的(de)(de)電(dian)(dian)(dian)氣產品(pin)中(zhong),有 63%是(shi)由于電(dian)(dian)(dian)涌(yong)產生(sheng)(sheng)的(de)(de)。我司依據(ju) GB/T17626.5 IEC61000-4-5對浪(lang)涌(yong)(沖擊)抗擾度試(shi)驗(yan),對低壓(ya)直(zhi)流防(fang)雷(lei)保護方(fang)案(an)做(zuo)了一些整(zheng)理和測試(shi),以供大(da)家(jia)參考。
1. 通(tong)用的(de)低壓直(zhi)流(liu)保護方案

| 
 類型  | 
 MOV  | 
 GDT  | 
 L  | 
 TVS  | 
| 
 24V  | 
 14D820K  | 
 2R090L-8  | 
 220µH  | 
 SMCJ30 或(huo) 1.5KE36CA  | 
| 
 12V  | 
 14D820K  | 
 2R090L-8  | 
 220µH  | 
 SMCJ15CA 或 1.5KE18CA  | 
| 
 48V  | 
 14D101K  | 
 2R150L  | 
 470µH  | 
 SMDJ58CA  | 
特點:
壓敏電阻做粗保護,TVS瞬態抑制二極管做細保護(hu),用電(dian)感或者PPTC自恢復保險(xian)絲耦合,浪(lang)涌的殘壓(ya)很低,溫度(du)保險(xian)絲 F 是(shi)為了讓壓(ya)敏電(dian)阻或者 TVS 短路(lu)(lu)失效后脫落電(dian)路(lu)(lu),以(yi)防止短路(lu)(lu)電(dian)流過(guo)大造成(cheng)火災。
如果沒有地線,可在“+”“-”間使(shi)用一(yi)個壓敏電阻(zu)14D820K 和一(yi)個氣體放電管做初級保護,中間用電感或者(zhe) PPTC自(zi)恢復保險絲做耦(ou)合(he),次級使(shi)用 TVS瞬態抑(yi)制二極(ji)管做細保護。
以上方案滿足: IEC61000-4-5 10/700US 6KV /150A,1.2/50US&8/20US6KV /3KA
音特研發組:(yxgc.net)
音(yin)特電(dian)子TVS、ESD、MOV、GDT等產品,主要應用于工業與儀(yi)器儀(yi)表領域的以下(xia)方面(mian):
1、交流伺服電機系(xi)統(tong)
2、自動測試(shi)設備
3、條形碼(ma)掃(sao)描儀(yi)
4、具備CAN聯(lian)網功(gong)能的步進電(dian)機驅動器  
5、文檔(dang)掃描(miao)儀  
6、電子恒溫器
7、流量計  
8、通用控制系統
9、HEV/EV Charging    
10、High Speed Inspection Camera  
11、I2C步進電機驅動器  
12、IPM Inverter Motor Control
13、工業(ye)過程測量與(yu)控制
14、儀表(biao)設備 - 數(shu)據采集(ji)  
15、逆變焊機(ji)  
16、IoT Edge Sensor Node  
17、LIN步進電機驅動器
18、低光(guang)安全攝像機
19、Machine Vision
20、馬(ma)達控制(zhi)系統
21、乘坐傳感器  
22、以(yi)太網(wang)供電(PoE)銷(xiao)售點(POS)終端
23、以(yi)太網供電(PoE)可編程邏輯控制器
24、以太(tai)網供電(dian)(PoE)保(bao)安攝像機
25、便攜數據(ju)記錄器(qi)  
26、RFID讀(du)取器  
27、保安監控器
28、老虎機  
29、智能(neng)電表  
30、太(tai)陽能逆變器  
31、不間(jian)斷電源(UPS)(離線式)  
32、不(bu)間(jian)斷(duan)電源(UPS)(在線(xian)式)
33、自動(dong)販賣機(ji)
34、視覺系統
35、無線攝像頭
其(qi)中(zhong)部(bu)分產品的應用列表為:

繼電器廣(guang)泛(fan)應用(yong)于消(xiao)費電子產業和工業設(she)備中(zhong),它具有(you)控(kong)(kong)制(zhi)系統(又稱輸入回(hui)路(lu)(lu)(lu))和被控(kong)(kong)制(zhi)系統(又稱輸出回(hui)路(lu)(lu)(lu)),它實際上是用(yong)較(jiao)小的電流去(qu)控(kong)(kong)制(zhi)較(jiao)大(da)電流的一種"自(zi)動開(kai)關".故在電路(lu)(lu)(lu)中(zhong)起著(zhu)自(zi)動調節、安全保護、轉換電路(lu)(lu)(lu)等(deng)作(zuo)用(yong)。
繼(ji)電(dian)(dian)(dian)器(qi)(qi)可能(neng)(neng)因(yin)為過(guo)流(liu)(liu)或者(zhe)(zhe)過(guo)壓(ya)而(er)損害,繼(ji)電(dian)(dian)(dian)器(qi)(qi)由一對或者(zhe)(zhe)幾對觸點(dian)和繞組(zu)組(zu)成。當(dang)繞組(zu)中有電(dian)(dian)(dian)流(liu)(liu)流(liu)(liu)過(guo)時,觸點(dian)便會打開或者(zhe)(zhe)閉合。當(dang)繼(ji)電(dian)(dian)(dian)器(qi)(qi)把流(liu)(liu)到感(gan)性(xing)負(fu)載的電(dian)(dian)(dian)流(liu)(liu)中斷(duan)時,會出現(xian)電(dian)(dian)(dian)壓(ya)尖脈沖,這是一個常(chang)見的問(wen)題(ti)。嚴(yan)重時,電(dian)(dian)(dian)壓(ya)尖脈沖會超過(guo)繼(ji)電(dian)(dian)(dian)器(qi)(qi)觸點(dian)的額定電(dian)(dian)(dian)壓(ya),從而(er)損壞(huai)觸點(dian)。可能(neng)(neng)會突然損壞(huai)而(er)且很嚴(yan)重,或者(zhe)(zhe)非常(chang)緩(huan)慢,要在多年后才(cai)能(neng)(neng)體現(xian)。
此外,當觸點(dian)斷(duan)開、電(dian)流(liu)中斷(duan)時(shi),如(ru)果在(zai)(zai)繼電(dian)器觸點(dian)中流(liu)過的(de)電(dian)流(liu)過大(da)(da),也會造成損(sun)壞。電(dian)流(liu)過大(da)(da)、電(dian)壓過高還會損(sun)壞繼電(dian)器的(de)繞組(zu)。如(ru)果繼電(dian)器繞組(zu)是設計(ji)成在(zai)(zai)正常(chang)工作(zuo)的(de)情況下只在(zai)(zai)短(duan)時(shi)間(jian)里有電(dian)流(liu)流(liu)過的(de)話,在(zai)(zai)意外地有電(dian)流(liu)長時(shi)間(jian)流(liu)過時(shi),電(dian)流(liu)雖然是在(zai)(zai)正常(chang)工作(zuo)的(de)范圍之內,最終也會把繞組(zu)燒壞。
保護繼電器的方法有很多種,自恢復保險絲 PPTC 是(shi)常(chang)用的(de)(de)過流(liu)保護器件,它的(de)(de)特點(dian)是(shi)電(dian)(dian)路(lu)(lu)在(zai)正(zheng)常(chang)工(gong)作時 PPTC 的(de)(de)電(dian)(dian)阻(zu)很小,對電(dian)(dian)路(lu)(lu)幾乎沒(mei)有(you)影響,而當有(you)過電(dian)(dian)流(liu)出現時,PPTC 的(de)(de)阻(zu)值迅速(su)增大,使流(liu)經(jing)的(de)(de)電(dian)(dian)流(liu)降(jiang)(jiang)低(di)到(dao)很低(di)的(de)(de)水平(ping)。只有(you)當電(dian)(dian)路(lu)(lu)切斷,并排除故障,PPTC 重新(xin)冷卻,才會恢復(fu)到(dao)低(di)阻(zu)態的(de)(de)狀(zhuang)態。PPTC 最大的(de)(de)優勢是(shi)具有(you)可復(fu)位功能,有(you)助于(yu)降(jiang)(jiang)低(di)維護成本,提高客戶滿(man)意度。
而壓敏電阻 MOV 是一(yi)(yi)種常用(yong)的(de)(de)(de)(de)(de)過壓(ya)保護器件,它的(de)(de)(de)(de)(de)特(te)點是,在一(yi)(yi)定電(dian)(dian)(dian)流電(dian)(dian)(dian)壓(ya)范圍(wei)內電(dian)(dian)(dian)阻值隨(sui)著電(dian)(dian)(dian)壓(ya)的(de)(de)(de)(de)(de)變(bian)化而變(bian)化,電(dian)(dian)(dian)氣特(te)性(xing)與(yu)兩只背對背連接的(de)(de)(de)(de)(de)硅穩(wen)壓(ya)二極管(guan)非常相(xiang)似(si),有(you)著毫微秒級的(de)(de)(de)(de)(de)響應速度, 當(dang)電(dian)(dian)(dian)路電(dian)(dian)(dian)壓(ya)正常時(shi),MOV 的(de)(de)(de)(de)(de)阻值很(hen)高(gao),相(xiang)當(dang)于斷(duan)路,而當(dang)有(you)尖(jian)峰電(dian)(dian)(dian)壓(ya)時(shi),他提供非線性(xing)的(de)(de)(de)(de)(de)電(dian)(dian)(dian)流導通(tong)通(tong)道,將電(dian)(dian)(dian)壓(ya)限制在一(yi)(yi)定范圍(wei)內,從而達到保護電(dian)(dian)(dian)路的(de)(de)(de)(de)(de)目的(de)(de)(de)(de)(de)。MOV 選(xuan)(xuan)型時(shi),注意的(de)(de)(de)(de)(de)參數(shu)主要是壓(ya)敏電(dian)(dian)(dian)壓(ya)和通(tong)流量的(de)(de)(de)(de)(de)選(xuan)(xuan)擇,具體請咨詢音特(te)電(dian)(dian)(dian)子。
下圖給出一種典型的(de)繼(ji)(ji)電(dian)(dian)(dian)(dian)器保(bao)護(hu)電(dian)(dian)(dian)(dian)路,PPTC 與繼(ji)(ji)電(dian)(dian)(dian)(dian)器線(xian)圈,繼(ji)(ji)電(dian)(dian)(dian)(dian)器觸(chu)點(dian)串聯,在故障和意外過載時可限制電(dian)(dian)(dian)(dian)流,PPTC 的(de)選擇,首先考慮 PPTC 的(de)耐壓,還有繼(ji)(ji)電(dian)(dian)(dian)(dian)器工(gong)作(zuo)的(de)最大(da)穩態電(dian)(dian)(dian)(dian)流,還有動作(zuo)時間,溫度等(deng)等(deng)問題,詳情可咨詢(xun)音(yin)特電(dian)(dian)(dian)(dian)子(zi)。MOV 與觸(chu)點(dian)并(bing)聯,可有效的(de)防止觸(chu)點(dian)的(de)。

繼電(dian)器(qi)始(shi)終是會(hui)(hui)(hui)失效的,我們做保(bao)護,主(zhu)要是希(xi)望延長繼電(dian)器(qi)的使用(yong)時(shi)間(jian),因(yin)為觸點始(shi)終會(hui)(hui)(hui)積(ji)碳, 老化,其(qi)(qi)表(biao)面不如最初那樣清潔。在繼電(dian)器(qi)壽命臨近后期時(shi),其(qi)(qi)接觸電(dian)阻會(hui)(hui)(hui)迅速增大。
關注(zhu)公眾號(hao):音特電子,輕松了解(jie)。
關鍵(jian)詞(ci):繼電器的(de)過(guo)流過(guo)壓保護、PPTC自恢復保險絲、壓敏電阻。
音特電子解決方案:yxgc.net
幾乎沒有(you)一個物(wu)理(li)量像溫(wen)(wen)(wen)度(du)(du)(du)一樣(yang),如此(ci)頻繁地進行測(ce)(ce)(ce)量;通過紅外(wai)線測(ce)(ce)(ce)量溫(wen)(wen)(wen)度(du)(du)(du)有(you)各種可能(neng)性。除了傳(chuan)統的(de)溫(wen)(wen)(wen)度(du)(du)(du)計之外(wai),高溫(wen)(wen)(wen)計(也(ye)稱為激光測(ce)(ce)(ce)溫(wen)(wen)(wen)儀或紅外(wai)測(ce)(ce)(ce)溫(wen)(wen)(wen)儀)用作溫(wen)(wen)(wen)度(du)(du)(du)測(ce)(ce)(ce)量儀已被有(you)效驗證。應用廣(guang)泛(fan),如鋼(gang)鑄造、爐溫(wen)(wen)(wen)、機器零件、玻(bo)璃及室溫(wen)(wen)(wen)、體溫(wen)(wen)(wen)等各種物(wu)體表面溫(wen)(wen)(wen)度(du)(du)(du)的(de)測(ce)(ce)(ce)量,針對特(te)殊應用場景, 我司均有(you)集約化的(de)產品(pin)配合(he)此(ci)類產品(pin),滿足各種需求。
一.產品應用優勢:
1.1.延長測試槍使用壽(shou)命,具有過(guo)流保護和過(guo)壓保護
1.2.有助于減少測試的干擾,提高穩定性、提高產品 EMC 性能
1.3.提高類似(si) MLX90614 芯片(pian)的(de) ASSP 性(xing)能(neng)
1.4.符(fu) 合 IEC 61000-4-2 (ESD)Air discharge: ±15kV Contact discharge: ±8kV
1.5.IEC61000-4-4 (EFT) 40A (5/50ns)
1.6.IEC61000-4-5 (Lightning) 12A (8/20μs)
二.典型應用產品:



三.應用拓撲:


四.器(qi)件與工作電壓選擇:


我司有多(duo)種(zhong)封裝形式可供選擇,如:SOD523/SOD-923/DFN1006
五.應用說明:
5.1.過(guo)流(liu)保護的必要性,正(zheng)常設(she)備在使(shi)用過(guo)程,用戶(hu)在更換外(wai)部(bu)電(dian)池(chi)或電(dian)源(yuan)過(guo)程;很容易產生尖峰電(dian)流(liu),對于紅外(wai)芯片 A/D 采集(ji)器(qi)件是致(zhi)(zhi)命;更是關鍵(jian)的設(she)計(ji),紅外(wai)傳感內部(bu)設(she)計(ji)齊(qi)納二極(ji)(ji)管(guan),當二極(ji)(ji)管(guan) PN 結短路(lu)失效(xiao),導致(zhi)(zhi)電(dian)池(chi)短路(lu);在石油化工行業將會導致(zhi)(zhi)火(huo)災現象,造(zao)成更大的損失!
5.2.ESD 靜電保護的必需性,此(ci)類(lei)產品的使用環(huan)境很惡劣(lie),主要(yao)是人體的靜電轉移產生的瞬間寬脈沖的電壓;還有在特殊工況場景,環(huan)境的影響更(geng)是不可(ke)控制(zhi)。
六.產品特性:
6.1.防護(hu)器件大量用于汽車,工業品產(chan)品,具有(you)高(gao)性能(neng)!
6.2.器件體積集約化(hua),貼(tie)片 SMT 式
6.3.低寄生電容
6.4.ROHS 材 料
7.電氣參數(Ta:25℃):
ESDSR05:


關注公眾號:音特電子,輕松了解。
關鍵詞:紅外溫槍防(fang)護方(fang)案、PPTC自恢(hui)復保險絲(si)、ESD靜電(dian)二極(ji)管。
注:音特電子研發組(yxgc.net)
防雷電路主要是為了吸(xi)收電路浪涌和(he)瞬變(bian)(bian)產(chan)生的(de)尖峰電壓和(he)抑制過電壓,以保護(hu)變(bian)(bian)頻器主回路。
通用的電路1:

使用較少的器件,4個壓敏電阻和保險絲的組合,壓敏電阻使用20D102K;保險(xian)絲使用(yong)(yong)10A慢斷的保險(xian)絲,保險(xian)絲的主(zhu)要作用(yong)(yong)是在壓敏電阻(zu)老化短路失效(xiao)后,使其和主(zhu)電路脫離,防止火災。
通用電路2:

使用的器件較多,6個壓敏加上3個保險絲,共差模全防護,壓敏電阻使用20D102K,保險(xian)絲使用10A慢斷保險(xian)絲。
如果有浪涌的具體要求(qiu),或者耐壓(ya)方(fang)(fang)面的要求(qiu),方(fang)(fang)案需更改(gai),具體可聯系我們技術人員。
電(dian)(dian)涌(yong)顧名思義就是超出正常(chang)工作電(dian)(dian)壓(ya)的瞬間過電(dian)(dian)壓(ya),其來(lai)(lai)源分為外部來(lai)(lai)源(雷電(dian)(dian)和電(dian)(dian)網中(zhong)開關操作等在(zai)電(dian)(dian)力線路上產(chan)生(sheng)的過電(dian)(dian)壓(ya))和內部來(lai)(lai)源(空調、電(dian)(dian)梯(ti)、電(dian)(dian)焊機(ji)、空氣壓(ya)縮機(ji)和其它感(gan)應性負荷),根據(ju)統(tong)計,在(zai)美(mei)國:由于(yu)電(dian)(dian)涌(yong)給各行業(ye)造成的停產(chan)、時間的損失、設(she)備(bei)維修、過早(zao)地更換設(she)備(bei)等直接損失每年高達(da)260億美(mei)金,在(zai)中(zhong)國,據(ju)有關統(tong)計,在(zai)保修期(qi)內出現問題的電(dian)(dian)氣產(chan)品(pin)中(zhong),有63%是由于(yu)電(dian)(dian)涌(yong)產(chan)生(sheng)的。我司依據(ju)GB/T17626.5 IEC61000-4-5對浪涌(yong)(沖擊)抗擾度試驗,對低壓(ya)直流(liu)防雷保護方案做了(le)一些整理和測試,以(yi)供(gong)大家參考。

開路電壓波形1.2/50μs T1=1.2μs T2=50μs

短(duan)路電流波形8/20μs T1=8μs T2=20μs
直流(liu)供(gong)(gong)電(dian)電(dian)壓5V,供(gong)(gong)電(dian)電(dian)流(liu)常規(gui)2A,峰值可達5A,浪涌等級暫定為2KV。

壓(ya)敏電(dian)阻(zu)或(huo)(huo)者(zhe)氣(qi)體(ti)放電(dian)管(guan)(guan)(大(da)通流器件(jian))做粗保護,TVS做細保護,用(yong)電(dian)感退耦,因(yin)為TVS的(de)(de)響(xiang)應速度比壓(ya)敏或(huo)(huo)者(zhe)氣(qi)體(ti)放電(dian)管(guan)(guan)快(kuai),使用(yong)電(dian)感的(de)(de)目(mu)的(de)(de)是(shi)當大(da)浪(lang)涌(yong)出(chu)現時,使大(da)部分能量通過(guo)壓(ya)敏或(huo)(huo)者(zhe)氣(qi)體(ti)放電(dian)管(guan)(guan)泄放,剩(sheng)余的(de)(de)小部分殘壓(ya),通過(guo)TVS再次抑制,最終將浪(lang)涌(yong)削弱到EUT能承受的(de)(de)水(shui)平(ping)。最前端(duan)保險絲(si)的(de)(de)作用(yong)是(shi)當后面壓(ya)敏出(chu)現老化失效或(huo)(huo)者(zhe)TVS出(chu)現異常時,能夠及時斷(duan)開電(dian)路(lu),推(tui)薦使用(yong)慢斷(duan)的(de)(de)保險絲(si)。
由于客(ke)戶(hu)電(dian)(dian)(dian)源的電(dian)(dian)(dian)流較大,空(kong)心電(dian)(dian)(dian)感可能(neng)比較難(nan)找,如果(guo)能(neng)夠(gou)只使用壓敏或者(zhe)氣(qi)體放(fang)電(dian)(dian)(dian)管(guan),浪涌的殘壓后面電(dian)(dian)(dian)路(lu)能(neng)夠(gou)承受,則只需使用壓敏或者(zhe)氣(qi)體放(fang)電(dian)(dian)(dian)管(guan)。以下是,只使用壓敏或者(zhe)氣(qi)體放(fang)電(dian)(dian)(dian)管(guan),電(dian)(dian)(dian)路(lu)的殘壓:
供電電壓 5V


將壓敏或者氣體放電管直接并在“+”“-”線上,打浪(lang)涌通過示波器(qi)查看(kan)殘壓。


由于(yu)氣放管的(de)響應速度最慢(man),所以(yi)他(ta)抑制(zhi)后(hou)的(de)峰值電壓最高,但(dan)是(shi)由于(yu)它是(shi)開關型器件,所以(yi)他(ta)的(de)殘壓還是(shi)比(bi)較低的(de)。

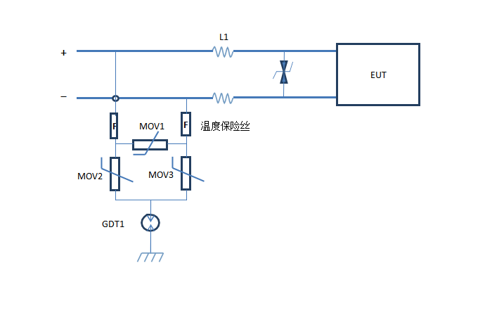
關鍵詞:TVS二極管、壓敏電阻14D820K、氣體放電管1812-091。
如有問題(ti),可聯(lian)系(xi)技(ji)術人員快速為您解決: 

| 
 類型  | 
 L  | 
||
| 
 12V  | 
 3R090L(M)-8 或者  | 
 空心電感 220µH左右  | 
 SMDJ15CA 或者5.0SMDJ15CA  | 
使(shi)(shi)用(yong)(yong)氣(qi)(qi)體(ti)放(fang)電管(大通流器(qi)件)做粗(cu)保護(hu),當有接地(di)線時(shi),推薦使(shi)(shi)用(yong)(yong)3pin的(de)氣(qi)(qi)放(fang)管3R090L(M)-8,但沒有地(di)線時(shi),使(shi)(shi)用(yong)(yong)2pin的(de)氣(qi)(qi)放(fang)管2R090L(M)-8。TVS做細保護(hu),用(yong)(yong)電感(gan)退耦(ou),因為(wei)TVS的(de)響(xiang)應速度(du)比氣(qi)(qi)體(ti)放(fang)電管快,使(shi)(shi)用(yong)(yong)電感(gan)的(de)目的(de)是當大浪涌(yong)出現時(shi),使(shi)(shi)大部分能量通過氣(qi)(qi)體(ti)放(fang)電管泄放(fang),剩余的(de)小(xiao)部分殘壓,通過TVS再(zai)次(ci)抑制,最終將浪涌(yong)削弱到(dao)EUT能承受的(de)水平(ping)。
最前端保(bao)險絲的(de)作用是TVS出現異常(chang)時(shi)(shi),能(neng)夠及時(shi)(shi)斷開電(dian)路(lu),根據客戶電(dian)路(lu)的(de)電(dian)流選(xuan)擇保(bao)險絲,保(bao)險絲選(xuan)擇時(shi)(shi)要注意(yi),當(dang)浪涌測(ce)試時(shi)(shi),瞬間電(dian)流很大(da),有幾千(qian)安培(pei),此時(shi)(shi)保(bao)險絲不能(neng)斷開,需(xu)要保(bao)險絲抗(kang)浪涌能(neng)力強(qiang),一般推薦使用慢斷的(de)保(bao)險絲。

開路電壓波(bo)形(xing)1.2/50μs T1=1.2μs T2=50μs

短路電流波形8/20μs T1=8μs  T2=20μs
防雷(lei)電路能承(cheng)受6KV-8KV的浪涌(yong)。





從(cong)±6KV的測試(shi)結(jie)果來看(kan)(kan),經(jing)過放(fang)浪(lang)涌(yong)電路后,浪(lang)涌(yong)殘壓很低,一(yi)般都能滿足(zu)客戶EUT的要(yao)求。從(cong)器件(jian)選型上來看(kan)(kan),氣體放(fang)電管最高能承受瞬間電流20KA,完全能夠(gou)滿足(zu)客戶8KV浪(lang)涌(yong)的要(yao)求。

關鍵詞:氣體放電管3R090L-8、TVS二極管SMDJ15CA、保險絲。
如有問(wen)題,可(ke)聯(lian)系(xi)技術人員