


一 . SIC MOS管(guan)的(de)發展與現狀

二. 研究柵極問題的重要性
2.1 柵(zha)極作為SIC MOS管的關(guan)鍵(jian)控制端,其性能和可靠性直接影響著整個(ge)器(qi)件的工作穩定(ding)性和壽(shou)命(ming)。柵(zha)極一旦(dan)損(sun)壞,SIC MOS管將無法正常工作,導(dao)致整個(ge)電(dian)路系統故障
 2.2 SIC MOS管作為新型功率半導體器件(jian),近年來隨著(zhu)技術(shu)的成熟(shu),在新能源汽(qi)車、光伏、智能電網等領(ling)域得到了廣泛應用。其具有開關速度快、導通電阻低、耐高溫等顯著(zhu)優勢,逐漸(jian)成為傳統(tong)硅(gui)基器件(jian)的有力替代者
   
  
三. 芯片工藝結構概述
3.1 SIC MOS管的(de)(de)芯片工藝(yi)結構主(zhu)要包(bao)括襯底(di)(di)(di)、外延(yan)層(ceng)、源極、漏(lou)極、柵(zha)極以及絕(jue)緣層(ceng)等部分。其中,襯底(di)(di)(di)通常采用(yong)碳化硅材(cai)料,具有高(gao)導熱性(xing)和高(gao)擊穿電(dian)場強度的(de)(de)特點,為器(qi)件提供良好的(de)(de)物理支撐和電(dian)學基礎。外延(yan)層(ceng)生長在襯底(di)(di)(di)之上(shang),用(yong)于精(jing)確控(kong)制器(qi)件的(de)(de)電(dian)學參數
3.2 源(yuan)極和(he)漏極位于芯片的兩側,是電(dian)流的輸(shu)入和(he)輸(shu)出(chu)端,柵極則(ze)通過絕(jue)緣層(ceng)與溝道(dao)隔開,通過施加電(dian)壓(ya)來控(kong)制溝道(dao)的導通和(he)截止,從而實現對電(dian)流的調控(kong),絕(jue)緣層(ceng)通常采用二氧(yang)化硅等(deng)材料,其質量和(he)厚度對柵極的性能有(you)著重要影(ying)響
四. 柵(zha)極在芯片中的位(wei)置與作用

位置:柵(zha)極位于源(yuan)極和漏(lou)極之(zhi)間(jian),通(tong)(tong)過(guo)絕(jue)緣層與(yu)溝(gou)(gou)道(dao)緊密相鄰。其主(zhu)要作用是(shi)通(tong)(tong)過(guo)電場效應控制溝(gou)(gou)道(dao)的(de)導(dao)電性,實現對SIC MOS管導(dao)通(tong)(tong)和關(guan)斷的(de)精確控制。當(dang)(dang)柵(zha)極施加正電壓時(shi),會在溝(gou)(gou)道(dao)中(zhong)感(gan)應出電子,形成導(dao)電通(tong)(tong)道(dao),使(shi)SIC MOS管導(dao)通(tong)(tong);當(dang)(dang)柵(zha)極電壓為(wei)零時(shi),溝(gou)(gou)道(dao)中(zhong)的(de)電子消失,導(dao)電通(tong)(tong)道(dao)關(guan)閉,SIC MOS管截(jie)止(zhi)
作用:柵(zha)極的控制(zhi)作(zuo)用如同水龍頭的開關,能夠精準地(di)調節水流(電流)的大小和通斷,確保SIC MOS管在各種電路應用中(zhong)穩定(ding)可(ke)靠地(di)工作(zuo)
五. 柵極容易損壞的原因分析
5.1 寄生電容的影響,米勒電容的作用機制
由于多晶(jing)硅寬(kuan)度(du)、溝道與溝槽寬(kuan)度(du)、G極氧化層厚度(du)、PN結摻雜輪廓等(deng)因(yin)素,SIC MOS管會(hui)產生寄生電(dian)容(rong),其(qi)中關(guan)鍵(jian)的(de)米(mi)勒電(dian)容(rong)Cgd起著重要作(zuo)用(yong)。Cgd并非(fei)恒定(ding)不變(bian),它會(hui)隨著柵極和(he)漏(lou)極間電(dian)壓的(de)變(bian)化而迅(xun)速改(gai)變(bian)
當高(gao)邊(bian)的(de)(de)MOS管(guan)突然導(dao)通時,低(di)邊(bian)MOS管(guan)的(de)(de)漏極(ji)(ji)電(dian)(dian)(dian)壓(ya)(ya)(ya)會(hui)瞬(shun)間升高(gao),此時低(di)邊(bian)MOS管(guan)的(de)(de)米勒電(dian)(dian)(dian)容(rong)上會(hui)產生(sheng)一個大小(xiao)為米勒電(dian)(dian)(dian)容(rong)乘以電(dian)(dian)(dian)壓(ya)(ya)(ya)變化(hua)率大小(xiao)的(de)(de)電(dian)(dian)(dian)流。若柵(zha)極(ji)(ji)開路(lu),這個電(dian)(dian)(dian)流只能給下(xia)方的(de)(de)Cgs電(dian)(dian)(dian)容(rong)充電(dian)(dian)(dian),進而導(dao)致柵(zha)極(ji)(ji)電(dian)(dian)(dian)壓(ya)(ya)(ya)突然升高(gao)。當柵(zha)極(ji)(ji)電(dian)(dian)(dian)壓(ya)(ya)(ya)超(chao)過(guo)MOS管(guan)的(de)(de)門線電(dian)(dian)(dian)壓(ya)(ya)(ya)VTH時,MOS管(guan)就容(rong)易發生(sheng)誤導(dao)通,長(chang)期的(de)(de)誤導(dao)通會(hui)對柵(zha)極(ji)(ji)造成損壞
5.2 寄生電容引發的問題實例
在半橋電(dian)路中(zhong)(zhong),當一個MOS管(guan)導通時,由(you)于(yu)米(mi)勒(le)(le)電(dian)容(rong)的(de)存在,會對另(ling)一個MOS管(guan)的(de)柵(zha)(zha)極(ji)(ji)產生影響。例(li)如,在某(mou)開關(guan)電(dian)源(yuan)應用中(zhong)(zhong),由(you)于(yu)米(mi)勒(le)(le)電(dian)容(rong)的(de)作用,導致柵(zha)(zha)極(ji)(ji)電(dian)壓異常(chang)(chang)升高,超出(chu)了柵(zha)(zha)極(ji)(ji)的(de)耐壓范圍,最(zui)終造成(cheng)柵(zha)(zha)極(ji)(ji)擊(ji)穿損壞,使整個開關(guan)電(dian)源(yuan)無法正常(chang)(chang)工作
5.3 外部電路過電壓的來源
5.3.1 外部(bu)電(dian)路中的(de)過電(dian)壓(ya)可能由多(duo)種原因產(chan)(chan)生,如(ru)雷擊、電(dian)網波(bo)動、感性負載的(de)開關(guan)操作(zuo)等(deng)。雷擊會產(chan)(chan)生瞬間的(de)高電(dian)壓(ya)脈(mo)沖,可能通過電(dian)源線或信號線傳導至SIC MOS管
5.3.2 電網波(bo)動時,電壓的突然升(sheng)高也(ye)會(hui)對SIC MOS管(guan)造成(cheng)威(wei)脅
5.3.3 當感性負載(如電(dian)(dian)機、變壓器等)突(tu)然(ran)斷開(kai)時,會產(chan)生(sheng)反電(dian)(dian)動勢,形成(cheng)很高(gao)的電(dian)(dian)壓尖峰,這些過電(dian)(dian)壓都可能通過電(dian)(dian)路傳(chuan)導到SIC MOS管的柵(zha)極(ji),對(dui)其造成(cheng)損害
5.4 過電壓對柵極的損害原理
5.4.1 當柵極承(cheng)受的電壓超過其額定耐壓值時(shi),柵極氧化物會(hui)發(fa)生擊(ji)穿(chuan),導致(zhi)柵極與溝道之間(jian)的絕緣性(xing)能下降,甚(shen)至短路;這會(hui)使柵極失去對溝道的控制能力,SIC MOS管無(wu)法正(zheng)常(chang)工作,嚴(yan)重時(shi)會(hui)導致(zhi)器(qi)件永(yong)久性(xing)損壞(huai)
5.4.2 過電壓還(huan)可能引發(fa)柵(zha)極(ji)(ji)內部的熱(re)效應(ying),使柵(zha)極(ji)(ji)材料(liao)的溫度急(ji)劇升高,造成(cheng)材料(liao)的性能劣化(hua),進一步加劇柵(zha)極(ji)(ji)的損壞(huai)
5.5 高溫環境的影響
5.5.1 SIC MOS管的工作溫度特性
SIC MOS管雖然具有較好的(de)(de)高(gao)溫(wen)(wen)性(xing)(xing)能,但在高(gao)溫(wen)(wen)環境下,其性(xing)(xing)能參數仍會(hui)發(fa)生變(bian)化。隨著溫(wen)(wen)度(du)的(de)(de)升高(gao),SIC MOS管的(de)(de)導通電阻會(hui)增大,開關(guan)速(su)度(du)會(hui)降(jiang)低,漏電流(liu)也會(hui)增加。這些參數的(de)(de)變(bian)化會(hui)導致器件(jian)的(de)(de)功(gong)耗增加,產生更多的(de)(de)熱量,進一步加劇溫(wen)(wen)度(du)的(de)(de)上(shang)升。
當溫度超(chao)過一定限度時,會對(dui)柵(zha)極(ji)的材料和結(jie)構產(chan)生影響(xiang),降低柵(zha)極(ji)的可靠性
5.5.2 高溫對柵極材料和結構的影響(xiang)
高溫(wen)會使柵(zha)(zha)(zha)(zha)極(ji)(ji)的(de)(de)(de)絕緣(yuan)材(cai)料(liao)性能下(xia)降,導致(zhi)柵(zha)(zha)(zha)(zha)極(ji)(ji)與溝道(dao)之間的(de)(de)(de)絕緣(yuan)電阻降低,增(zeng)(zeng)加漏(lou)電風險。高溫(wen)還可能導致(zhi)柵(zha)(zha)(zha)(zha)極(ji)(ji)金(jin)屬材(cai)料(liao)的(de)(de)(de)熱膨脹,使柵(zha)(zha)(zha)(zha)極(ji)(ji)與其他部件(jian)之間的(de)(de)(de)連接出(chu)現松動或(huo)斷裂(lie),影響柵(zha)(zha)(zha)(zha)極(ji)(ji)的(de)(de)(de)正(zheng)常工作; 在一(yi)些高溫(wen)應用場景(jing)中(zhong),如汽(qi)車發(fa)動機(ji)艙內的(de)(de)(de)電子設(she)備,SIC MOS管長期處于高溫(wen)環境(jing)下(xia),柵(zha)(zha)(zha)(zha)極(ji)(ji)的(de)(de)(de)損(sun)壞概率明(ming)顯增(zeng)(zeng)加
5.6 制造工藝缺陷
5.6.1 常見的制造工藝問題
在SIC MOS管的制造(zao)過程中,可能會出現一些工藝缺陷,如柵(zha)極(ji)氧化層中的針(zhen)孔、雜質污(wu)染、光刻偏差等;這些缺陷會導致柵(zha)極(ji)氧化層的厚度不均勻,局部電場強度過高(gao),從而降(jiang)低柵(zha)極(ji)的耐(nai)壓(ya)能力(li)
雜質(zhi)污染可能(neng)會改變柵極材(cai)料的(de)(de)(de)電(dian)學性能(neng),影響柵極的(de)(de)(de)正常工(gong)作。光(guang)刻偏差則可能(neng)導(dao)致柵極的(de)(de)(de)尺(chi)寸精度不足(zu),影響器件的(de)(de)(de)性能(neng)一致性
5.6.2 工藝缺陷如何導致柵極損壞
柵(zha)極(ji)氧化層中的(de)針(zhen)孔會成為電流的(de)泄漏通道(dao),當電流通過針(zhen)孔時(shi),會產生(sheng)局部發(fa)熱,導致(zhi)氧化層進一步損壞。
雜質污染會使柵(zha)極(ji)材料的電(dian)阻率(lv)發生變化,影(ying)響(xiang)柵(zha)極(ji)的電(dian)場分布,增加柵(zha)極(ji)擊穿(chuan)的風險
光刻偏(pian)差導致的(de)柵極(ji)尺寸不一(yi)致,會使不同(tong)器件的(de)柵極(ji)性(xing)能存在差異,在實際應用中,性(xing)能較差的(de)柵極(ji)更容易(yi)受到損壞
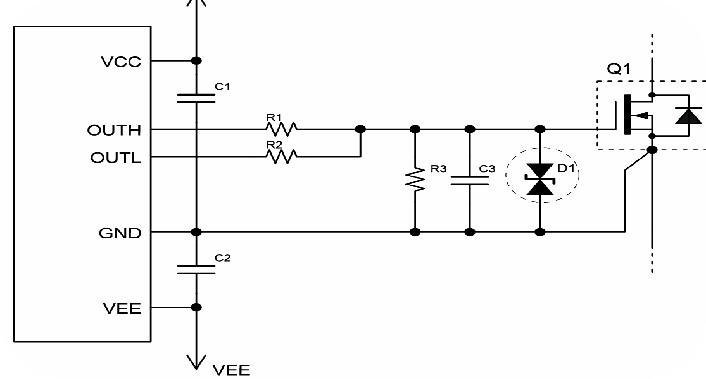
六 解決方案:柵極(ji)保護措施 - 瞬態抑制二極(ji)管

基本工作原(yuan)理介紹
SMBJ1505CA是一種高效的(de)(de)電(dian)路保(bao)護器件,其工作原理基于PN結的(de)(de)雪崩(beng)擊穿(chuan)效應。當TVS兩(liang)端的(de)(de)電(dian)壓(ya)超過(guo)其擊穿(chuan)電(dian)壓(ya)時,TVS會迅速導通,將過(guo)電(dian)壓(ya)鉗位在一個較(jiao)低的(de)(de)水平,從而保(bao)護被保(bao)護器件免(mian)受過(guo)高電(dian)壓(ya)的(de)(de)沖擊,在電(dian)路中,TVS通常(chang)與被保(bao)護的(de)(de)SIC MOS管柵極并聯連接。當出(chu)現(xian)瞬態(tai)過(guo)電(dian)壓(ya)時,TVS會在極短的(de)(de)時間內(nei)(nei)(通常(chang)為納(na)秒級)響應,將過(guo)電(dian)壓(ya)旁(pang)路到地,使柵極電(dian)壓(ya)保(bao)持在安全范圍(wei)內(nei)(nei)
SMBJ1505CA 瞬態抑制二(er)極(ji)管(guan)是專(zhuan)門(men)為(wei)SIC MOS管(guan)柵(zha)極(ji)保(bao)(bao)護(hu)設(she)計的(de)(de)(de),其正(zheng)(zheng)向擊穿電(dian)(dian)(dian)(dian)壓(ya)通常設(she)定為(wei)15V左右,反向擊穿電(dian)(dian)(dian)(dian)壓(ya)設(she)定為(wei) - 5V左右。這(zhe)樣(yang)的(de)(de)(de)電(dian)(dian)(dian)(dian)壓(ya)設(she)定能夠(gou)與SIC MOS管(guan)的(de)(de)(de)柵(zha)極(ji)工作電(dian)(dian)(dian)(dian)壓(ya)范(fan)圍相匹配(pei),有效地保(bao)(bao)護(hu)柵(zha)極(ji)免(mian)受正(zheng)(zheng)向和(he)反向過電(dian)(dian)(dian)(dian)壓(ya)的(de)(de)(de)損(sun)害,這(zhe)種二(er)極(ji)管(guan)具有快速的(de)(de)(de)響應時間(jian)(jian)、低動(dong)態電(dian)(dian)(dian)(dian)阻和(he)高脈(mo)(mo)(mo)沖功率(lv)承(cheng)受能力等特點。快速的(de)(de)(de)響應時間(jian)(jian)能夠(gou)確保(bao)(bao)在(zai)過電(dian)(dian)(dian)(dian)壓(ya)出現的(de)(de)(de)瞬間(jian)(jian)及(ji)時動(dong)作,低動(dong)態電(dian)(dian)(dian)(dian)阻可以使鉗位電(dian)(dian)(dian)(dian)壓(ya)盡可能接近(jin)擊穿電(dian)(dian)(dian)(dian)壓(ya),高脈(mo)(mo)(mo)沖功率(lv)承(cheng)受能力則保(bao)(bao)證了(le)二(er)極(ji)管(guan)在(zai)承(cheng)受大電(dian)(dian)(dian)(dian)流脈(mo)(mo)(mo)沖時不會(hui)損(sun)壞

使用SMBJ1505CA的原因
防止串(chuan)擾(rao)引起的柵極電壓波(bo)動
在半橋電(dian)路等應用中,SIC MOS管模塊的開(kai)(kai)關動作會引起另一個模塊開(kai)(kai)關的柵源極(ji)(ji)(ji)電(dian)壓(ya)(ya)波(bo)動,即串(chuan)擾(rao)問(wen)題。正向(xiang)串(chuan)擾(rao)可(ke)能導(dao)致柵極(ji)(ji)(ji)電(dian)壓(ya)(ya)正向(xiang)抬升,若超過閾值將導(dao)致誤(wu)(wu)開(kai)(kai)通;負(fu)向(xiang)串(chuan)擾(rao)可(ke)能使柵極(ji)(ji)(ji)電(dian)壓(ya)(ya)負(fu)向(xiang)增(zeng)大(da),超過負(fu)壓(ya)(ya)耐受(shou)極(ji)(ji)(ji)限(xian)會導(dao)致柵極(ji)(ji)(ji)擊穿(chuan),SMBJ1505CA瞬(shun)態抑制(zhi)二(er)極(ji)(ji)(ji)管可(ke)以有效地(di)抑制(zhi)串(chuan)擾(rao)引起的柵極(ji)(ji)(ji)電(dian)壓(ya)(ya)波(bo)動,當柵極(ji)(ji)(ji)電(dian)壓(ya)(ya)出(chu)現異(yi)常升高(gao)或降低時,TVS會迅(xun)速導(dao)通,將電(dian)壓(ya)(ya)鉗位在安全(quan)范圍內,防止誤(wu)(wu)開(kai)(kai)通和(he)柵極(ji)(ji)(ji)擊穿(chuan)的發生
應對(dui)瞬態過電(dian)壓的威(wei)脅
如前所(suo)述,外(wai)部電(dian)路中存在各種瞬態過電(dian)壓(ya)的威脅,如雷擊、電(dian)網波動、感性負載開關等產生(sheng)的過電(dian)壓(ya)。這些(xie)過電(dian)壓(ya)可能會瞬間超(chao)過SIC MOS管柵(zha)極的耐壓(ya)值(zhi),對柵(zha)極造成不可逆的損壞。
瞬態抑制(zhi)(zhi)二極管能(neng)夠在過電(dian)(dian)壓出現的(de)(de)瞬間迅速響應,將過電(dian)(dian)壓限制(zhi)(zhi)在安全范圍內(nei),為SIC MOS管柵極提供可靠的(de)(de)保護(hu),確保器件在惡(e)劣的(de)(de)電(dian)(dian)氣環境下正常工作
加瞬態抑制(zhi)二極管(guan)的好(hao)處 :提高柵極的可靠性和穩定性、簡化電路設計和維護